Schemat elektryczny

arni1020

Nowy
Rejestracja
Cze 17, 2017
Postów
72
Auto
Alfa Romeo 156
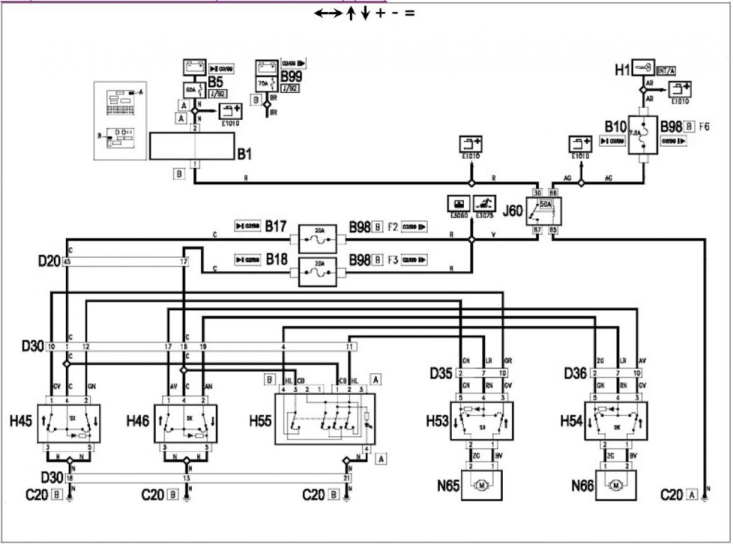
Koledzy czy ma ktoś na stanie schemat elektryczny elektrycznych szyb tylnich w alfie 156

Wysłane z mojego FIG-LX1 przy użyciu Tapatalka
 
program autodata - tam masz wszystkie schematy... (na chomiku/torrencie znajdziesz do sciagniecia)
 
Schemat
 

Załączniki

  • Tylne szyby.jpg
    Tylne szyby.jpg
    88.7 KB · Wyświetleń: 1,371
Ostatnią edycję dokonał moderator:
Amortyzatory
Powrót
Góra