Podążaj za instrukcjami wyświetlonymi na poniższym wideo, aby zainstalować aplikację internetową na Twoim urządzeniu.
Uwaga: Ta opcja może nie być dostępna w niektórych przeglądarkach internetowych.

Ja nic nie musiałem przekładać. Kupiłem adapter car2connects do AR159 i radio Kenwood. Radio działa po zgaszeniu zapłonu, przestaje działać po wyjęciu kluczyka, włącza się po włożeniu kluczyka w gniazdo. Ze sterowania działa 8 lub 9 przycisków. Sterowanie z kierownicy nie działa tylko po wyłączeniu zapłonu bo nie jest zasilany wtedy adapter gdy kluczyk jest odblokowany w stacyjce.Montowałem, trzeba przełożyć jeden pin w kostce, z 4 na 7 w tej sekcji zasilającej.
W instalacji CN+ kabel ze stałym +12 V jest na pinie 7. W wersji z radiem +12 V jest na pinie 4 (zgodnie ze standardowym pinoutem ISO). Adapter ma standardowy pinout więc nie działa, bo w takim przypadku nie jest zasilany. Wystarczy więc, że w tej wielkiej kostce w adapterze (tej co jest tak jakby radiem) przełożysz kabel jw., czerwony zdaje się. W kostce, którą wpinasz w nowe radio ani w fabrycznych nic nie trzeba zmieniać.
Wtedy wszystko jest P&P.
Edit:
Pokaż załącznik 273151
Nie są, trzeba zmapować zgodnie z instrukcją konkretnego radia. W przypadku mojego Sony mapowanie przepada wraz z odłączeniem akumulatora, i też mogłoby to działać trochę lepiej. No ale to, co najważniejsze to działa: podgłaśnianie, ściszanie, przewijanie, wyciszanie, wywoływanie wybierania głosowego (Siri/asystenta Google), odbieranie telefonu.Rozumiem, że przyciski automatycznie są powiązane z konkretną funcją?
Tak, jak zgasisz auto, to dopóki nie wyjmiesz kluczyka to ten adapter podaje +12 "po stacyjce" do radia na oddzielnym kabelku.czy radio działa po wyłączeniu zapłonu?(z kluczykiem w stacyjce)

Ja nic nie musiałem przekładać. Kupiłem adapter car2connects do AR159 i radio Kenwood. Radio działa po zgaszeniu zapłonu, przestaje działać po wyjęciu kluczyka, włącza się po włożeniu kluczyka w gniazdo. Ze sterowania działa 8 lub 9 przycisków. Sterowanie z kierownicy nie działa tylko po wyłączeniu zapłonu bo nie jest zasilany wtedy adapter gdy kluczyk jest odblokowany w stacyjce.
Wysłane z mojego Mi A2 przy użyciu Tapatalka


Sprawdzę u siebie to w wolnej j chwili. Nie jest, to dla mnie problem bo na postoju nie słucham radia bo jak dojade do celu to po prostu wysiadam i tyle [emoji12]Nie są, trzeba zmapować zgodnie z instrukcją konkretnego radia. W przypadku mojego Sony mapowanie przepada wraz z odłączeniem akumulatora, i też mogłoby to działać trochę lepiej. No ale to, co najważniejsze to działa: podgłaśnianie, ściszanie, przewijanie, wyciszanie, wywoływanie wybierania głosowego (Siri/asystenta Google), odbieranie telefonu.
Tak, jak zgasisz auto, to dopóki nie wyjmiesz kluczyka to ten adapter podaje +12 "po stacyjce" do radia na oddzielnym kabelku.
Ten kabel co trzeba przełożyć w kostce może być też żółty - to tak na marginesie - nie pamiętam w tej chwili.
I teraz ważna sprawa - już niezwiązane z adapterem a z samym radiem - w tych przewodach do aftermarketowych radioodtwarzaczy jest bardzo często możliwość krosowania kabla czerwonego i żółtego (jeden to zasilanie stałe+pamięć - gruby, a drugi to wybudzanie-usypianie (zapłon) - cienki) nie sugeruj się tutaj kolorami tylko właśnie grubością, a najlepiej przeczytaj co jest na którym pinie i wszystko będzie jasne. Chodzi o to żeby nie zasilić radia z tego kabelka +12 V po stacyjce z adaptera, bo on nie ma wystarczającej wydajności prądowej, a jedynie zasilać radio tym grubym kablem który trafia bezpośrednio do instalacji w aucie.
Ale w kostce ISO tej w adapterze do nowego radia pin 4 to zasilanie+pamięć, pin 7 sygnał zapłonu.
Ostatnia sprawa to w przewodach co przyjdą z radiem możesz mieć jeden luźny przewód podpisany handbrake. Polecam nabyć takie konektory męskie o średnicy 4 mm, bo ten adapter odczytuje z auta sygnał ręcznego i jest kabel przygotowany z żeńskim konektorem właśnie. No chyba, że wolisz lutować, to tylko kosmetyka.
Te są z Norauto.
Pokaż załącznik 273155
- - - Updated - - -
Okej, już wiem dlaczego przekładałem. Właśnie dlatego, że pin 4 i 7 w wersji CN+ jest zamieniony względem normalnego ISO czy wersji z radiem. Adapter korzysta z zasilania stałego z akumulatora i sam generuje sygnał zapłonu czytając CANa, przy okazji jest to główny kabel zasilający radio. Dlatego sterowanie nie działa bez zapłonu, bo nie ma transmisji na CANie. U Ciebie nie działa dlatego, że adapter nie ma zasilania.
Jeżeli nie zamieniłeś tego pinu, a miałeś CN+, to zasilasz radio po zapłonie zamiast bezpośrednio z aku.
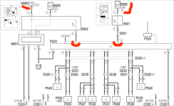
Vide schemat podłączenia CN+:
Pokaż załącznik 273156
Schemat pod Radio:
Pokaż załącznik 273157
Sprawdzę u siebie to w wolnej j chwili. Nie jest, to dla mnie problem bo na postoju nie słucham radia bo jak dojade do celu to po prostu wysiadam i tyle [emoji12]
A jeśli chodzi o kabelek handbrake to ja kawałek izolacji zdjąłem i zamocowałem pod jakąś blaszka przy radiu co miała śrubkę.
Najważniejsze to ten adapter podpiąć zgodnie z instrukcja od niego jakie ma być połączenie dla danego radia i jeśli jack jest nie używany to zaizoluj bo możesz mieć jak ja przypadek że wtyczka gdzieś dotknie i będzie zwarcie które uszkodzi adapter i będziesz musiał go wymienić niestety za kasę bo nie uznają usterki.
Wysłane z mojego Mi A2 przy użyciu Tapatalka
