Zaznaczam odrazu że od początku działało a teraz nie , ma ktoś może jakiś schemat jak to wszystko jest tu podłączone? jestem informatykiem na 3 roku i myśle że dam rade to ogarnąć. procesor tu jest na płytce FTDI FT232RL
Printable View
Zaznaczam odrazu że od początku działało a teraz nie , ma ktoś może jakiś schemat jak to wszystko jest tu podłączone? jestem informatykiem na 3 roku i myśle że dam rade to ogarnąć. procesor tu jest na płytce FTDI FT232RL
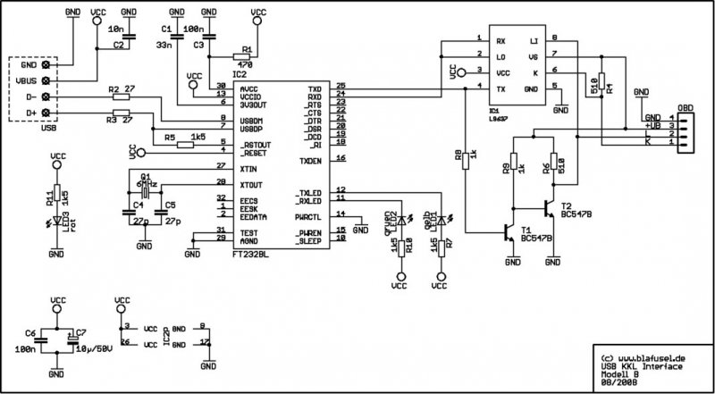
http://www.forum.alfaholicy.org/atta...d=154249&stc=1 Schemat przykładowy znaleziony w necie. Sprawdź sterowniki oraz czy masz dobrze ustawiony port COM, czasami podłączenie innego urządzenia pod USB robi bałagan z numerami portów. Naprawa to gra nie warta świeczki koszt nowego to około 30zł
P.S.
Jeśli zdecydujesz się na naprawę to:
Na płytce od strony przełącznika jest jeszcze jeden układ ( u mnie jest komparator LM393) on jest odpowiedzialny za połączenie z silnikiem często on ulega uszkodzeniu (powodem uszkodzeń jest przełączanie przełącznikiem bez odpięcia od złącza OBD). Układ FT232 to konwerter USB>RS232 jeśli komputer PC wykrywa urządzenie jako port COM po podpięciu kabla do USB to FT232 powinien być sprawny.
Dokładnie taki sam mam ten komparator . I komputer znajduje jako port COM kabelek.
Mógłbyś powiedzieć jak powinny wyglądać przejścia od USB do OBD wyjścia tak żeby mi to połączenie z silnikiem działało . Mam dokładnie ten sam kabelek co Ty więc mógłbyś zerknąć jak tam to idzie
LM do OBD
Pin3 Układu LM393 idzie na przełącznik, z przełącznika do pinu 7 w kostce OBD (to jest linia K).
Pin5 Układu LM393 idzie bezpośrednio na pin nr 15 w kostce OBD (to jest linia L)
W kostce OBD pin 16 to plus z akumulatora samochodu, natomiast pin 4 to minus.
Zamówiłem jednak nowy kabel , jutro będzie i posprawdzam co w tym moim nie gra , ale wydaje mi sie że lini L nie ma przejścia
Noo właśnie tam mi coś nie pasuje :D bo raz pokazuje że łączy raz nie :D ale przyszedł dziś nowy kabel więc z tamtym bede eksperymentował w wolnym czasie :D