Witam. Czy ktoś próbował dołożyć taki moduł? Wiem, ze każda 9 ma follow me home, ale mnie bardziej interesuje włączenie świateł przed wsiadaniem. Gdzie sie wpiąć, żeby załączały mi sie pozycyjne przód i tyl?
Printable View
Witam. Czy ktoś próbował dołożyć taki moduł? Wiem, ze każda 9 ma follow me home, ale mnie bardziej interesuje włączenie świateł przed wsiadaniem. Gdzie sie wpiąć, żeby załączały mi sie pozycyjne przód i tyl?
Nikt nic??
Jak się nie zna na elektronice na tyle dobrze, żeby ogarniać grzebanie w CANie, to można założyć taki przekaźnik który się programuje, jak długo ma podawać sygnał po otrzymaniu masy. Sygnał podać na światła, a impuls wziąć z siłowników centralnego.
Sam kiedyś kombinowałem nad takim rozwiązaniem, tylko w nieco innej wersji: chciałem dołożyć podświetlenie klamek, a zamiast świateł mijania, żeby sie ledy z dziennych zapalały (mam znane na forum duolighty). Niestety projekt ten nie może nabrać tzw. "mocy urzędowej" :P Jak się ma budowę na karku, to na auto mało czasu zostaje :)
Ktoś może wie, lub ma schematy które przewody są od pozycyjnych?
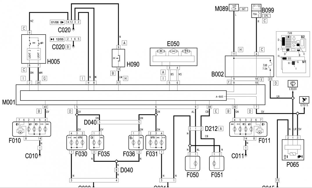
Tu masz schemat. Elementy:
M001 - body computer
F010, F011 - reflektory przód
F030, F031, F035, F036 - lampy tył
F050, F051 - oświetlenie tablicy tył
Odpowiednie styki są oznaczone literą złącza modułu i numerem pinu. Oznaczenia kolorów przewodów jak na drugim obrazku (kody dwuliterowe oznaczają odpowiednio przewód dwukolorowy).
Załącznik 213259Załącznik 213260