[notranslate]Alfa[/notranslate] 166 2,0 V6 TB. Pilnie poszukuje schematu immobilizer do tego modelu, chodzi mi o rozprowadzenie pinów z modułu immobiliser.
Printable View
[notranslate]Alfa[/notranslate] 166 2,0 V6 TB. Pilnie poszukuje schematu immobilizer do tego modelu, chodzi mi o rozprowadzenie pinów z modułu immobiliser.
pomocne beda zasoby kolegi [MENTION=5374]danus77[/MENTION] :beer:
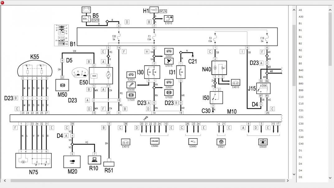
Podaj dokładnie rocznik to Ci wrzucę dokładne schematy. Poniżej dla roczników 03/99 - 03/01 :
Załącznik 232674
Załącznik 232675
99 do 2000 rok
- - - Updated - - -
Wielkie dzięki, myślę że ten schemat wystarczy, dziś sprawdzę polonczenia. A chodzi o to że robię swapa w spider, original był 2,0 ts, potem całość z 164 2,0V6 TB, a teraz tylko Motor i cała elektronikę z 166
2,0 V6 TB
A miałbyś może schemat podłączenia komputera do Alfy 164 2,0V6 TB z roku 2000. Był by mi bardzo pomocny do przebudowy
Nie prościej wyłączyć immo ? W nastoletniej Alfie nie spełnia to już żadnej funkcji a ew. problemy z immo, które kiedyś na pewno nadejdą mogą unieruchomić auto w najmniej odpowiednim momencie. Spróbuj znaleźć emulator immo albo po prostu zdeaktywuj immobilizer.
[notranslate]Alfa[/notranslate] 166
- - - Updated - - -
Alfa 166
- - - Updated - - -
Rozlaczyc czyli, emulator, jak to zrobić aby bez kompa go wyłączyć
- - - Updated - - -
Rozlaczyc czyli, emulator, jak to zrobić aby bez kompa go wyłączyć
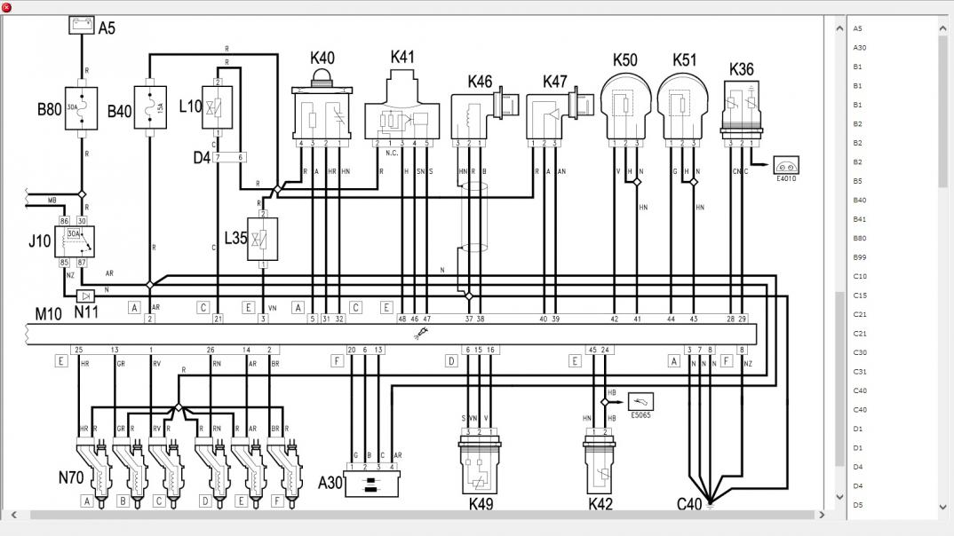
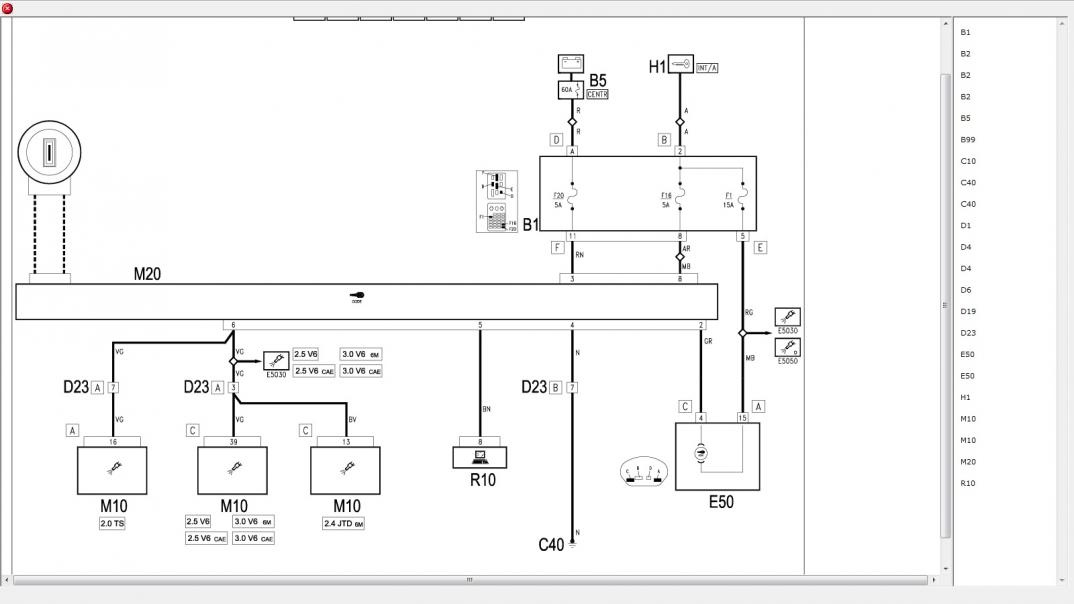
Załącznik 233337
Załącznik 233338Załącznik 233339
A-1, N.C.
A-2, Supply
A-3, Earth for ignition
A-4, N.C.
A-5, Lambda sensor heater
A-6, Fan 1 st speed relay
A-7, Earth for ignition
A-8, Electronic earth (for sensors)
B-1, N.C.
B-2, N.C.
B-3, Programming
B-4, Battery from C-1 to C-20, N.C.
C-21, Fuel vapour recirculation solenoid valve
C-22, Supply for potentiometer - 1 accelerator pedal
C-23, Earth for potentiometer - 1 accelerator pedal
C-24, Signal for potentiometer - 1 accelerator pedal
C-25, Signal for potentiometer - 2 accelerator pedal
C-26, Earth for potentiometer - 2 accelerator pedal
C-27, Supply for potentiometer - 2 accelerator pedal
C-28, Sport throttle response on warning light
C-29, Fuel pump relay
C-30, N.C.
C-31, Lambda sensor earth
C-32, Lambda sensor signal from C-33 to C-37, N.C.
C-38, Rpm signal
C-39, Diagnostic connection (line K)
C-40, N.C.
D-1, N.C.
D-2, N.C.
D-3, Cooling fan 2 nd speed relay
D-4, N.C.
D-5, N.C.
D-6, Barometric altitude sensor supply from D-7 to D-12, N.C.
D-13, Speedometer signal
D-14, Brake lights switch
D-15, Barometric altitude sensor earth
D-16, Barometric altitude sensor signal
D-17, N.C.
D-18, N.C.
D-19, Clutch pedal switch
D-20, Cruise control set +
D-21, Cruise control set -
D-22, Cruise control recall
D-23, Brake switch
D-24 Cruise control deactivation
E-1, Operation of injector for cyl. 3
E-2, Operation of injector for cyl. 6
E-3, Turbocharging pressure control solenoid valve
E-4, Operation of air conditioning compressore relay from E-5 to E-9, N.C.
E-10, Cruise control on warning light
E-11, N.C.
E-12, N.C.
E-13, Operation of injector for cyl. 2
E-14, Operation of injector for cyl. 5
E-15, 1st stage air conditioning pressure switch
E-16, N.C.
E-17, 2nd stage air conditioning pressure switch
E-18, Brake switch supply from E-19 to E-20, N.C.
E-21, Air conditioning request switch
E-22, N.C.
E-23, Sport throttle response switch
E-24, Air temperature sensor earth and sport throttle response switch
E-25, Operation of injector for cyl. 1
E-26, Operation of injector for cyl. 4
E-27, N.C.
E-28, Coolant temperature sensor earth
E-29, Coolant temperature sensor signal
E-30, N.C.
E-31, Potentiometer - 1 butterfly casing
E-32, Earth for potentiometer 1-2 butterfly casing
E-33, Supply for potentiometer 1-2 butterfly casing
E-34, Potentiometer - 2 butterfly casing
E-35, N.C.
E-36, N.C.
E-37, Rpm sensor (-)
E-38, Rpm sensor (+)
E-39, Timing sensor earths
E-40, Timing sensor signal
E-41, Earth for detonation sensor 1 (cylinders 1-4-5)
E-42, Signal for detonation sensor 1
E-43, Earth for detonation sensor 2 (cylinders 2-3-6)
E-44, Signal for detonation sensor 2
E-45, Air temperature sensor
E-46, Flow meter - reference voltage 5V
E-47, Output voltage (signal) - flow meter
E-48, Earth - flow meter
F-1, Motorized butterfly casing motor (-)
F-2, Motorized butterfly casing motor (+)
F-3, N.C.
F-4, N.C.
F-5, N.C.
F-6, Operation of ignition coil for cylinders 2-6
F-7, N.C.
F-8, Earth from F-9 to F-12, N.C.
F-13, Operation of ignition coil for cylinders 3-4 from F-14 to F-19, N.C.
F-20, Operation of ignition coil for cylinders 1-5
F-21, Operation of injection warning light