Z góry nie mam czasu dogłębnie szukać na forum a pobieżne nie dało odpowiedzi. dlatego zakładam nowy temat żeby był na wierzchu.
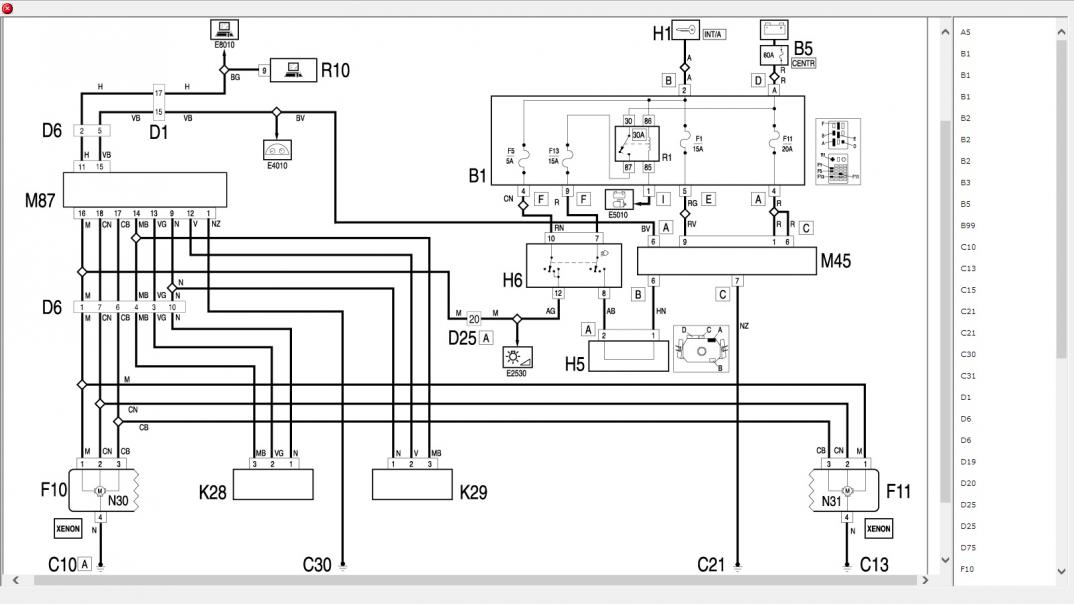
Pilnie potrzebuję schemat elektryczny do auto poziomowania ksenonów do przelifta. Może ktoś ma albo ma jakąś rozpiskę pinów z jednostki.