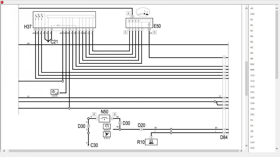
Potrzebuję schemat wiązki z eLearna
Panowie ktoś jest w stanie wyciągnąć z eLearna schemat wiązki która idzie od skrzyni automatycznej do komputera sterującego? AR 166 2.4 JTD skrzynia AISIN 55-50SN
Spaliło mi sterownik ale udało się naprawić. Elektronik powiedział żeby sprawdzić wiązkę przed montażem sterownika żeby nie było zaraz powtórki z rozrywki :/.
Dał mi schemat ale boscha więc może się różnić od oryginału. Mam już sterownik ale boje się go zakładać bez sprawdzenia wiązki. W okolicy mam średnio kumatych więc schemat raczej niezbędny.
Z góry bardzo dziękuję!