Hej. Panowie wie ktoś czy jest u nas coś takiego jak bezpiecznik immo? W 166
Printable View
Hej. Panowie wie ktoś czy jest u nas coś takiego jak bezpiecznik immo? W 166
Wielkie dzięki danus!!!!
Wysłane z mojego SM-G950F przy użyciu Tapatalka
Wycięcie imo nie pomogło? :)
no wlasnie po tej niby wycince immo nie ma efektów. Koles mi kase oddał i wróciłem do punktu wyjscia. Skonczy sie to wizyta u elektromechanika chyba...
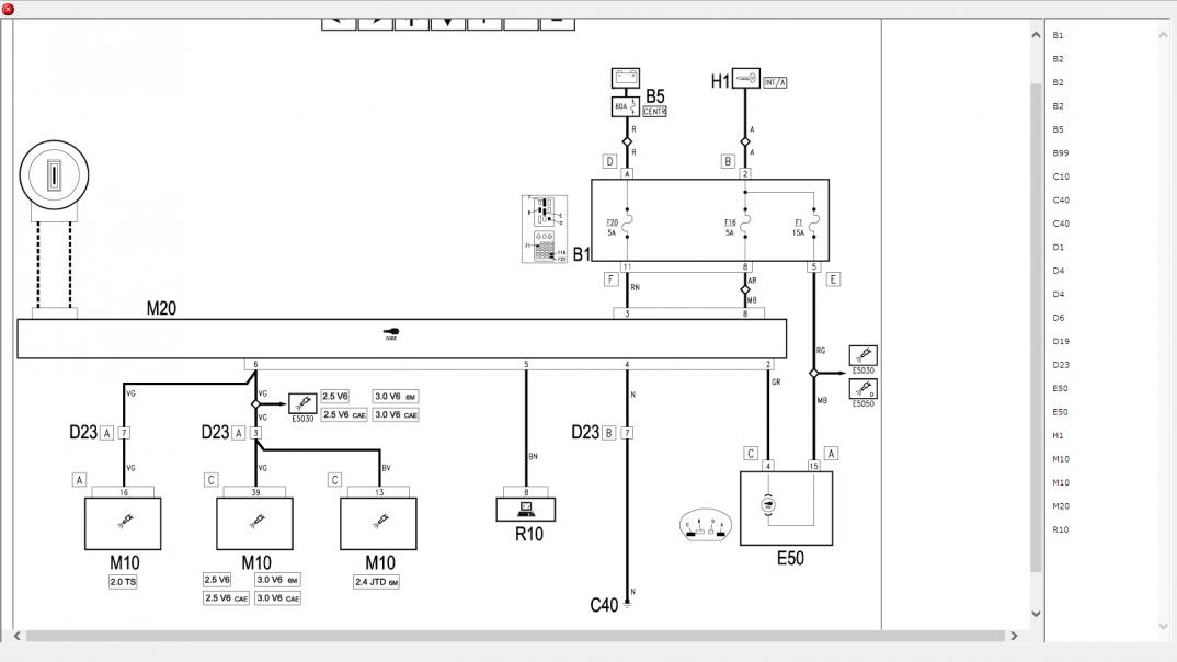
Jeden gosc mówił mi ze w tych edc15 najlatwiejszym sposobem jest montaz jakiegos emulatora... Rozkładam ręce. Ja tam nic samodzielnie nie bede lutował. Trza zaciagnac ta skorupe gdzies do majstra i powinien chyba to ogarnac jakis specjalista.
Może Code zbiegło się z inną awarią...
jedyna rzecz to mialem problemy z ABS niedawno. W trakcie jazdy zapalala sie kontrolka abs i ręcznego. Jezdzilem tka jakis czas. Po wymianie czujnika wszystko wrocilo do normy. i bęc... Autko nigdy nie mialo gmerane w elektryce przy ECU, zadnych chipów itp... Jedyniedrl wsadzone, ale to jest wpiete w moduł swiateł i wkladalem to na poczatku roku jakos.
Kawałek jebanej blachy a ja zalamany jestem jakby mi kto umarl:(
Chociaz zasneła przed domem:). nie wystawiła mnie gdzies 200km od domu...0d 2010 kulała sie bez problemu, mrozy, nie mrozy, trasy nie trasy, Babciu...
babciu dlaczego nie wstajesz, obudź się babciu...*
*masa625- odyebanie umysłowe poziom HARD- nieuleczalne :sarcastic:
Z tego,co ja wiem,to właśnie tam trzeba dołożyć emulator.I koszty,które podałem,były właśnie z tym czymś.
cenne info Moto!!!!!!!!! to jest mega trop że z tym emulatorem to może zagadać. Takie emu są na allegro. Mam gościa który mówił mi że takie coś mi jest w stanie wlutowac.
jak to dziala taki emu? ma ktoś coś takiego
Wysłane z mojego SM-G950F przy użyciu Tapatalka
W razie gdyby co,to pamiętaj,że mam do 136km cały kpl. ecu