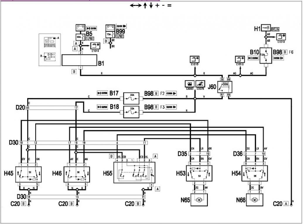
Koledzy czy ma ktoś na stanie schemat elektryczny elektrycznych szyb tylnich w alfie 156
Wysłane z mojego FIG-LX1 przy użyciu Tapatalka
Printable View
Koledzy czy ma ktoś na stanie schemat elektryczny elektrycznych szyb tylnich w alfie 156
Wysłane z mojego FIG-LX1 przy użyciu Tapatalka
program autodata - tam masz wszystkie schematy... (na chomiku/torrencie znajdziesz do sciagniecia)