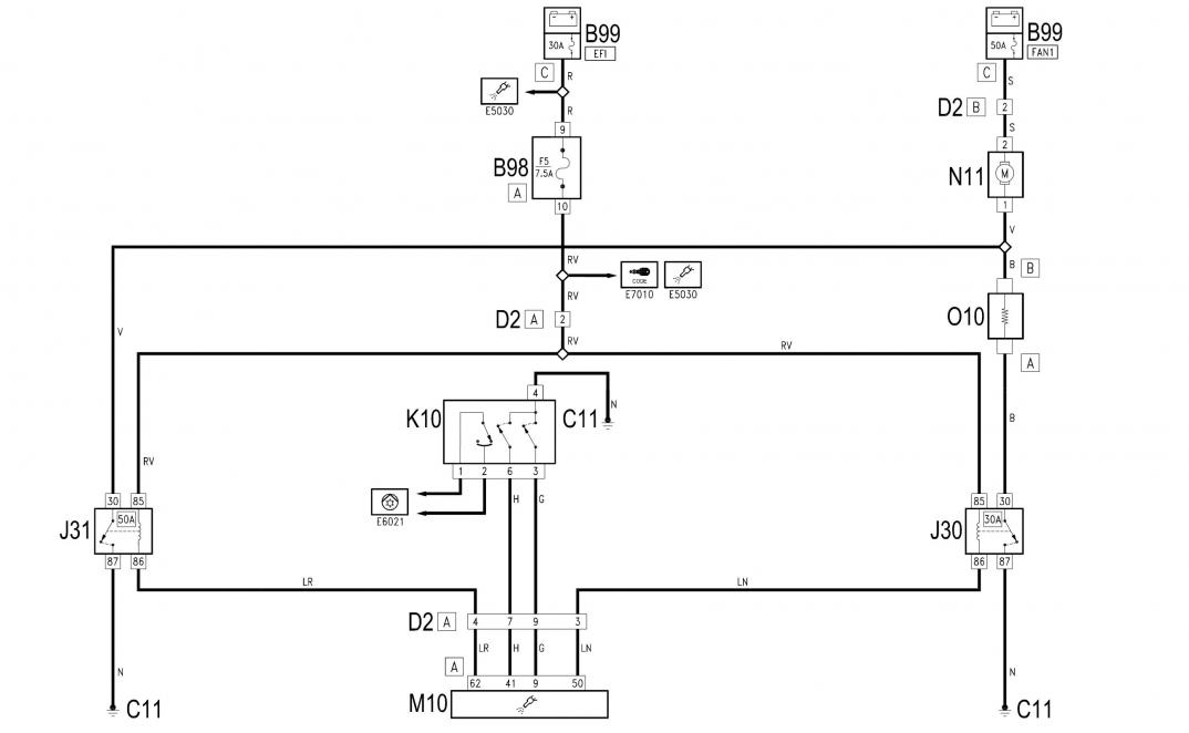
Zmiana instalacji elektrycznej wentylatorów chłodnicy
Siemka wszystkim.
Chiałbym zmienić u siebie chlodzenie z jedno na dwu wentylatorowe. Czy ktoś już coś takiego robił u siebie? Wiązkę kompletną na dwa wentylatory kupiłem. Dorobić będę musiał przewód idący z tyłu akusa z FAN2 i pytanie jak podpiąć przewody we wtyczce D2[B] jest to wtyczka 3-pinowa
Obecnie mam wtyczkę dwu pinową, ale tylko z jednym przewodem (różowym). Nowa wtyczka posiada 3 piny i wszystkie są okablowane.
Różowy obecny i dorobiony przewód z za akumulatora będzie zasilał jak rozumiem oby dwa wentylatory a skąd wziąć ten trzeci? Czy on idzie może z EFI?
Może ktoś z was robił taki zabieg i wie jak to podłączyć do wtyczki D2[B] mieszczącej się pod pasem górnym przy lewej podłużnicy.