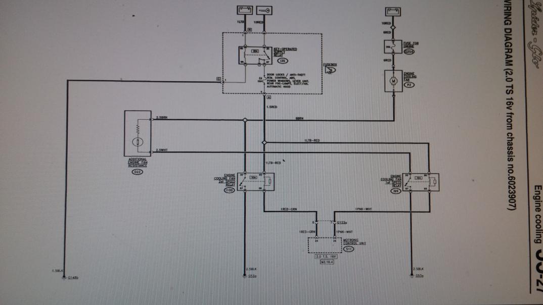
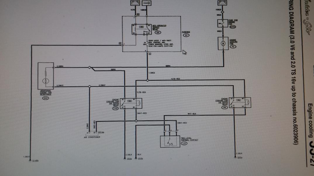
Nie działajacy wentylator chłodnicy
Witam, koledzy walka trwa nowy termostat wentylator na krótko działa a przy 100 st. Na zegarze nie rusza gdzie w gtv z rocznika 95 są odpowiedzialne za niego przekaźniki i bezpieczniki ? Do nowszych roczników znalazłem schematy ale w 95 jest chyba trochę inaczej i ręce już mi opadają brakuje mi działającego wentylatora żeby wyjechać po roku walki :(( rezystor wygląda jak nowy chyba był wymieniany przez poprzedniego właściciela..
Jest ktoś w stanie powiedzieć co krok po kroku wymienić sprawdzić ?