-
2.4 JTD 10v nie odpala
Witam wszystkich.
Moja Alfa 166 stwierdziła, że zacznie płatać figle i mam z nią spory problem. W zimę zaczęła trochę gorzej odpalać (czasem był do tego potrzebny plak) ale jak już się uruchomiła to mogła postać i później bez problemu odpalała. Pierwsza myśl, czujnik położenia wału bo kiedyś już wyskakiwał błąd P1320, błąd czujnika położenia wału. Więc zamówiłem ten czujnik, jeszcze wcześniej sprawdzając na starym jego numery żeby kupić identyczny. Efekt taki, że teraz już w ogóle nie odpala.... Na plaku udaje się odpalić na chwilę i jak tylko się go odłoży, gaśnie. Komputer diagnostyczny pokazuje dalej błąd p1320 ale z treścią "nieznany kod usterek". Jest to silnik 2.4 JTD 10v tylko wspomnę. Halla była wymieniana jakieś 2k temu (bo więcej nią nie zrobiłem w tym czasie), od komputera do kostek przejście jest więc kable nie są przerwane, immo nie blokuje, kręci i nie odpala. Jakieś pomysły? Mam to auto już prawie 2 lata, więcej stoi niż jeździ i zaczynam mieć juz dosyć jej wiecznych humorów :(
-
1. Zmierz rezystancję czujnika. Powinien mieć ok. 900 Ohm.
2. Przy próbie odpalenia komp widzi obroty?
-
1. Czujnik wychodzi, że jest git i stary i nowy.
2. Komputer nie pokazuje obrotów przy odpalaniu
-
Sprawdź wiązkę pomiędzy ECU a czujnikiem.
Zerknij przez otwór czujnika czy pierścień impulsatora na wale sie nie rozpadł.
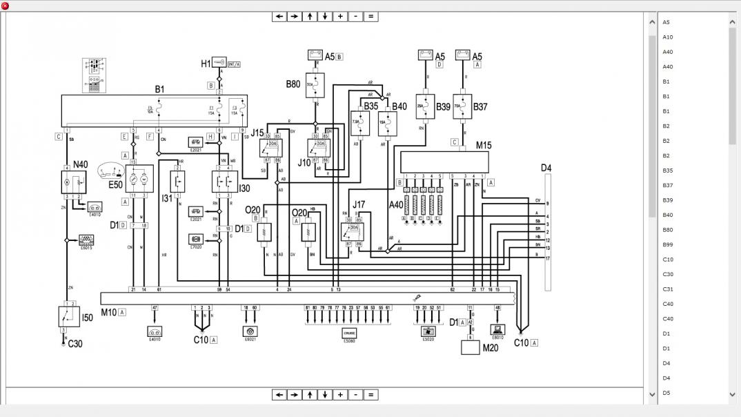
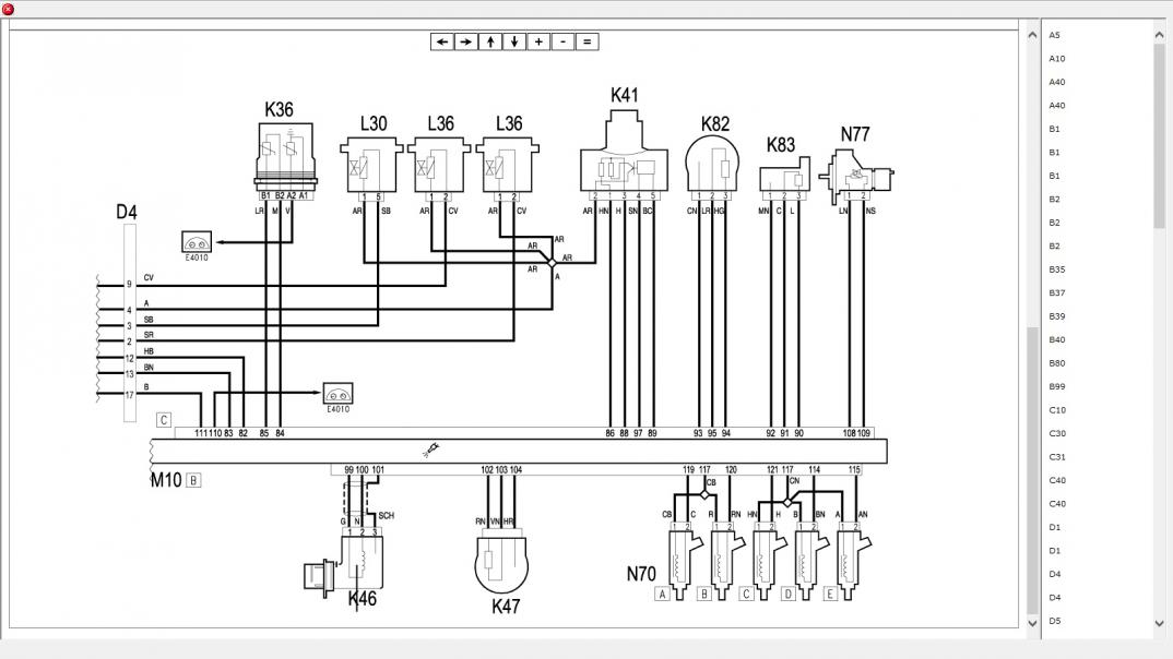
Jak bedziesz potrzebował schematy to pisz.
-
Jakbyś mógł podesłać to bym był wdzięczny.
]
-
3 załącznik(i)