Tylko problem w tym że w miejscach 10,11,14,15,32 odchodzą przewody w stronę kabiny (1 zdjęcie) tylko wtyczki nie ma do tempomatu przy kierownicy. Chyba że ją ukryli pod górną obudową.
Printable View
Tylko problem w tym że w miejscach 10,11,14,15,32 odchodzą przewody w stronę kabiny (1 zdjęcie) tylko wtyczki nie ma do tempomatu przy kierownicy. Chyba że ją ukryli pod górną obudową.
Aa, w ten sposób. Z tego co pamiętam jak studiowałem temat dokładania tempomatu to wtyczka może być ukryta właśnie pod górną obudową kolumny.
Dzięki za odpowiedź. Dzisiaj podejście drugie rozkręcania :))
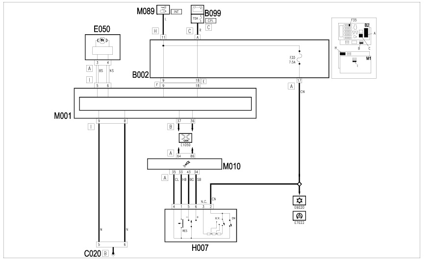
W eLearn`ie znalazłem że wiązka z tempomatu nie idzie przez złącze D001 a bezpośrednio gna na M010. Ktoś coś wie na ten temat?Załącznik 242073
eLearn pociągnąłem z linku na forum.
- - - Updated - - -
a tutaj z internetów podłączenie tempomatu
Załącznik 242074
Pytanie czy w eLearn są schematy z przed liftu ( moja Alka jest z 2006 ) a po lifcie tempomat jest podłączany za pomocą "pośredniczącego" złącza D001 ?
Po rozkręceniu górnej obudowy kolumny okazało się że wtyczka siedzi przyklejona głęboko w kolumnie kierowniczej. Jak widzicie coś przyklejonego go innej wiązki kablowej to odklejcie to. W moim jakiś makaroniarz zakleił wtyk w folii z bąbelkami i dodatkowo taśmą bezbarwną i umieścił głęboko.
Załącznik 242113Załącznik 242113
Załącznik 242114
zrobił tak, pewnie żeby się nie tłukło.
eLearn jednak nie działa jak trzeba.
- - - Updated - - -
Koledzy, jeżeli już mam wtyk i gniazdo w rozłączniku na wciśnięcie manetki od tempomatu rozumiem że jak dostane samą manetkę to będzie działać ??? czy alfa szykuje kolejne zaskoczenie ?
Będzie działać od razu. Jak chcesz żeby deska pokazywała info o tempomacie to musisz aktywować MESem.
Jeszcze osłonę dolną kierownicy potrzebujesz inną jak dokładasz tempomat, bo Twoja nie będzie miała dziury na manetkę.
anAlfaBeta : osłona zamówiona. MES na pokładzie :)
W MES'ie musisz włączyć kontrolke tempomatu i zrobić osiowanie proxy.
Bez tego manetka też będzie działać po wpięciu, ale bez kontrolki.
Pamiętaj że tempomat działa powyżej pewnej prędkości (teraz nie pamiętam czy 30 czy 40km/h). Możesz zrobić test i sprawdzić czy działa. A później włączyć w MES.