Podziękował danus77.
Wczoraj wieoczorem na szybko wyjąłem licznik. Podpiąłem się miernikiem w Ground i Pin3 no i nie ma prądu po przekręceniu zapłonu. Czyli nie dochodzi napięcie na diodę. Teraz pytanie skąd ten sygnał wychodzi :)
Printable View
Podziękował danus77.
Wczoraj wieoczorem na szybko wyjąłem licznik. Podpiąłem się miernikiem w Ground i Pin3 no i nie ma prądu po przekręceniu zapłonu. Czyli nie dochodzi napięcie na diodę. Teraz pytanie skąd ten sygnał wychodzi :)
W pierwszej paczce schematów masz to rozrysowane.
Ok. Czyli moduł grzania świecami jest zasilany po zapłonie, i zabezpieczony jest bezpiecznikiem. Z modułu grzania świec wychodzą dwie wtyczki. Jedna jest to napięcie na świece, druga "sterowanie" modułem. Tylko co to jest ten moduł M10 do którego dochodzą dwa przewody z M15?
M10 to ECU.
Za błędy winić Tapatalk i operatora MB526
Dzięki danus77. Ok, czyli sygnał wychodzi z modułu do ECU na pin 62 i 22. Tylko na których pinach sygnał przekazywany jest dalej, do licznika? Chyba jestem ślepy.
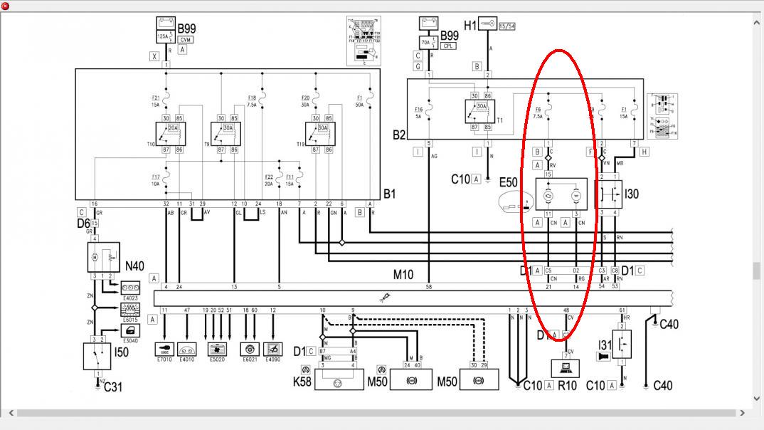
Na schemacie wcześniej szukaj E50 pomiędzy skrzynką B2 a ECU M10 i Złączem C10 a stykiem I30 :)
Na podanych wcześniej schematach miałeś szukać :)
Ale masz poniżej zaznaczone kółkiem (jest tam kontrolka silnika i świec żarowych)
Załącznik 110277