-
Emulacja zmieniarki jest jednym z kolejnych, planowanych etapów. Docelowo poza rozszerzeniem funkcji kierownicy dla wszystkich użytkowników o te, które mam ja chcę zrobić emulację zmieniarki z wejściem linein, a kolejnym etapem także sterowanie ipodem/iphonem (ale tylko 30pin)
Na razie w wolnych chwilach rozgryzam protokół unilink (czyli komunikacji naszego beckera ze zmieniarką sony - tą oryginalną z alfy). Ale to tylko odległe plany ;)
-
No no, to wreszcie trafił się jakiś właściciel 166 z wiedza i zapałem do elektroniki i programowania. To czekam z niecierpliwością na efekty :D i muszę się do Ciebie odezwać w paru innych sprawach programowych których mi brakuje :D programowanie układów na razie jeszcze mnie przerasta....
-
Wiesz, ja jestem webdeveloperem, a scalaki tylko hobbystycznie i w celach poznawczych, ale coś tam już mi się kiedyś udało poskładać i zaprogramować ;) Elektronikiem jestem przeciętnym, jednak podstawy znam. Śmiało pytaj.
A tak w ogóle: potrzeba matką wynalazków, leży na półce stary iphone, kierownica nie działa mi jak potrzeba, nawaliła zmieniarka - no wszystko się pięknie składa :) Przydałby się tylko jakiś ICS do testów w domu, bo w samochodzie testy niezbyt wygodne.
-
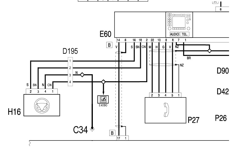
Panowie , ma ktoś schemat podłączenia multifunkcji do ICSa?
znalazłem w elearnie ale z tego co widze są tylko 2 przewody, a z kostki multifunkcji wychodzą mi 4 piny.
-
1 załącznik(i)
-
Mkrol mam ics tylko kodu do niego nie mam... Więc za jakieś grosze bym ci sprzedał
-
KaaC jak to BE2569 to podeślij na pw zdjęcie naklejki bocznej, to Ci dam kod :)
-
A i czemu nie :) Potem odsprzedam bezstranie z zestawem developerskim testowym urządzenia ;) Tylko kiedy na to czas znaleźć, ostatnio zmieniłem pracę, przeprowadziłem się do innego miasta i ledwie ogarniam czas na sen.