jasne to nic nie dało jak by sygnał z komputera nie dochodził do fan1 jak by tego było mało to błąd P0404 EGR zaślepiony po prostu zaginą
Printable View
jasne to nic nie dało jak by sygnał z komputera nie dochodził do fan1 jak by tego było mało to błąd P0404 EGR zaślepiony po prostu zaginą
To nie pozostaje nic innego jak miernik i kontrolka w łapki i szukanie przejść i prądu :)
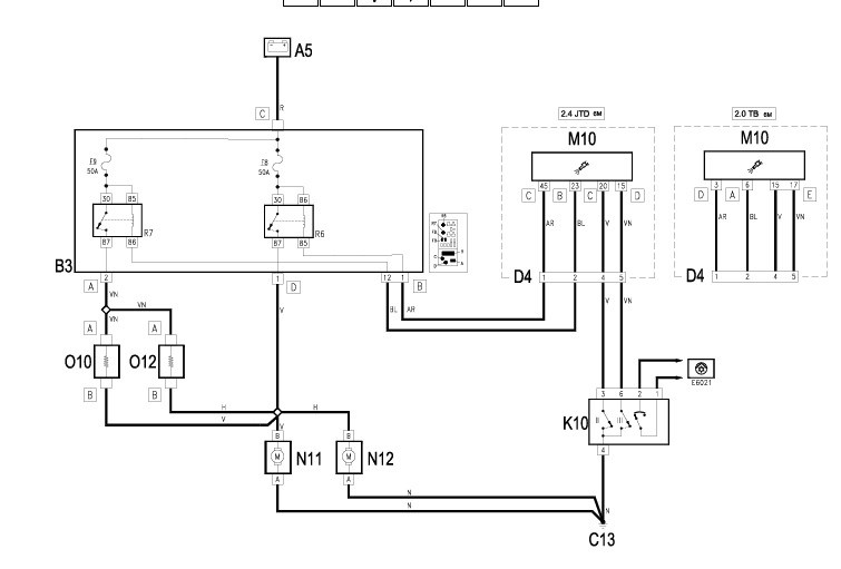
http://www.forum.alfaholicy.org/atta...d=170664&stc=1
Super dzięki za schemat jeszcze dzisiaj zobaczę pod maskę dam znać jak coś znajdę
Panowie według schematu teoretycznie jest ok ale marchewka się pali. ostatnia próby z miernikiem i nic odpalam autko klima off P0480 brak sił,i tu nagle jak załączę klime to błąd znika sam nie wiem co to morze być .Muszę sprawdzić czy jak klima działa to z FES mogę wysterować fan 1 jakieś pomysły
Prawdopodobnie zawiesił Ci się presostat. sprawdź na wyłączonym silniku czy nie masz przejścia na stykach 3 i 4 presostatu. Bo rozumiem, że jak tylko załączysz klimę to wentylator startuje na 1 biegu ?
tak klima załączona 1 bieg wentylator chodzi