Troszkę tego i owego:
Załącznik 240338Załącznik 240339Załącznik 240340Załącznik 240341
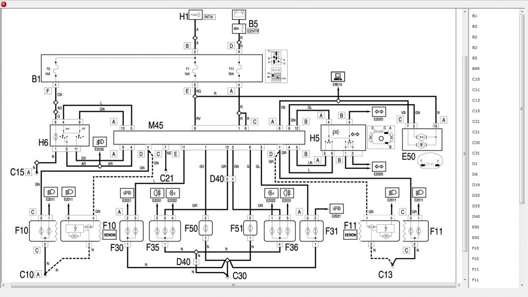
Poniżej cały czas piszę o module M45, czyli zielonej skrzynce pod kierownicą.
Zewrzyj piny 4 i 5 na wtyczce A i zobacz co się dzieje.
Jeśli chodzi o grzanie szyby, to załącz i zobacz czy masz masę na pinie C10. Jesli nie to podaj i zobacz czy ruszy.
Co do świateł, to takie małe pytanko, czy aby na pewno masz włożone prawidłowe żarówki ?
Connector "A"
1, Not connected
2, Input for fog lights
3, Not connected
4, Output to earth for side lights, number plate lights, fog lights switch
5, Side lights and number plate lights input
6, Warning light output, to the control panel, lights failure summary
7, Not connected
8, Not connected
9, Parking lights input
10, Rear fog lamps input
11, Heated rear windscreen input
12, Handbrake button input
13, Parking lights output
14, Not connected
15, Not connected
16, Not connected
17, Not connected
18, Not connected
Connector "B"
1, Brake pedal contact positive input
2, Warning light output, to the control panel, heated rear windscreen
3, Warning light output, to the control panel, rear fog lamp
4, Right parking light output
5, Left parking brake light input
6, Dipped beam flash control output
7, Fog lamp warning light output to control panel
8, Engine rpm input
9, Side light warning light output to control panel
10, Not connected
11, Timed handbrake warning light output to control panel
12, Parking brake output to steering column switch unit
Connector "C"
1, +12C input from battery
2, Brake lights fuse input
3, Tow hook preparation rear fog lamp output
4, Tow hook preparation side lights output
5, Tow hook preparation brake lights output
6, +12V input from battery
7, Earth input
8, Earth input for diagnostic equipment
9, Input for ignition in ON position (+15)
10, Output for heated rear windscreen relay feed
11, Line K for diagnostic equipment
12, Not connected
Connector "D"
1, Output for fog lights relay feed
2, Not connected
3, Not connected
4, Right front side light output
5, Dipped headlamps relay feed output
6, Left front side light output
Connector "E"
1, Left number plate light output
2, Right rear side light output
3, Additional right rear side light output
4, Right rear fog lamp output
5, Right brake light output
6, Right number plate light output
7, Left brake light output
8, Third brake light output
9, Not connected
10, Left rear fog lamp output
11, Additional left rear side light output
12, Left rear side light output