W takim przypadku sprawdź ustawienie świateł oraz samopoziomowanie. Jeśli wszystko ok. to czeka cię regeneracja odbłysków. O wszystkich tych zagadnieniach pisaliśmy już wielokrotnie
Wysyłane z mojego MB526 za pomocą Tapatalk 2
Printable View
W takim przypadku sprawdź ustawienie świateł oraz samopoziomowanie. Jeśli wszystko ok. to czeka cię regeneracja odbłysków. O wszystkich tych zagadnieniach pisaliśmy już wielokrotnie
Wysyłane z mojego MB526 za pomocą Tapatalk 2
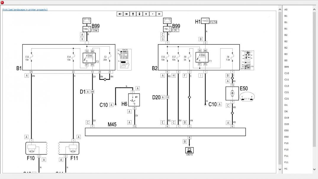
odświeżam temat, ponieważ mam bardzo podobny problem (Alfa Romeo 166 FL). Nie pracują światła drogowe sygnałowe (te pracujące na h1). Żarówki wymieniłem na nowe, ale bez rezultatu. Nie znalazłem bezpiecznika stricte do drogowych.
czy ktoś wie jak sobie z tym poradzić lub gdzie szukać? Dzięki!
Dzięki, danus77. Podpowiesz coś dla laika?
Sprawdziłem wszystkie bezpieczniki pod maską i większość obok kierownicy. Ze schematu próbowałem też odnaleźć przekaźnik T1.
Sprawdź przekaźnik t2 w skrzynce w komorze silnika. T1 jest pod kierownicą
Wysłane z mojego moto g(6) przy użyciu Tapatalka
Dzięki, danus77. T2 sprawdziłem już wcześniej zamieniając miejscami z innym. Niestety to nie pomogło, a że nie mam garażu ani farta do pogody oddałem w ręce mechanika. Niemniej jednak dzięki za pomoc! Zobaczymy jaki będzie tego efekt.