Wiązka przewodów (około 6) pod dziurą na pierwszym zdjęciu musi być od rezystora ponieważ innych wolnych przewodów tam nie ma.
Printable View
Wiązka przewodów (około 6) pod dziurą na pierwszym zdjęciu musi być od rezystora ponieważ innych wolnych przewodów tam nie ma.
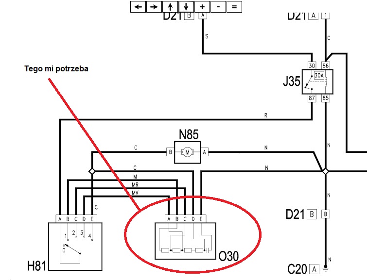
Na schemacie wygląda to tak.
Załącznik 27541
Ktoś przerobił układ elektronicznego sterowania prędkością nadmuchu i wywalił "końćówkę mocy" i to nie jest rezystor czy opornica lecz elektroniczny regulator. Dziś swój naprawiłem bo przestał wiać nadmuch. Jeśli ktoś nie chce wydawać na nowy ok 200 zł to naprawić. Znam wyprowadzenie kabli z pokręteł nastawienia siły nawiewu. Wydaje mi się że ktoś przekaźnik założył i dlatego dmucha tylko na full
---------- Post added at 22:51 ---------- Previous post was at 22:48 ----------
sorry nie doczytałem...w twoim jest zwykły opornik-rezystor z odczepami. Pozdrawiam
W takim razie co ja muszę mieć u siebie; rezystor, opornicę czy jeszcze coś innego.
A więc rezystor. Czyli opornica którą sprzedaje kolega z linku bociana?
Załącznik 27542 Moja sugestia co do elektronicznego regulatora obrotów nadmuchu dotyczy tego elementu co na zdjęciu
Załącznik 27543stawiam na taki rezystor
kup i podłącz i ciesz się regulacja. Na allegro jest dużo takich rezystorów
Pozdrawiam
Moje uszanowanie.
Bardzo dziękuję wszystkim za odpowiedzi, za pomoc. Właśnie napisałem PW do użytkownika michal87tg z proźbą o fotki tego rezystora.