-
jak masz już auto rozgrzane, złap za wąż idący z termostatu do nagrzewnicy i drugi idący z nagrzewnicy do termostatu. Jeśli 2 będzie zimny, to masz zatkaną nagrzewnicę. Może ktoś ratował chłodnicę i dolał czegoś do płynu.
- - - Updated - - -
a jak są oba gorące, to np. silniczek od sterowania przesłoną nagrzewnicy padł (bo przez nagrzewnicę cały czas przepływa ciecz), albo coś z centralką klimy, czujnikiem temp....
-
Jestem po resecie kompa od klimyi powiem tak.Bella się nagrzewa i już do ok 70C zaczyna leciec cieple powietrze przez kratki i robiłem tak. Temp ok 70C nawiew na 2 kreski ustawiona temp 19 i zaczyna byc dobrze jendak jak zwiekszam obroty zaczyna leciec mniej cieple powietrze az w koncu lodem daje. Nawet przy 90C jak ustawie powiedzmy 21C jedzie lodem na wyzszych obrotach wentylatora niz 2. Co najgorsze jak juz sie zaparkowalem myslalem ze bedzie no lecialo cieple powietrze a tu d... z 10 min siedzialem i nic z tego nawet ponowne odpalanie nci nie daje. Co do kompa to po nowym roku będe mieć okazję jednak wątpie czy coś pokaże przy zakupie (15 grudnia:) ) była podczepiana i nci nie bylo aż się zdziwiłem
sry za poprawna polszczyzne ale jakos przez swieta niemam glowy do niczego
-
a klimę też spr? zrób test jak ustawisz temp na HI
-
Niestety klimy nie sprawdzałem 1 niemam grażu a 2 jak kupowałem juz była zima i temp na -C . Jak ustawie temp na HI to nie leci do końca lodowate powietrze tylko takie chłodnawe po jakims (dłuższym czasie robi sie cieplejsze. Jednak wolałbym żeby mi się szybciej w środku ciepło robiło niz po przejechaniu ok 20km. Bo to żadna radość jechać zimnym autkiem do pracy i wysiadać jak dopiero sie ciepłe w srodku robi.
-
1 załącznik(i)
u mnie po 3min leci cieple powietrze (20stC gdy na zewnątrz jest 0) silnik ma wtedy 30stC więc nawet wskazówka nie drgnie, a ciepłe leci (i mówię tu o sytuacji, gdy podgrzewacz wody jest odłaczony)
Sprawdź temp. węży o których pisałem wcześniej
Załącznik 80918
-
emo94 Dziękuję za fachowy rysunek jednak juz chyba znalazlem winowajcę podczas powrotu do domu od znajomych.Wydaje mi się że jest to termostat. Otóż wracam sobie do domu ogrzewanie ladnie działa, wjeżdzam na obwodnicę patrze z przodu nic z tylu nic no to but...nie powiem ile jechałem bo troszke szybciej niż przepisy. Po przekroczeniu pewnej prędkości patrze a tu wskazówka od temp wody już prawie na 130C stoji no to odrazu wychamowanie i pobocze wysiadam podnoszę maske chlodnica zimna nic nie wycieka. Po ok 3 minutach wsiadam odpalam i jade dalej temeratura zaczeła falować na poczatku obroty powyżej 2,5 tys i wskazówka w gorę obroty spadaja to i wskazówka w dół. I tak dojechałem do domu ze sednią prędkościa 85.
A co do wężyków i przewodówto jak sprawdzę dam znać żaden ze mnie mechanik ale po ciemku raczej nie dam rady sprawdzić
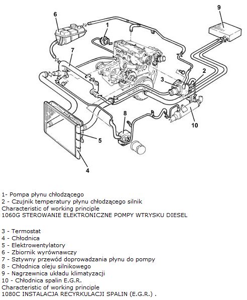
btw. skąd masz taki fachowy rysunek ?
-
to jest z elearna ale do 156, pewnie i do 147 po polsku jest - poszukaj na forum :)
termostat (przynajmniej u mnie w JTD CF3) działa tak, że jak jest zimny płyn to zamyka obówd chłodnicy. Natomiast jak jest gorący silnik, to otwiera przepływ na chłodnicę, a przytyka wylot idący na nagrzewnicę. Więc dziwne jest to, że skoro zawiesił się w pozycji pracy zimnego silnika, to miałeś problem z ogrzewaniem... niemniej jednak, jak rura do chłodnicy była zimna, a butowałeś, to wymień termostat. jak się raz zawiesił to nie ma co kombinować.
-
Sprawdzałem te 2 przewody oba sa cieple nie gorace ale cieple. Mam jeszcze dwa pytania 1 zauwazylem ze zbiornik z plynem chlodzacym jest delikatnie cieply nawet po osiagnieciu 90C czy to tak powinno być. 2 z termostatu do chłodnicy przewód jest goracy a od chlodnicy nawet cieply czy tak ma być?
zostaje mi juz do sprawdzenia czujnik w kabinie (gdzies musze zlokalizowac) sama nagrzewnica bo moze jest jakos przytkana czy cos i ten termosta który pewnie i tak wymienie bo mi się nie podoba bo jakies zacieki na nim sa
-
zbiorniczek wyrównawczy cały casz jest właczony w obieg płynu, więc to normalne, że ma temp. silnika.
skoro dziś wąż idący do chłodnicy jest gorący, tzn, że termostat się odblokował (ale i tak go wymień). ten dolny jest ciepły, bo przez chłodnicę (na postoju) nie przelatuje zimne powietrze :) jakbyś jechał, albo załączyłby się wentylator, płyn byłby sporo chłodniejszy.
do czujników to warto kompa użyć, może centralka pokaże błąd czujnika (bo jest kilka), ale z tego co pamiętam są tam termistory 10kohm (taki jak w lusterku od temp. zewnętrznej), ale nie wiem o jakiej charakterystyce.
węże idące do nagrzewnicy powinny być gorące ;/
-
wielkie dzięki za rady szkoda ze ty nie z LBn bo bym już po flaszke zasówał... btw zbiorniczek od plynu jest cieply nawet jak silnik juz ma swoją temp a zastanawia mnei to dlatego że np u mojego ojca jak silnik osiagnie swoją temp to ten zbiorniczek jest ... no dotchnąć się nieda prawde mówiąc...
eh widze do wahacza osłony przegubu termostatu dojdzie mi jeszce nagrzewnica...dobrze że częsci do tego silnika nie są jakoś bardzo drogie.. Jak załatwie sprawe lub coś się wydarzy napewno napisze...