sobota, bardziej niedziela
piątek odpada
Printable View
sobota, bardziej niedziela
piątek odpada
gdybyscie zrobili sobota kolo 17 to moze wlece na chwile
Ja jade na Lednice więc mnie nie ma
Mi chyba też najbardziej odpowiada niedziela (przynajmniej w ten weekend) aczkolwiek w piątek czy w sobotę też jakoś dałbym radę :)
to juz nie wiem sam mi naj bardziej odpowiedni termin to niedziela godzina 17 18 miejsce nie ma znaczenia
Sądzę, że plac wolności koło PKO odpada z powodu euro i strefy kibica. Natomiast dziś o 21 na termach chyba rzeczywiście bmw ma spot. Z powyższych postów wynika, że chyba najbardziej odpowiadałaby wszystkim niedziela i myślę, ze godz. 17 jest OK. zatem.....
TERMY godz. 17:00
(w razie co zawsze mozemy to zmienić, chodzi tylko o to aby na coś się zdecydować)
Pozdrawiam!
mi pasuje
No ja odpadam ;) w takim razie do zobaczenia po wakacjach ;) kto wie może już czymś innym jak czerwoną :D
To może niech się każdy zdeklaruje, a nie przyjade 45km w jedną stronę i nikogo nie będzie.
Panoowie ja sie deklaruje że w weekend nie dam rady!!!!!!!!!!ALE zapraszam wszystkich chętnych do mnie 08 06 2012 na malutkie rozpoczęcie euro !!!!!!!!!!!!!!!!!!!!!!!!!!!!!!!!!!!!!1
Ja deklaruje, ze będę :D mattom jeden dzień w tą czy w tą a przynajmniej będziesz na spocie ;)
Nie da rady ;) Jutro punkt 11 kierunek Dolny Śląsk :D
Niedziela 17 jest ok. Tylko czy to pewniak??
jesli chodzi o mnie to niedziela godzina 17 pasuje:) moze parking m1 jak bedzie pogoda :P
lepiej termy
mi jak się uda to wpadnę tylko na chwilkę bo około 18 musze wyjechać na górny śląsk
Już teraz nie zmieniajmny i niech zostaną TERMY bo zjedziemy się w dwa miejsca :/
zatem tak jak wcześniej
TERMY godz. 17
Parking od strony Warszawskiej
Dobra pasuje godzina 17 termy bede ;D
Ok, będę.
@edit
Sory panowie, nagła zmiana planów i nie dojadę.
Witam. Mam male pytanie co robicie na tych termach gdy sie spotykacie? Gdy pogoda nie sprzyja tak jak dzisiaj jak dla mnie spoty w M1 i na malcie w galerii bylo idealne mozna usiasc pogadac zjesc wypic kawe cinek powinienes pamietac jak sie spotykalismy i spoty trwaly 2 godz. wrocmy do starych miejsc taka moja propozycja
potwierdza sie opcja ze malta i m1 jest najlepszym wyjsciem ja tez osobiscie jestem za m1 bo ten wyjazd z galerii malta w weekendy nie jest fajny :P a pasowaly mi dzisiaj termy bo tak juz bylo ustalone nastepnym razem wydaje mi sie ze m1 bedzie lepiej
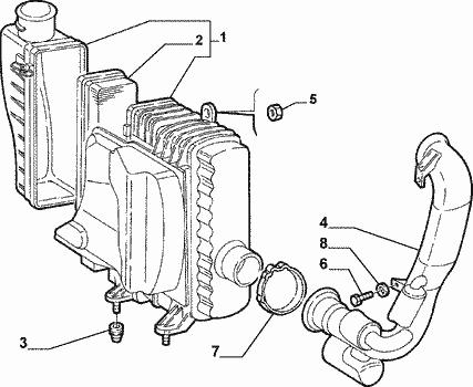
dla kolezanki od czarnej 147,
http://allegro.pl/obudowa-filtra-pow...328011229.html
http://allegro.pl/alfa-romeo-147-fil...365142342.html
http://allegro.pl/obudowa-filtra-pow...380925296.html
ktoras z tych czesci bedzie dobra do twojej alfy, plus jakis filtr i powinno bys ok.
no i ten wariator pewnie bedzie do robienia
Dzięki, dzięki :) Filtr obowiązkowo kupuję!!! Wariator sobie póki co odpuszczę ten 1000 mnie przeraża, chociaż nie wiem teraz co mam najpierw zrobić: wariator czy katalizator :/
1.6 ts 105 km nie ma wariatora chyba ze chodzi o inne auto to sorry
Jak jest wariat to jest 120 km.Moze olej albo napisac na forum 147 albo poczytac gdzies cos kiedys bylo o tym.pozd
koleżanko musisz szukać takiej obudowy Załącznik 58221
Ale robicie burdel luźne rozmowy róbcie w off topic'u a nie tu !!!!!!!!!!!!!!!!!!!!!!!!!! a co do wyjazdu z galerii w weekend przynajmniej było wesoło heheheheheheh
zawsze mozna bylo isc sie zapytac do ochrony co sie dzieje i uzyskac odpowiedz nie wiadomo :D koledzy juz tam kieruja ruchem hahahhaha :D
wypowiadacie się jakbyście siedzieli w samochodzie godzine na wyjeździe z miejsca parkingowego :) śmieszne. jeśli chodzi o spoty w niedziele w malcie to przy tej pogodzie to też jestem za!
I wszystko jasne więc ustalmy jedną podstawową rzecz gdy słonce temp powyżej 20 st parking m1 a gdy pogoda taka jak dzisiaj galeria malta parkin 5 lub 6 piętro i na boga już nic nie zmieniajmy!!ok??
halo halo :D robimy cos jutro bo kompletna cisza :)
Ja osobiście jestem za tym, aby zrobić jakiś spot :) Nie chcę się znowu wychylać, ale żeby nie było może Malta o 17 albo 16 bo pewnie kibice będą chcieli zdążyć na mecz :)
- - - Updated - - -
Co Wy śpicie o tej godzinie czy co, że nikt nie odpisuje? ;) :D
odpadamy choroba
To jak są jacyś chętni oprócz mnie? Bo jak nie to sam nie pojade :P
- - - Updated - - -
OK, ja i tak jednak jadę w tamte rejony, więc będę na parkingu Malty ok. godz 17
W razie by się coś zmieniło dajcie znać na kom. bb9 I35 227
Pozdro!
- - - Updated - - -
No dzisiaj było szeroko :D Zjawiła się tylko jedna Alfa i to w dodatku moja :D
Ale na (chyba) 3 piętrze była zaparkowana srebrna 156 SW z bagażnikiem na dachu i klubowymi ramkami, niestety właściciela nie było :)
o kurczak ! ktoś sie na mnei wzoruje haahha :D We wtorek ostatni raz w sezonie odwiedzam pyrlandie wiec wypatrywać 147, ale już bez boxa :D
- - - Updated - - -
Nie ma co się przejmować bywało i tak ;) Mam nadzieje, że po wakacjach alfaholicy ruszą na spoty ;) bo znów nie będe miał co w weekendy robic ;)