źle narysowane ale dobrze ponumerowane jest.
Printable View
źle narysowane ale dobrze ponumerowane jest.
Kiedy pierwsze próby odpalenia?
dzięki wielkie za pomoc w rozszyfrowaniu przewodów, prawie wszystkie podłączone :D Zastanawia mnie linka prędkościomierza, podejrzewam że będzie z nią również problem, w starym silniku było na linkę tu jest elektronicznie, trzeba będzie coś pokombinować :( Co do odpalenia to sam nie wiem jeszcze troszkę pracy zostało, mam nadzieję że w tym miesiącu serce zabije ;)
a ta linka ze skrzyni nie idzie ?? i zegary też chyba stare masz??
faktycznie linka idzie ze skrzyni :D
jutro "zabieram" się za elektrykę, a raczej elektryk bo temat nie dla mnie. Ciekawe jak pójdzie, bo trzeba wiązkę od sprinta przerobić tak by zgrać ją z silnikiem i przekaźnikami od 33. U siedmiu elektryków byłem i żaden nie chciał się tego podjąć :( każdy woli chyba szybką robotę, lub się nie znają, ale na szczęście znalazł się jeden i wydaje mi się że zna temat.
Masz całkowita racje znależć w tej chwili dobrego elektryka graniczy z cudem!
- - - Updated - - -
Każdy liczy na szybko i dobrze płatną robótkę a w tym wszystkim nie o to chodzi.
dokładnie, a zapytania elektryków z jakim się spotkałem podczas ich szukania, jeszcze bardziej potwierdzają moją opinię na ich temat. Podjechałem do jednego z nich i pierwsze pytanie jakie mi zadał to:
E:"a jakie auto"
Ja:"Alfa Romeo"
E:"oj nie nie dziękuje"
Ja:"czemu Pan nie chce robić, przecież to prosta elektryka, bez żadnych komputerów"
E:"bo to Alfa a ja takich aut nie robię"
Dobre,dobre i jeszcze raz dobre jest w telewizji taki serial nie pamiętam tytułu ale też tam jest taki warsztat który nie naprawia włoskich samochodów gdyż one nie są naprawialne!!
Kolega redziar nic nie pisze jak tam dalej przebiega projekt,mam nadzieję że nie rozmyślił się i go nie zaniechał.
rozmyślić w życiu! Od dwóch lat reanimuję ten samochód i powoli zbliżam się ku końcowi, prace elektryczne prawie zakończone, zostało jeszcze parę kabelków i powinno być finito ;) Nie jest łatwo odbudować wszystkie przewody i podpiąć je w skrzynkę bezpieczników, we właściwe miejsca i do tego przystosować silnik od 33, tak by wszystko współgrało ze sobą. Mam nadzieję że mi się to uda. Jak tylko skończę to wrzucę parę fotek ;)
No wreście bo myślałam że to już był koniec!
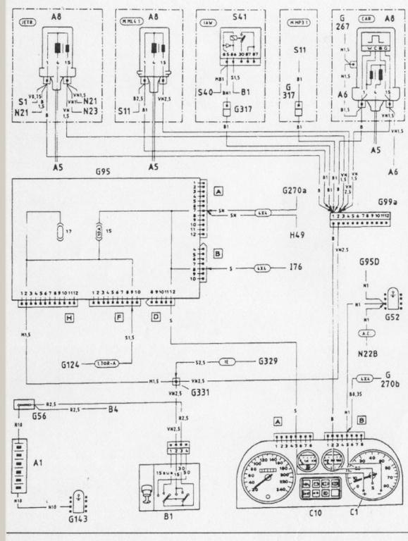
co to za wtyczka, ta pierwsza z dołu?qudlacz wprawdzie pisał że chyba klima, ale od klimy jest ta środkowa, dodam iż zakończona jest takim cyplem wewnątrz. Jeśli nie mam zamontowanej sondy ani filtra węglowego, może to zakłócić prace silnika?W jaki sposób jest sterowany obrotomierz w 33, steruje nim komputer czy może jakiś czujnik? W sprincie był kabel podpięty do jakiegoś czujnika, który teraz zwisa bezwładnie, bo nie wiem gdzie go wpiąć, więc obrotomierz nie będzie działał. Czy mój silnik ma gdzieś czujnik ciśnienia oleju, również ten kabel sobie dynda nie podpięty. Potrzebuję jeszcze schemat taki dokładny jak poniżej tylko od mojego typu silnika AR30753, bo ten nie pasuje. Każda informacja na powyższe pytania bardzo by mi pomogła, nie wspominając o schemacie ;)
Załącznik 91665Załącznik 91666
Redziar, wg. tego schematu to do obrotomierza powinieneś mieć pojedynczą wtyczkę z, dochodzącym do niej, białym(na schemacie jest B?) kabelkiem:
Załącznik 91729
Plik ze schematami mam ze strony: http://alfaromeo33.extra.hu/ ale nie ma w nim niestety wiązek silników.
Sondą bym się nie przejmował, sam jeżdżę z odpiętą, zresztą sonda do Twojej wersji kosztuje krocie. Co do filtra węglowego to się nie wypowiem.
w wersjach bez filtra węglowego zawór był zastępowany diodą, a przynajmniej jest tak u mnie.
czujnik ciśnienia oleju ... przy filtrze oleju albo na środku bloku od strony przegrody.
schemat wiązki silnika w załączniku.
obrotomierz sterowany z kompa. dorzuciłem ci jeszcze jeden schemat na to, jak byś miał problemy z rozczytaniem pisz.
- - - Updated - - -
w sprincie obrotomierz podpięty pod cewkę zapłonową był.
- - - Updated - - -
niewiadoma wtyczka ze zdjęcia to obrotomierz
dokładnie jeden czujnik ciśnienia oleju jest przy filtrze oleju, który to sygnalizuję na desce rozdzielczej lampką czerwoną, a czy jest jeszcze gdzieś nadajnik ciśnienia oleju, który pokazuje na desce rozdzielczej jakie jest obecnie ciśnienie, nie pamiętam w ogóle czy w 33 był taki wskaźnik, jeśli go nie było to lipa, będę wskaźnik mieć nieaktywny . Jest jeszcze taka czarna wtyczka dwu żyłowa oznaczona nr. 27 lub 28 na schemacie z tym że schematu nie mogę znaleźć :( również nie wiem gdzie ją podpiąć. Obrotomierz raczej nie będzie działać bo tu mam dwie podwójne cewki, do których nie podłącze, a nie wiadomo jak podpiąć go bezpośrednio do komputera i czy w ogóle to ruszy. Dzięki Wam za pomoc ;)
nadajnika ciśnienia oleju w serii nie ma a le montujesz go na środku bloku, prędkościomierz podpinasz pod nieznaną wtyczkę obok przekaźników głównych. zamieściłem ci schemat pdf... " bez problemów powinno się dać go uruchomić" jak nie dojdziesz jak, odezwij się to coś ci wyjaśnię. z tą wtyczką 27/28 podaj więcej szczegułów: w którym miejscu, jaki kształt wtyku, jakie kolory kabli.
Qdlacz, w IAW jest cewka taka jak u mnie, prawda? Ona jest praktycznie nad samym otworem w bloku pod czujnik ciśnienia, więc jeszcze tak pomyślałem, że warto by sprawdzić, czy jedno z drugim się zmieści, ewentualnie móc przerobić mocowanie cewki, póki wszystko jest na wierzchu.
tak w IAW podwójna cewka na środku, jak się nie zmieści to zamiana miejsc może , czujnik od kontrolki na środek a od wskaźnika na filtr.
dzięki chłopaki za pomoc ;) z tym czujnikiem to chyba damy radę podłączyć, rozmawiałem ze znajomym mechanikiem i też mówił że nie powinno być z tym większych problemów, umówiony jestem z nim na piątek, więc zobaczymy. Ten kabel wolny co pokazałem na zdjęciu jest od obrotomierza czy prędkościomierza?Jeśli od prędkościomierza to i tak mi nie jest potrzebny, bo linkę podłączę bezpośrednio do skrzyni, jednak mam taki problem że pozostał mi sam pancerz i nie wiem jakie powinno być jej zakończenie wchodzące do skrzyni, wprawdzie na schematach jest pokazane ale zbyt ogólnikowo. Nie ma ktoś przypadkiem takiej linki na sprzedaż lub zdjęcia na wzór bym mógł dorobić. Jak jest z tym obrotomierzem qdlacz007 bo już się pogubiłem, skoro jego wartości brane były z cewki, a tu chyba z komputera, to będzie wskazywał poprawnie, jeśli w ogóle uda mi się go podłączyć.
Ten niewiadomy kabel o którym wspominałem (27 i 28) idzie chyba trzeci lub czwarty od komputera dwużyłowy, pasowałby do klaksonu ale raczej to chyba nie jest, zakończony jest dwoma żeńskimi końcówkami, będę w piątek w garażu to zrobię zdjęcie.
dzisiaj próbowałem odpalić Sprinta i niestety nie udało się :( raz zaskoczył na jakieś 5s. a później kręci kręci, momentami zaskakuje ale nic po za tym. Paliwo dostaje, wtryski rozpylają, iskra jest, od czego mam zacząć i co sprawdzać po kolei, może komp błąd wywalił lub jest to jakaś drobnostka, coś źle podłączone?
sprawdź poprawność podłączenia przewodów, sprawdź przewody vacum do czujnika podciśnienia, sprawdź czy poprawnie ustawiony potencjometr przepustnicy, jak nie pomoże zamień wtyczki na cewkach.
Mniemam, że paliwa idzie za mało, bo jakby zalewał, to przy pierwszych obrotach rozrusznika(gdy suche świece) na pewno trochę by prychnął, zanim się zaleje. Jeśli faktycznie nie wzbogaca na zimno to np. czujnik temperatury cieczy jest tu chyba główną zmienną(zaraz za MAPem i TPSem), a powinien to być czujnik z niebieską wtyczką w prawej podstawie kolektora, od strony skrzyni biegów. Być może podłaczyłeś inny czujnik w to miejsce? Są jeszcze dwa, do wskaźnika i do kontrolki(switch) plus, występujący w jakiejś wersji, czujnik załączający przy 40-50st. Wszystko w podstawach kolektorów.
Wydaje mi się że dostaje odpowiednią dawkę paliwa, a to że go nie zalało, być może było winą źle podłączonego wtrysku na 1 cylindrze, zamieniłem kostki i zamiast wpiąć wtyczkę pod pierwszy to podpiąłem trzeci. Nie wiem czy cewki mam dobrze podłączone:
"Prawa cewka ta bliżej chłodnicy:
Pierwszy wtyk od chłodnicy prawa tylna głowica od kokpitu.
Tylni wtyk od kokpitu-lewa głowica tylna od kokpitu.
Lewa cewka, ta bardziej od filtra powietrza:
pierwszy wtyk bliżej chłodnicy- prawa głowica przód od chłodnicy
tylni wtyk ten od kokpitu: lewa głowica przód od chłodnicy "
Muszę jeszcze sprawdzić czy przypadkiem kabli na cewkach nie zamieniłem.
Mam dwa czujnik na kolektorach i wydaje mi się że oby dwa są od temperatury, jeden przy niebieskiej wtyczce na kolektorze od strony filtra oleju taki kwadratowy "klocek" i drugi przy wężu, od pompy sprzęgła wkręcany w kolektor. Więc to są chyba te o których piszesz, tylko który jest od wskaźnik, a które do kontrolki? Ten czujnik z niebieską wtyczką mam od strony filtra oleju. Jutro wszystko jeszcze raz dokładnie sprawdzę, jeśli się nie uda to padnę, drugi dzień dzisiejszego siedzenia i nic :(
Redziar, imho nie ma znaczenia kolejność podpinania wtrysków, bo, z tego co kojarzę IAW, to nie jest pół-sekwencja, a wtrysk grupowy, czyli wszystkie wtryski strzelają na raz.
Z cewkami nie pomogę aż tak dokładnie, ale skoro przecież odpaliła na te 5s(w sensie normalnie chodziła), to znaczy, że musiało tam być dobrze podpięte?
Czujnik temperatury, tak jak pisałem, ten z niebieską wtyczką, leci do kompa. Właściwie to, na tym etapie interesuje Cie tylko ten, a ewentualnie możesz go wypiąć całkowicie dla testów.
w końcu się udało i serducho zabiło :) potwierdziły się przypuszczenia kolegi qdlacza007, okazało się że były pomylone przewody zasilające cewki, po ich zamianie odpaliła na dotyk :) Jutro wrzucę filmik, wprawdzie krótki bo brak wydechu, jednakże zawsze coś. Nie mogę rozgryźć tych czujników i jednego przewodu(pompa wspomagania?), może ktoś będzie wiedział co jest co?Dzięki za pomoc, bez Was bym silnika zapewne nie ruszył.
Patrzyłem na ten przewód od obrotomierza i jednak nie działa, czy oby na pewno jest to ten zielony z wtyczką nie daleko przekaźników?Jak to jest z sondą lambdą,musi ona by czy można jeździ bez niej, ponieważ jak wciskam pedał gazu to silnik reaguje z opóźnieniem i się zastanawiam czy to przypadkiem nie wina sondy? NA allegro jest pare rodzaji i nie wiem jaką kupić, co polecacie?Tak czytam temat z linku poniżej i objawy podobne :(
http://www.forum.alfaholicy.org/33_1...a_boxerze.html
http://www.youtube.com/watch?v=W8aj9ydI9kM
Załącznik 93236Załącznik 93237Załącznik 93238Załącznik 93239
zdjęcie nr:
1- od prawej: czujnik ciśnienia oleju, czujnik temperatury do zegarów, czujnik temp do kompa.
2- serwo
3 i 4 - wentylator?
- - - Updated - - -
powinna pracować bez sondy ale musisz ją zaadoptować najpierw. po takim krótkim odpaleniu nic nie ustalisz.
Qdłacz chyba od lewej :) tak samo mi się wydaje iż pierwsze to czujnik ciśnienia oleju, znowuż z drugim to tak się zastanawiam, bo w blok jest wkręcona śruba mocująca ten czujnik, więc w jaki sposób by on mierzył co kolwiek?trzecie czujnik temp. do kompa zgadzam się :) . Drugie zdjęcie serwo, a w głębi czujnik temperatury wody? Trzecie i czwarte serwo wspomagania, tak mi zasugerował znajomy, ale nie jest do końca pewny. No i pytanie co z obrotomierzem, nawet nie drgnął, ciekawe czy to wina złego przewodu, czy może wskaźnik działa w Sprincie zupełnie inaczej niż w 33? Z sondą znowu się zastanawiam, czytałem na forum że jego brak powoduje duże spalanie i nierówną pracę silnika poniżej 2tyś. obrotów oraz na biegu jałowym , znowu wydać 300zł na nie go nie za bardzo mi się uśmiecha :( Poczekam i zobaczę, może faktycznie zrobię tą auto adaptację, jeśli to nie pomoże, to kupię sondę :(
racja od lewej.
- - - Updated - - -
drugie zdjęćie w tle to czujnik temp do "alfacontrol"
- - - Updated - - -
3 i 4 może też być do zaworu filtra węglowego którego nie masz.
serwo wspomagania w 33?? pierwsze słyszę.
- - - Updated - - -
bez sondy nie nie zejdziesz poniżej 8 litrów spalania to jest pewne.
- - - Updated - - -
masz zasilanie na zegarach ??
- - - Updated - - -
w który przewód wpinasz obrotomierz??
- - - Updated - - -
zrób zdjęcie starej cewki zapłonowej, rozdzielacza i wtyczek do tego wszystkiego.
kurcze może faktycznie, nawet nie pomyślałem o nim, z tym serwem miałem na myśli zasilanie pompy wspomagania kierownicy.
w tej chwili spalanie to dla mnie najmniejszy problem i tak tym autem będę jeździć sporadycznie, chodzi mi bardziej jak silnik i komputer będą się zachowywać bez sondy, czy nie będzie sytuacji nie równej pracy silnika lub spadku mocy czy tez opóźnionej reakcji na pedał gazu.
kontrolki się palą podświetlenie również więc raczej jest ok, trochę lipa bez obrotomierza :(
koło przekaźników i wtyczki klimatyzacji, jest taki zielony kabelek z dziwnym okrągłym wejściem.
jutro jak będę w garażu
a co to za dziwny czujnik na pierwszym zdjęciu wkręcany w głowicę?
musisz wpiąć się nową wiązką z 33 do starej ze sprinta żeby działał prędkościomierz.
- - - Updated - - -
bez sondy powinien pracować OK na ciepłym silniku na zimnym coś może wariować.
w którym miejscu się wpiąłeś?? który kabel ?? w sprincie obrotomierz podpięty był pod cewkę zapłonową.
w tym co na zdjęciu zaznaczony jest strzałką ten na dole. Dokładnie w sprincie obroty brał z cewki, tu jednak raczej byłoby ciężko z racji iż są dwie i inaczej zapewne by liczył obroty, o ile dało by rade się podpiąć. Zastanawia mnie jeszcze ten drugi kabel na drugim zdjęciu. wychodzi on z alternatora podpiąłem go pod kontrolkę ładowania na desce rozdzielczej, mam nadzieję że dobrze.
Załącznik 93546
Załącznik 93547
a w co wpinasz kabel z pierwszego zdjęcia ??
jaka wtyczka i kolory ??
Witam ma takie pytanie mam alfe 145 2.0ts i czy to prawda ze jak sie odepnie klamy od akumulatora to tak jak by resetuje sie mapa czy komputer? i potem trzeba ostroznie jezdzić bez szalenstwa przez 200km na benzynie?