spójrz na wtyczkę z numerami pinów
Załącznik 174124
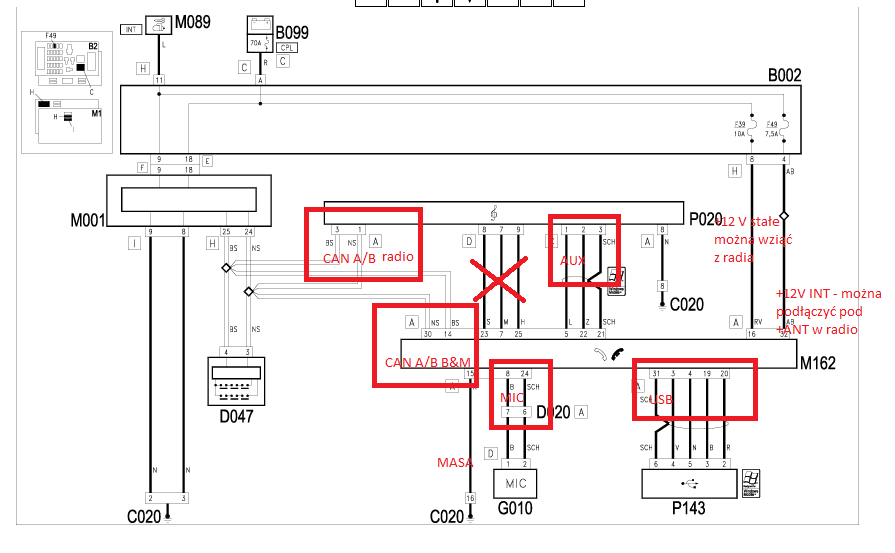
i schemat w eLearn (na rysunku widać odpowiednie n-ry pinów i oznaczenia kolorów kabli) Myślę, że z tym sobie już poradzisz :)
Załącznik 174127
Printable View
spójrz na wtyczkę z numerami pinów
Załącznik 174124
i schemat w eLearn (na rysunku widać odpowiednie n-ry pinów i oznaczenia kolorów kabli) Myślę, że z tym sobie już poradzisz :)
Załącznik 174127
To rzeczywiście wiele wyjaśnia... udało mi się zupełnie przegapić ten schemat. Dzięki za wklejenie go!
Jestem w trakcie kompletowania sprzętu. Jak już zbiorę wszystko co potrzebne, postaram się pofotografować kolejne kroki i zrobić instrukcję. Muszę zacząć od dodania przycisków do kierownicy przed zasadniczymi pracami B&M, więc całość trochę potrwa.
Panowie wiedze ze siedzicie troche w radijach wiec moze cos poradzicie http://www.forum.alfaholicy.org/159_...ml#post1671916
@lokren1: przykro mi, nie mam pomysłów w Twoim temacie.
@Kali_33: zastanawiam się nad mikrofonem - czy musi mieć jakieś specyficzne parametry? Konkrenta impedancja, typ? Jakiego użyłeś u siebie? Na Allegro jest zasadniczo trochę fiatowskich, ale w innych obudowach i nie wiem czy będą pasowały po wybebeszeniu, ani czy mają odpowiednie parametry.
edit: Kupiłem od Fiata 500 - zobaczymy czy da się rozebrać i dopasować...
Mikrofon do B&M dla 159 ma dwa kable: czarny i biały ;)
Ja kupiłem całą lampkę z mikrofonem za jakieś śmieszne pieniądze (bo niby lampka uszkodzona).
Ciekawostka- ja kupiłem całą wiązkę spod deski też za jakieś śmieszne 80zł i we wtyczce B&M były pozamieniane kable z USB :) Także sprawdźcie dokładnie całą wiązkę wg schematu z eLearn.
Jak sprawdzić jaka centralka potrzebna? w ePer wpisujemy VIN naszego samochodu i odnajdujemy centralkę w katalogu, spisujemy numer i wchodzimy na stronę: http://www.findpart.org/ i tam wpisujemy znaleziony nr centralki- wypluje nam wszystkie zamienniki itd.
Panie i Panowie, pełny sukces - założyłem kierownicę z przyciskami i dodałem Blue&Me. Wszystko działa, aktualizacja do wersji 5.6 również się udała. Zrobiłem kilka zdjęć podczas montażu, ale potwierdzam, że schemat z eLearna w zupełności wystarcza. Postaram się jak najszybciej przerzucić zdjęcia i dodać opis.
AirAjti i Kali_33 - wielkie podziękowania dla Was za pomoc!
EDIT (9.08): Dwa dni temu dodałem instrukcję w dziale "Zrób to sam", ale jeszcze oczekuje w kolejce moderacji. Starałem się zebrać wszystkie istotne i praktyczne wskazówki, również zawarte w tym wątku. Jeśli będziecie mieli coś do dodania, piszcie proszę śmiało, jak tylko pojawi się instrukcja.
Jest ktoś w stanie rozszyfrować piny drugiej kostki w centralce z navi? Nie wiem czy będę używał navi, bo potrzebuję też anteny z GPS, ale chciałbym przy okazji rozbebeszania konsoli od razu przygotować drugą kostkę.
I przy okazji - do czego są zielone i żółte złącza na tylnej ścianie centralki?
Drodzy rodacy mam problem , zamontowałem sobie w sobote blue&me i nie działa :) telefon widzi blue&me przy skanowaniu bluetooth gniazdo usb się zapala lecz licznik nie chce migać co znaczy że komp nie widzi modułu sprawdziłem kilkanaście razy instalacje przedzwoniłem wszystkie kable no i wychodzi na to że wszystko jest okej , ale nie działa. Moduł zakupiłem na allegro dobierałem go po winie zar93900007082362 wyszło mi ze spasuje centralka o numerze 50512729 no ale niestety jest czarna dupa , macie jakieś sugestie gdzie jeszcze spróbować co sprawdzić ? bo już brakło mi pomysłów .
Dla ciekawostki dodam że do naszych 159 idealnie pasuje mikrofon z grande punto z 2007 roku ja kupiłem wraz z lampką za 9zł na allegro ( lampka z mikrofonem od punciaka charakteryzuje się tym iż wychodzi z niej czarny 10cm kabelek z wtyczką i żeby wyjąć z niej mic trzeba ją rozbić ale warto.
CIAMILL sprawdź połączenia B&M z CAN, tylko dwa kable ale może np. masz zamienione.
muwisz o can a can b ? czyli co zamienić na próbę ?