Czy na pewno po lifcie J35 jest na podszybiu?
Printable View
[MENTION=378]szerszeń[/MENTION]
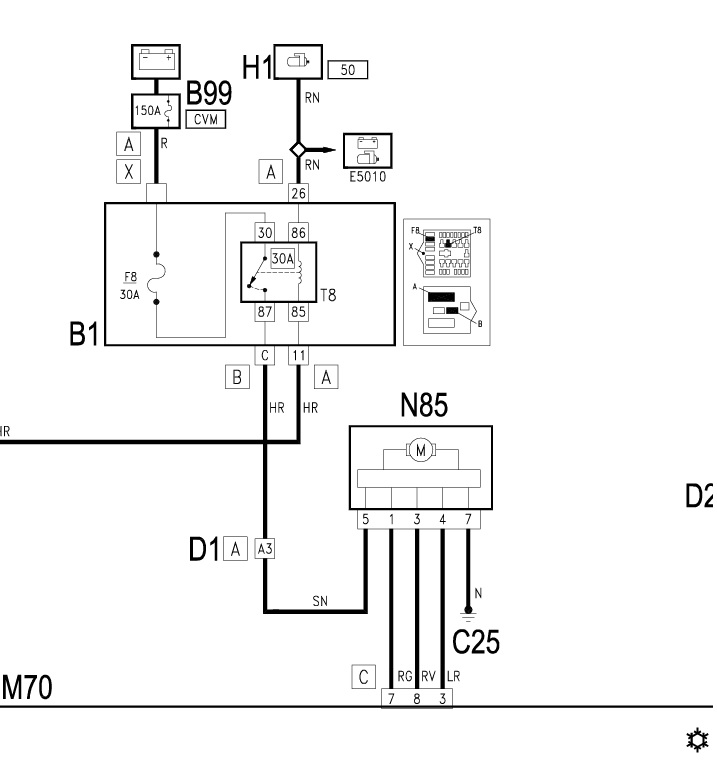
Instalacja w FL jest zupełnie inna. Tak to wygląda:
Masz bezpiecznik F8 i przekaźnik T8 w skrzynce pod maską.
Załącznik 230070
Panowie pomożcie... 166 2.4 jtd 175km z 2004 fl...
Bezpiecznik 30A sprawny, przekaźnik podmieniony, zasilanie na kostce jest po ponad 10V na każdym z pinów na zaplonie.
Moge regulować obroty, moge kierować nawiewami moge zmieniać econ, auto itp, nagrzewania działają, klapy ruszają się niby wszystko ok ale jednak nic nie dziala. nie dmucha nie chucha. Da sie jakoś go sprawdzic na krótko ?
Na pierwszą myśl padł rezystor... ale to działałby na którymś biegu albo nie bylo by zasilania na kostce przed silniczkiem
Sprawa bardzo pilna!
Skoro wszystko sprawne tylko nie dmucha to raczej dmuchawa :) wentylator w 166 działa jak silnik pwm więc z tego co mi wiadomo albo działa albo nie. NIe ma czegoś takiego jak jakiś bieg :)
Wentylator wrócił z regeneracji dzisiaj. Co sie okazało był w 100% sprawny to mnie skasowano za sprawdzenie i wyważenie wirnika. Podpinam wentylator i ? dupa nie działa, Pan od regeneracji mówi że problem ze śniedzią w masie lub plusie. A więc Mase z wentylatora dałem bezpośrednio do bloku silnika, Co do plusa mówił o manewrze takim że do PINU 30 podajemy bezpośredni + z akumulatora. I powinno działać. No niestety, nadal wentylator stoi na odpalonym czy na zapłonie zero reakcji. Przekaźnik działa i przewodzi nic nie jest nadpalone ktoś coś wie ? Może jakoś ten plus na wiatrak przez bezpiecznik puścić ?
Nadal moge sterować klimą, klapy działają, temperatura góra dół, obroty też ale wiatrak stoi.
Pomocy :((
Jak by kogoś interesowało, to powtórzyłem dzisiaj próbę podłączenia do klimy:
oto efekty:
Załącznik 245207Załącznik 245208Załącznik 245209
Potrzebny kabel ELM327 przerobiomy jak KKL z moich opisów lub przelotka.
Łączymy się do Lanci Lybry
Pomiary z czapy.
Testów wykonać się nie da.
Ale u mnie nie było błędów, ciekawe czy jakby się podpiął ktoś z "air condition faulty..." to by coś odczytał ?
[MENTION=77465]zawi3j[/MENTION]
Załącznik 245210
Pomiędzy pin 5 i 7 N85 (wentylator) wepnij żarówkę 55w i zobacz czy zaświeci. Jak nie to do sprawdzenia stan styków przekaźnika T8 i stan bezpiecznika F8.
A jak chcesz sprawdzić to twoje machery źle Ci podali:
- + bezpośrednio ale do pinu 87 i tona czas prób
- Na stałe nigdy nie dajesz kabla bez zabezpieczń, no chyba że chcesz zobaczyć na żywo jak pali się auto, niestety Twoje ;)
Ruszyło - ogarnąłem :-) u mnie okazało się ze gdzieś kabel szaro-czerwony z Pinu 87 przekaźnika jest dziabnięty, i pod obciążeniem przestawał przewodzić a nawet mernikiem opór rósł jak szalony. Puściłem bajpas z pinu 87 (od drugiej strony skrzynki szara kostka 3 kablowa -pierwszy z brzegu- przewód szaro-czerwony ) do kostki wentylatora. Ruszył od tyka. Zabezpieczenia na tym kablu nie dawałem bo jest zabezpieczony w skrzynce bezpieczników 30A.
Dzięki danus77 ! Super odpowiedź i wszystko jasne
Uwaga pamietajcie nie odcinac kabla od skrzynki tylko sie pod niego podpiąc, odcinając go stracicie elektryczne regulowane fotele i Bog wie co jeszcze