No ja tylko piszę to co usłyszałem od niego ;) To nic ogarnie się. w razie jakichś komplikacji ktoś pomoże no nie? :D
Printable View
No ja tylko piszę to co usłyszałem od niego ;) To nic ogarnie się. w razie jakichś komplikacji ktoś pomoże no nie? :D
No i mamy problem co do wiązki.. Z przedlifta niby wszystko pasuje, ale... Więc tak, podłączyłem wszystko i ICS wykrywa dsp, głośniki w półce też grają. Problem tkwi w tym, że nie grają głośniki w drzwiach. W przedlifcie w wiązce od dsp są wyprowadzone kable do głośników, zaś w FL'ce cała instalka pod głośniki jest we wtyczce z bagażniku. Jak to rozkminić?
Jak nie masz DSP to głośniki masz zasilane z wiązki od ICSa. Jak montujesz DSP to ICS po wykryciu procesora odcina sygnał na głośniki i prowadzi stereo do procka, bo to on wtedy daje na głośniki. No więc z tego wynika że nowa wiązka którą wpinasz w procek musi mieć nowe podejścia do głośników w drzwiach. Albo tego nie zauważyłeś albo masz coś wybrakowaną tą wiązkę.
No mam 2 kostki właśnie. Tylko jak je podpiąć?
Przypominam, że mam werjsę FL, a wiązka jest przedliftowa
Nie znam dokładnie wtyczek. Mogą się roznic i bedzie trzeba przelutowac kable.
Nie rozumiesz. Gdzie te wtyczki podpiąć teraz? O to chodzi
zrób zdjęcie tych wtyczek i napisz w którym są miejscu. Coś wymyślimy.
http://www.forum.alfaholicy.org/atta...p-imag0207.jpghttp://www.forum.alfaholicy.org/atta...p-imag0208.jpgWtyczka do której w bagażniku była podpięta ori wiązka bez DSP. W polifcie właśnie w niej idą kable sygnałowe na głośniki w drzwiach.
http://www.forum.alfaholicy.org/atta...p-imag0210.jpghttp://www.forum.alfaholicy.org/atta...p-imag0211.jpgNiebieska to ori z auta, biała z DSP. Jak widać kilka pinów jest inaczej
http://www.forum.alfaholicy.org/atta...p-imag0213.jpgA do tej jak podłączyłem na krótko jakiś głośnik to zaczął grać. Przy "w miarę" ułożonej wiązce kabel ten jest mniej więcej w tunelu środkowym. Są w niej 2 piny, kable koloru zielonego jak widać na foto.
Pod kanapą jest jeszcze druga wtyczka, która po podłączeniu też gra. Ma 4 piny, gra tylko z dwóch.
HELP!!
- - - Updated - - -
https://youtu.be/2N8rEZK1Sjk
Poniżej troszkę schematów:
http://www.forum.alfaholicy.org/atta...d=167671&stc=1http://www.forum.alfaholicy.org/atta...d=167672&stc=1http://www.forum.alfaholicy.org/atta...d=167673&stc=1
Opisy kolorów w poniższym linku:
http://www.forum.alfaholicy.org/zrob...ktrycznym.html
Dzięki wielkie. Tył podlączyłem, gra. Nie mogę z tej wiązki znaleźć sygnału na głośniki przednie.
A macie może schematy do polifta?
danus77 dzięki za schematy, ale obyło się bez. Zrobiłem całość na logikę i po kolorach kabli.
W razie pytań jak wsadzić DSP do polifta z wiązką z przed lifta, służę pomocą. Wbrew pozorom to nie trudna operacja (choć na pierwszy raz wydaje się być). Dziś już nie mam weny na fotorelacje i takie tam. Ważne że działa, gra i to naprawdę dużo lepiej niż seria.
zabrałem się dziś za montaż DSP.
Pacjent - FL
Dawca - przedlift
Tak więc wrzuciłem Procka na prawy błotnik, wiązkę puściłem prawym progiem.
No i kilka problemów :) Zaznaczam, że jestem technicznym ignorantem. Po pierwsze, to ICS nie uruchamia się na wiązce DSP. Na starej wystarczyły te dwie wtyczki - zielona i czarna . Na DSP w tym samym układzie już nie. Oczywiście plus i masa podłączone ;)
http://www.forum.alfaholicy.org/atta...705_190847.jpg
To oczywiście do plusa, ale krótki ten kabel. Muszę przedłużać, czy mam tu gdzie podłączyć?
http://www.forum.alfaholicy.org/atta...705_190905.jpg
Gdzie to podłączyć?
http://www.forum.alfaholicy.org/atta...705_190919.jpg
I to?
http://www.forum.alfaholicy.org/atta...705_190928.jpg
I to?
http://www.forum.alfaholicy.org/atta...705_190928.jpg
Do tego masę podłączyłem, mam nadzieję, że git ;)
I jeszcze jedno - jak podpinam tą największą wtyczkę zamiast starej (za ICS, u mnie akurat w tunelu, zaraz przed lewarkiem), to wywala mi błąd skrzyni biegów...
Podłączasz wszystkie wtyczki do ICS'a. Oczywiście starą wiązkę wyciągasz z auta, do niczego nie będzie Ci potrzebna. Kable/wtyczki z drugiego i trzeciego zdjęcia odpowiadają za tylne głośniki. W polifcie nie ma kostek żeby podłączyć te wtyczki. Za sygnał na głośniki odpowiada duża kostka w bagażniku, do której trzeba przedłużyć kable od tych wtyczek. http://www.forum.alfaholicy.org/atta...d=172252&stc=1http://www.forum.alfaholicy.org/atta...d=172253&stc=1
Czyli po prostu tą kostkę w bagażniku ucinasz, przedłużasz kable z dwóch kostek ze środka auta. Z tego co pamiętam to zielone kable to lewy tył a ta druga strona to prawy tył. Nie pamiętam tylko w bagażniku które kolory odpowiadają za którą stronę.
Teraz tak.
http://www.forum.alfaholicy.org/atta...d=172254&stc=1http://www.forum.alfaholicy.org/atta...d=172255&stc=1http://www.forum.alfaholicy.org/atta...d=172256&stc=1
Kable zaznaczone na czerwono to głośniki przednie. Wpinasz się w nie, przedłużasz i lutujesz również do kostki w bagażniku (w zasadzie już jej tam nie ma :P ).
Ja sporo czasu straciłem, bo tył grał a przód nie. Te same kable które odpowiadają za przednie głośniki znajdziesz przy kostce, którą wpinasz z tyłu ICS'a (oczywiste! :) ).
http://www.forum.alfaholicy.org/atta...d=172257&stc=1
Kostkę da się wpiąć tylko jedną stroną, więc przyłóż kostkę od wiązki DSP do ori instalacji która jest w aucie i zobaczysz, że 3 kabelki z niebieskiej kostki będą się pokrywały z kablami z białej (DSP). Te 3 kable z niebieskiej po prostu utnij i zaizoluj. Nie są potrzebne, a masują i dlatego nie gra przód. Oczywiście plus i masę najlepiej bezpośrednio z akumulatora podłączyć.
W razie pytań pisz na PW lub na FB, napisałem Ci wiadomość. Mam nadzieję, że coś trochę wyjaśniłem :D Piona
Panowie więc tak..
Znowu KaaC, znowu Alfa, Znowu DSP, Znowu problemy..
Zasugerowałem się przepięciem samego DSP z wiązki (odłożenie okablowania DSP poza wiązkę)
Więc..
Od czego dokładnie idą kable od białej wtyki wzmacniacza (oprócz głośników) i od czego idą od czarnej wtyki kable ?
Dokładnie chodzi mi dlaczego wracają na przednią kostkę głównej wiązki (tej białej) i dlaczego niektóre łączą się z NAVI i Czarną wtyką za ICS ?
Musisz miec komunikaty z nawigacji w głośnikach które muszą przejść przez DSP.
Czyli co ?? Bez problemu moge lewa czesc glownej wtyki z mojej wiazki obciac i spiac te idace z dsp do tej ktora mam w aucie podlaczona teraz ?
A jak masz cala wiazke to nie latwiej Ci bedzie wszystko pozamieniac ?
Chcialem tylko dolozyc dsp i nie bawic sie z klima itp... Teraz zdaje sobiee sprawe, ze lattwiejssza byla opcja przelozenia callej wiazki. A teraz wszystko. Mam pociete. Nagram filmik z objasnieniem co gdzie jak moze mi ktos pomoze bo nie wiem czy tak jak chce zrobic bedzie dobrze.
Ja podłączyłem tylko stereo z iso icka do procka i komunikację ICS<->DSP (kość czarna icka). I u nie zagadało.
No to teraz marek mnie zmartiles.... Ja sie sugerowalem toba bo twierdziles, iz idzie dolozyc same dsp... Ale niie mam Ci nic za zle. Tylko jak teraz z tego wybrnac i wkomponowac to w swoja wiazke ?
Dalej uwazam ze szybciej kolitijesz to co porozcinales :) wyciagnij ics i ppdlacz wiazke tak o bez rozbebeszanie tunelu otp i zobacz czy jest sprawna. Na pewno idzie tez samo dsp dolozyc ale bez schematow nic nie zrobisz, sciagnij elerna albp napisz do danusa
Czym Cię zmartwiłem :) przecież pisałem Ci wyraźnie. Ja mam sam procesor. Aby zagrał potrzebujesz poprowadzić do niego sygnał stereo (wychodzi z ISO icka) i komunikację (jak dobrze pamiętam pin 6 czarnej kości icka). I to wszystko..... u mnie to zagrało.
Masz wiązkę z audio do drzwi, wtyczką do DSP i wtyczkami do ICSa (ewentualnie klimy). Weź ją połóż tak jak powinna być tylko do ICSa podłącz samo iso i przepnij ten pin komunikacyjny (jw) do swojej już wpiętej czarnej kości. I po temacie.
Z innej strony (jak masz wszystko rozprute) potrzebujesz wtyczkę do DSP a na jej drugim końcu ISO i jeden pin do czarnej kości (w to samo miejsce). I po temacie.
Głośniki możesz sobie zasilić osobnym, nawet nowym kablem. Tam nie ma już filozofii. Piny i kości masz opisane w elearn a nawet moim schemacie.
Jeszcze raz powtórzę. Do uruchomienia DSP mi wystarczył z icka sygnał stereo i komunikacja po jednym kablu. Głośniki osobną wtyczką.
Ale do tego trzeba mieć choć minimum wiedzy o kablach. A skoro jej nie masz to delikatnie mówiąc było trochę bezmyślne od razu wszystko ciąć. Teraz czeka Cię znalezienie tego co pisałem i złożenie do kupy. Kabli masz pełno, wtyczki wszystkie są. Schematy powinieneś mieć (bo głupotą jest zabieranie się za to bez nich).
Co oczywiście nie zmienia postaci rzeczy że na PW pytałeś o nową wiązkę, czyli jak połączyć icka z dsp nowymi kablami a nie gotową wiązką DSP. A potem kupiłeś wiązkę i zacząłeś babrać zamiast zrobić jak Darek Ci pisze.
"Ja podłączyłem tylko stereo z iso icka do procka i komunikację ICS<->DSP (kość czarna icka). I u nie zagadało." moze jakaś literówka i wywnioskować można że nie zagrało to u Ciebie ?P
No racja, racja.. nie chcialo mi sie mojej wiazki wyciagac z auta. Ale fakt, najpierw ciach ciach i dopiero myslenie. Madry polak po szkodzie. Ale chociaz cos sie dzieje bo nudno juz bylo tak wsiadac i jechac hehe. Co do wiazki. Marku, ten jeden szary kabel idacy od wzmacniacza rozdziela sie pozniej na dwa kable.. jak wroce z pracy to nagram co i jakk
hehehe u mnie zagrało, czyli grało :)
Kaac, ja w obecnej nie mam DSP, nie wyciągałem żadnych wiązek więc żadne kolory i zdjęcia nic mi nie dadzą. Opierałem się na schemacie z którego ja wydumałem że aby zadziałało DSP to potrzebuje stereo i komunikację. Nic więcej. WIęc kupiłem kabel z metra, dociąłem, zacisnąłem końcówki i podłączyłem. Ty skoro kupiłeś całą wiązkę to zrób tak jak Darek Ci radzi i jak robili wszyscy w FL. Był przecież nawet o tym temat (bodajże Kamko). On sam zakładał i wszystko opisał. Po co kombinujesz jak koń pod górę :)
Marek, nie wiem czy dobrze rozumiem. W bagażniku mam kable sygnałowe żeby podłączyć głośniki w półkę, czyli mogę je podłączyć do procesora dsp, poprowadzić jeszcze jeden kabel do ICS i będę działał ten procesor? :confused: A 12V do procesora?
Dobra, to zapomniałem o zasilaniu :)
ale nie zapomnij że aby podłączyć dsp to musisz wszystkie głośniki zasilić z dsp a nie drzwiowe zostawić z icka a półkowe podłączyć do dsp.
Czyli od procesora dsp to jeszcze kable do głośników w drzwiach trzeba ciągnąć?
a ten rozdzielajacy się to nie jest czasem szaro-czarny ?
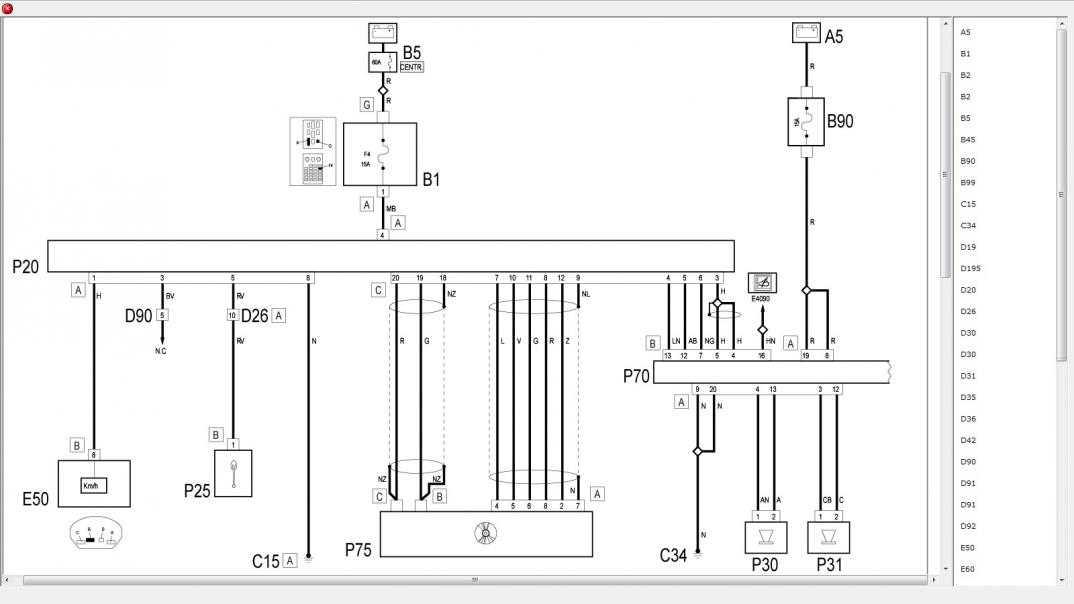
Od strony DSP biała kostka pin 16 ?
Jeśli tak, to jest to sygnał prędkości pojazdu podpinany również do:
- czytnika navi pin 3
- Panel klimy pin 8
- ICS kostka C duża czarna pin 24
- złączka D90 duża biała 20-pinowa pod ICS'em na pin 12
Obiecany schemat:
http://www.forum.alfaholicy.org/atta...d=179073&stc=1http://www.forum.alfaholicy.org/atta...d=179074&stc=1
i pomocnik do schematu:
http://www.forum.alfaholicy.org/zrob...ktrycznym.html
Tak, jak nie masz dsp to dźwięk idzie czterema kanałami z końcówek mocy icka na cztery głośniki drzwi. Jak podłączysz DSP to idzie sygnał stereo do procka a tam jest rozdzielany na 6 kanałów. Przy czym aby aktywował DSP i menu w ICSie to musisz podłączyć do icka kość ISO z wyjściem stereo i kabel komunikacyjny w czarnej kości. I oczywiście zasilić procek.
Tak to wyczytałem ze schematów i podłączyłem u siebie. Nie mam oczywiście nowych głośników ale icek normalnie zaczyna sterować DSP.
- - - Updated - - -
No i schematy wszystko mówią :) danus jak zwykle ma elearn pod ręką :)
Witam,
Podepne sie pod temat, czy ma ktoś do sprzedania moze komplet DSP do przedlifta? Kupilem na wiosne wzmacniacz z wiazka i sie teraz okazalo ze wiazka jest zwykla...
Kowalm, to ktoś CIę na prawdę w uja zrobił...
Podpowiem, jak chcesz na prawdę tanio kupić dzwoń po aukcjach i się pytaj NIE O DSP, tylko głośniki w półkę, zdezorientowany ktoś nie będzie wiedział do czego to i po co.. :)
Chłopaki, z wszystkim (prawie) się połapałem prócz...
Z Czarnej kostki od wzmacniacz idzie w grubym oplocie kabel - zieloni i czarny, do czego to wpiąć /do czego idzie ?
wg schematów które Ci tu wrzucałem to:
Wtyczka B pin 17 zielony a pin 1 czarny z fioletowym paskiem.
Wszystko jest Panie na schematach.
A wtyczka e60 od czego jest ? Widzę, ze obok ics ona jest...
E60 to jest ICS:
http://www.forum.alfaholicy.org/atta...d=179150&stc=1
Dzięki danus, chyba coś muszę pogrzebać żeby ten ePer czy tam eLearn działał bo coś instalka się nie uruchamia, a masa przydatnych rzeczy jest...
Dzisiaj zabrałem się za montaż owego DSP. Nie powiem bo przeraziłem się - jest jakoś inaczej niż w przedlifcie.
Pytanie mam takie.
Gdzie są wtyczki od głośników lewe/prawe , żeby włączyć się wiązką od DSP tą na 2 piny i ta na 4 piny o ile się nie mylę.
Z kolei dodam wam tutaj zdjęcia wtyczek i kabelków.
Gdzie i który kabel mam wlutować w którą wtyczkę /
Mam schematy, ale w moich oczach są po mongolsku i ciężko je jarze..
Kocioł i centralne mogę komuś założyć, ale kable to czarna magia dla mnie...
Kilka zdjęć :
http://www.forum.alfaholicy.org/atta...d=179186&stc=1http://www.forum.alfaholicy.org/atta...d=179187&stc=1http://www.forum.alfaholicy.org/atta...d=179188&stc=1http://www.forum.alfaholicy.org/atta...d=179189&stc=1http://www.forum.alfaholicy.org/atta...d=179190&stc=1http://www.forum.alfaholicy.org/atta...d=179191&stc=1http://www.forum.alfaholicy.org/atta...d=179192&stc=1http://www.forum.alfaholicy.org/atta...d=179193&stc=1http://www.forum.alfaholicy.org/atta...d=179194&stc=1http://www.forum.alfaholicy.org/atta...d=179195&stc=1
I co z wiązka z bagażnika od głośników ? Gdzie mam się tymi głośnikami włączyć z wzmaka na przód ?
Marku, Tobie zaczęło działać, gdy włożyłeś żółtą kostkę we wtyki ICS i do wzmacniacza czarną kostkę, zgadza się?