może coś takiego..czyta Julkę
https://sklephadron.pl/moduly-sterow...can-seo-d.html
Printable View
może coś takiego..czyta Julkę
https://sklephadron.pl/moduly-sterow...can-seo-d.html
Witam,
pytanie z innej beczki :). Nie macie problemów ze składaniem się lusterek ? U mnie samochód nowy (400 km) i o ile prawe lusterko składa się normalnie to lewe "utyka" po drodze - trzeba mu pomóc ręką wtedy składa się do końca. Rozkłada się normalnie i potem znowu to samo.....
[MENTION=12980]andrzejm36[/MENTION]
- podaj proszę jakie napięcie masz na kondensatorze C355, on chyba jest zasilany przez sygnał komfortu ?
- bo coś mi się wydaje , że mój moduł padł.
bubu321 .. ok..jutro mam trochę wyjazdów w pracy ale postaram się Ci to pomierzyć..zaznacz konkretnie w którym miejscu jest ten kondensator
Załącznik 219673
- dokładnie ten na obrazku
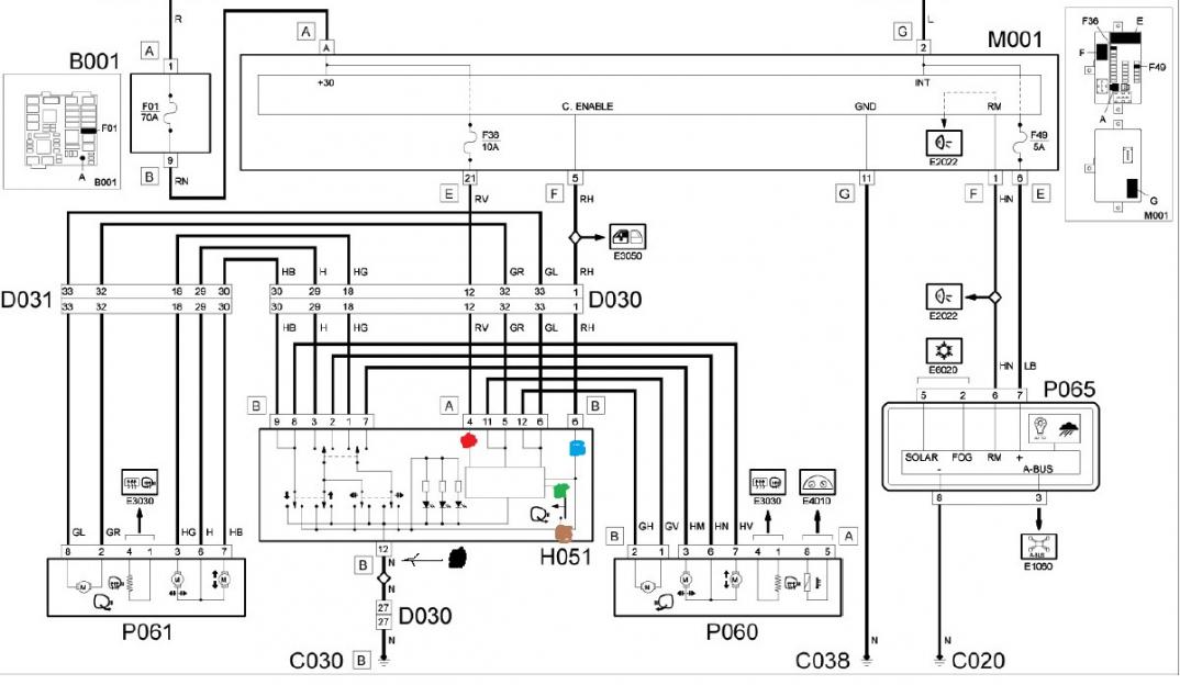
bubu321...Wszystko mierzyłem na kabelkach wyprowadzonych już z modułu.Na zdjęciu widać które to miejsce na płytce itd. / dioda wejście z Body- kabelek biały / powinno być ok.12 V.. za diodą wiadomo różnica 0,7 V / kabelek niebieski / a na kondensatorze ok. 4,6 V /kabelek brązowy /. Może załatwiłeś samą diodę :) .Coś nie potrafię albo nie mogę wysyłać wiadomości na prv. jeśli możesz podeślij mi swój numer telefonu.Mam pytanie odnośnie alarmu can.
ps. to nie jest napięcie z sygnału komfortu.To napięcie z nóżki 1 łączówki A jest u mnie poprowadzone kabelkiem żółtym.Jest tam stałe 12 V a w momencie startu wszystkich elektrycznych szyb w górę dochodzi do 18 V / ???? /. Na tym kondensatorze masz napięcie które poprzez przycisk zamykania lusterek idzie na układ .
Załącznik 219708Załącznik 219709
- przy próbie wysłania PM, mam taki komunikat
"andrzejm36 ma zapełnioną skrzynkę wiadomości. Wysłanie wiadomości do tego użytkownika jest nie możliwe dopóki nie zwolni trochę miejsca w skrzynce"
no tak..ponad 120 się uzbierało..już wyczyściłem sorry.