[MENTION=5374]danus77[/MENTION], z racji zapominalstwa ... Możesz podać nazwę wtyczki ponownie ? Zamówię czym predzej :)
- - - Updated - - -
EDIT :
http://allegro.pl/webasto-thermo-top...045508110.html
to są te ?
Printable View
[MENTION=5374]danus77[/MENTION], z racji zapominalstwa ... Możesz podać nazwę wtyczki ponownie ? Zamówię czym predzej :)
- - - Updated - - -
EDIT :
http://allegro.pl/webasto-thermo-top...045508110.html
to są te ?
[MENTION=5374]danus77[/MENTION] przedni przerabiałem (czujnik nowy, nowa kostka i ogarniecie wiązki). Przedni jak mi się popsuł to z nie zakłócał tylnego. W środę pojadę do mechanik to się zobaczy co i jak z tylnim. Powiedz i jeszcze czy w tylnim czujnika jest taka sama kostka (webasto thermo top c) czy jakaś inna?
wtyczki są identyczne, różnią się jedynie czujniki. I nie sprawdzi stan kabli. U mnie niby izolacja była oki, a jak zacząłem go ciąć, to nie było do czego lutować, miedź rozpadała się w palcach.
Mi jak padł tylny to zakłóca przód :)
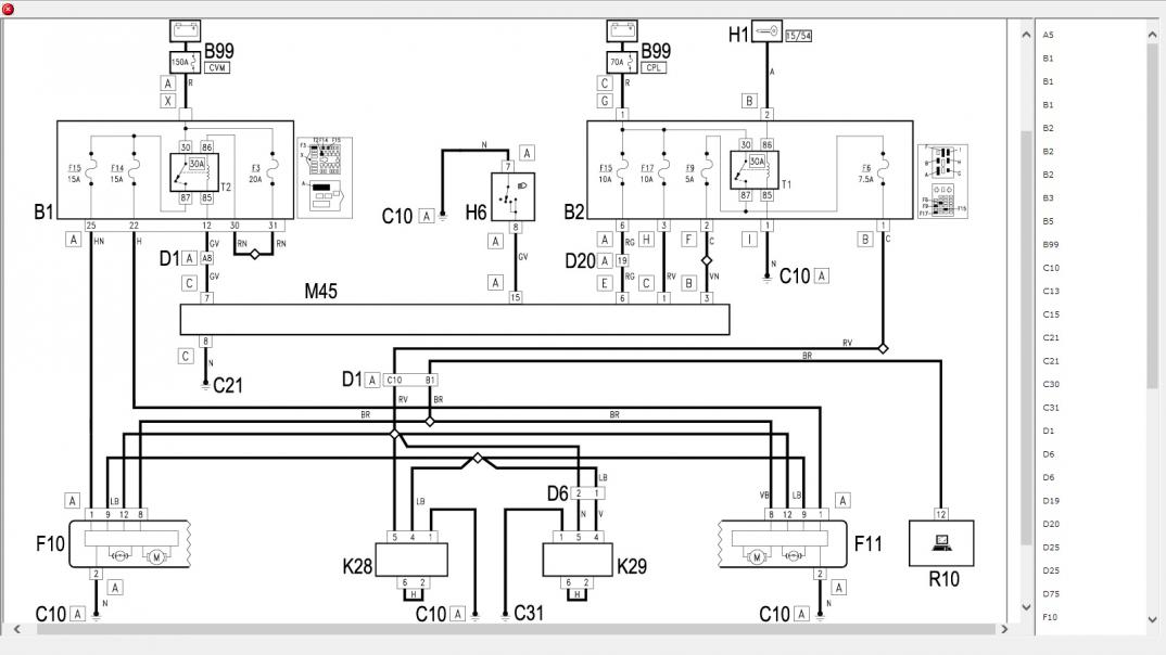
dzięki za podpowiedzi :) a szczególnie z tym że tylni zagłusza przedni ;) i przede wszystkim za schemat :)
Panowie, gdzie tanio kupie nowy tylni czujnik?
Tydzień temu płaciłem 98pln u taniegofiata na allegro
Wyklepane Hammer AXE
Ojciec dziś załatwił mi problem opadającego ksenonu. Myślałem,że znalazł jakieś fachowe rozwiązanie problemu a on po prostu podniósł lampe na tych plastikowych regulatorach do poziomu lewej, w sumie.... spełniło swoje zadanie :P. Wszystko zaczęło się od wymiany sprężyn w samochodzie. Odkąd podniosłem całe auto do góry zaraz jedna lampa dostała pie*dolca.
To faktycznie naprawa fest ... :confused: