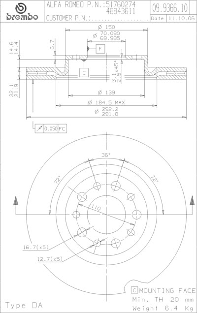
[159/Brera] Wymiana tarcz tylnych z 278 na 292

Printable View