jak w temacie..czy jest opcja lub możliwość automatycznego składania lusterek po zamknięciu auta z pilota..?
Printable View
jak w temacie..czy jest opcja lub możliwość automatycznego składania lusterek po zamknięciu auta z pilota..?
Nie.
Nie.
Po drobnej modyfikacji jest
Wysłane z mojego Nexus 5 przy użyciu Tapatalka
A jakieś szczegóły dotyczące tej modyfikacji? :) Poza tym, że drobna.
- chyba trzeba mieć edytor body komputera ale to tylko mają we włoszech.
- jak bym sie podpiął pod cana i prześledził sygnały.
- to wtedy można po zdekodowaniu sygnału zamknięcia wysyłać sygnal zwiń lusterka i/lub zamknij szyby jak są otwarte.
- podobnie u mnie w aucie na tej samej zasadzie jest robiony alarm.
No tak, to jest ten pomysł, który i ja widzę - wstawiamy sobie mały komputerek, łączymy się z CANem, i komputerek sobie czyta ramki. Jak trafi na ramkę zamknięcia drzwi, to dodatkowo wysyła ramkę "schowaj lusterka" (oczywiście wcześniej zesniffowaliśmy co się pojawia na szynie jak naciskamy przycisk składania lusterek).
W powyższym jest tylko jedno "ale", nie wiem czy BC raczy złożyć lusterka po wyjęciu kluczyka po wrzuceniu komendy na szynę, bo z przycisku w drzwiach nie chce.
Anyway, czy to jest ta *drobna* modyfikacja, o której pisał piotriix? Wyobrażam ją sobie już od dobrych 2 lat, ale nie nazwałbym jej *drobną*...
..no i o to mi chodziło..nie o suche ,, nie bo nie "..:)..tylko jak to zrobić.Myślałem również o odbiorniku can coś na zasadzie załączaniu alarmu po canie..załącza się alarm i nawet głupi przekaźnik zwiera styki przycisku zamknięcia lusterek.
Tylko pamiętaj, że ten przycisk "umiera" po wyjęciu kluczyka, albo jakoś niedługo po wyłączeniu silnika.
musimy jutro sprawdzić jak to z tym zasilaniem..
już biegnę do garażu aby udowodnić Tobie że to zrobię..:).Pitero...chyba nie o to chodzi.Poznawanie schematów , próby przerobienia czegoś co nam ułatwi eksploatacje ....ogólne myślenie , wyzwanie i satysfakcja z tego że można.. maja sens.A nie podejście..,, jak jesteś taki mądry to pokaż jak to zrobić "...przynajmniej tak to zrozumiałem.Na dzień dzisiejszy Twoja odpowiedź ,, nie " ..jest najbliższa prawdy ale każdy by się cieszył / tak jak kiedyś bubu rozpracował moduł komfortu z dodawanymi rezystorkami w alfie 147 po 2005 roku / aby szło to przerobić.
W zimie jak lusterko bedzie oblodzone moze dojsc do uszkodzenia sinika. dlatego tak to zostawili.
problem ogółem znany
na forum bravo problem rozpoznany i zrobiony z tym że kierownik ma opcję albo uruchomić albo nie.
Dareek..podeślij proszę linka bo coś nie mogę znaleźć..dzięki
- czekamy na linka.
Jak dzieci - wleź na forum i się zarejestruj bez tego link tu nic nie da bo nie będzie działał dla osób niezarejestrowanych i pisz do gościa Shaq on to u siebie montował!
- no to jak dziecko zapytam a które forum Bravo, google search naliczył mi chyba 20 sztuk.
Zarejestrowałem się na tym forum.
https://nuovabravoklub.pl/viewtopic.php?f=41&t=19
Właśnie czytam co koledzy wymyślili. Przyznam że nie jest to ,, wielka " elektronika.Jakieś dodatkowe zasilanie przekaźników przez bateryjki..:)... i pocięta i sztukowana wiązka.Zrobiłbym to inaczej.
Dziś jednak nie mam czasu na przestudiowanie tych schematów bo mam to wszystko na lapku w pracy.Generalnie kol. bubu321...w naszym przypadku ze sterownika wychodzą dwa kable do lusterka prawego sterujące zamknięciem łączone wewnątrz sterownika z silniczkiem lusterka lewego.Chyba należy skorzystać z tych kabli które idą już pod deską i wpiąć się w nie rozdzielając obwód w drzwiach lewych np. przekaźnikiem zasilanym od centralki drzwi lewych.Jeśli centralka działa / do otwarcia drzwi po wyłączeniu silnika / podaje napięcie na przekaźnik / a ten zachowuje fabryczne połączenia silniczków z centralką w drzwiach /.Po wyłączeniu centralki przekaźnik odłącza silniczki zamykania lusterek od układu a my możemy już bezkarnie :) podać napięcie np. zamykające lusterka np. z komparatora porównującego 4 napięcia z modułu komfortu zamykania okien przytrzymując dłużej pilota.Generalnie....chcemy zamknąć lusterka ..przytrzymujemy dłużej pilota tak jakby chcielibyśmy zamknąć wszystkie szyby. Przy wejściu do auta układ automatycznie otworzyłby lusterka bez jakiejkolwiek ingerencji pilota czy przycisków.Jutro przemyśle schematy...choć trochę jestem zaganiany w tym tygodniu.Wszystkie sygnały znajdują się w drzwiach kierowcy.Należałoby zrobić układ który rozpozna podanie zamknięcia 4 szyb..porówna jednoczesne napięcia na silniczki 4 szyb i przez układ czasowy / czasu zamknięcia lusterek / poda napięcie na silniczki po wcześniejszym odłączeniu linii silniczków od centralki.W momencie otwarcia drzwi należy znaleźć napięcie które ponownie przez układ czasowy poda napięcie na silniczki lusterek w odwrotnej polaryzacji.Można też wykorzystać np. najprostszy alarm CAN i jego przekaźnik odcinający pompę paliwa itd. W naszym przypadku po zamknięciu drzwi przez pilota i uaktywnieniu ,, alarmu " po CANie on zamknąłby przez układ czasowy / aby nie spalić silniczków / nasze lusterka.Trochę jednak przedraża to nasze lenistwo zamknięcia lusterek paluszkiem :).
A nie lepiej zwykły przekaźnik czasowy?
Wysłane z mojego Nexus 5 przy użyciu Tapatalka
- can jest lepszy i bezpieczniejszy.
- warunki dla CAN-a
- jeśli ((włącz_alarm) i (temperatura_zew > 3 st C)) to (zamknij_lusterka).
- jeśli ((wyłacz_alarm) i (temperatura_zew > 3 st C)) to (otworz_lusterka).
- do podpięcia do CAN-a używamy CAN-click, czyli nic nie lutujemy w magistrali CAN.
- potem stosujemy Can Logistic, wszystko ze strony www.formula.pl
- jest tylko jeden warunek, że panowie mają te kody cana już zdjęte z samochodu.
ps.
- doczytałem, że mają wersję ktróra sama się synchronizuje do auta.
- czyli można stosować rózne modele aut.
Myślałem że ten temat pozostawie sobie na wieczory zimowe..:).Czeka mnie jeszcze malowanie auta itd. Ale jeśli to będzie gotowiec tylko do podpięcia to też jestem zainteresowany.Napisałem do tej firmy z prośba o specyfikacje i kontakt pisząc o naszym forum.Zobaczymy co odpisza i jakie to są pieniądze.
- a mi właśnie odpisali z formula.pl.
- kodów can nie udostępniają dla Giulietty.
- zajmuja się tylko telematyką aut a raczej produkcja urzadzeń.
- "Can click" czyta tylko kody po can, nie potrafi wysłać tych kodów do magistrali.
- no cóz, bańka pekła teraz tylko analizator CAN do ręki i sniffować.
- po zebraniu kodów zaprogramować Arduino Duo i wsadzić do auta.
- fajnie byłoby jak by się dało wsadzić to we wtyk OBD mikro.
ciekawy temat, przydałoby się to składanie ;)
kupiłem i trochę przerobię po swojemu :)...zobaczymy co z tego wyjdzie
http://allegro.pl/przelacznik-szyb-w...048617085.html
Załącznik 212129Załącznik 212130
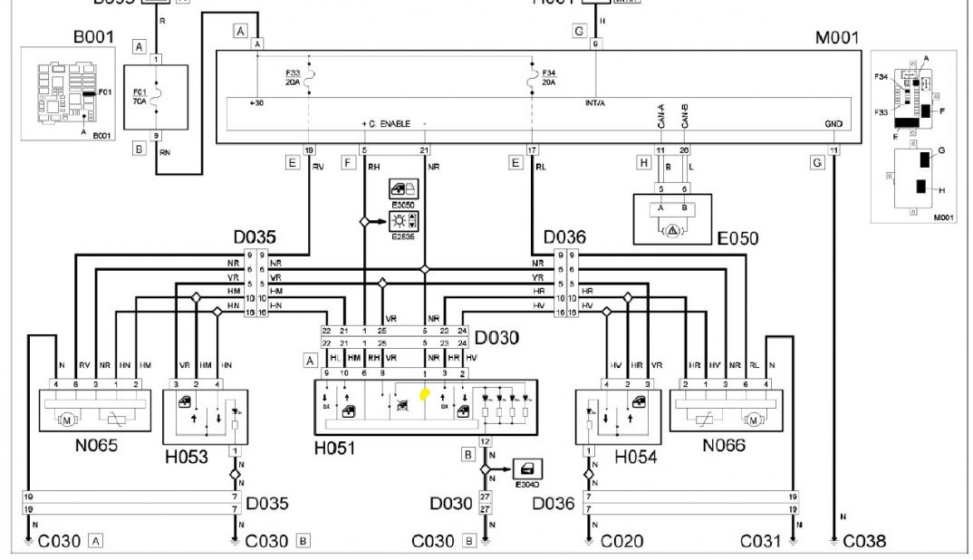
Nie powinno być dużych problemów z przerobieniem naszych lusterek. Na rysunku pierwszym mamy w module H 051 schemat sterowania zamykaniem lusterek. Nóżka A4 stały plus z aku , nóżka B6 sterowanie aktywacją zamykania / gaśnie po otwarciu drzwi /.Czyli musimy zrobić układ, który będzie podawał przez jakiś moment zasilanie na B6 i zwierał przycisk bistabilny.Bardzo prosto można to zrobić na mikro przekaźniku do sterowania tego / czasowego układu / można wykorzystać rys.2 sygnał z pinu, 1 który podawany jest z B.C dla komendy comfort closing / czyli zamykanie wszystkich szyb przy przytrzymaniu pilota /.Nie wiem jeszcze jak poradzić sobie z otwarciem lusterek. Można wykorzystać sygnał / plusa / z B.C podawanego znowu na B6, czyli aktywacja możliwości sterowania zamykaniem lusterek...ale jeśli ich wcześniej nie zamkniemy to przy wsiadaniu lusterka nam sie zamkną same.Jak dojdzie do mnie zakupiony moduł na allegro to sprawdzę czy nie ma możliwości podpięcia się pod przerzutnik. Musi być jakiś układ który przełącznikiem bistabilnym zmienia stany na wyjściu i steruje dalej elementem wykonawczym podającym napięcia na silniczki.
- nastała zima, więcej czasu, czyli czas pomyśleć jak skladać lusterka w G.Cytat:
Nie powinno być dużych problemów z przerobieniem naszych lusterek
- schemat podany na forum Bravo odpada, nie zmieszczą się te dwie baterie na 12 V do silników lusterek.
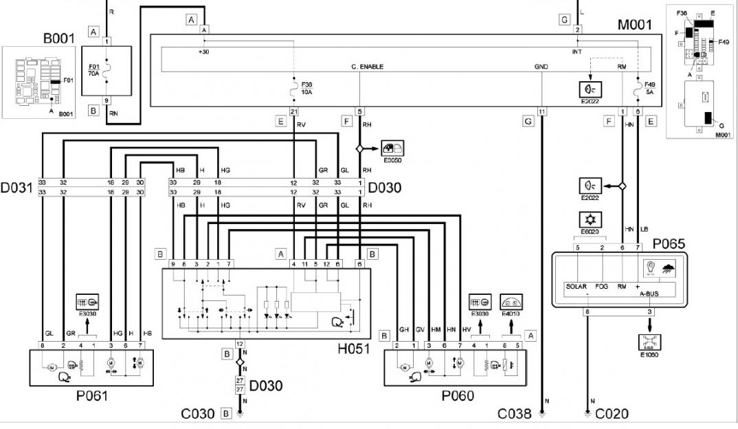
- poniżej schemat naszego modulu sterowania lusterkami i szybami w G.
- jedna zła informacja , nie ma tam szyny CAN.
- druga gorsza , jest bardzo mało miejsca w tym sterowniku.
- do sterownika idą tylko dwa sygnały napieciowe, stałe 12 V sygnał RH i sygnal C.enable (Comfort Enable).
- z tego też powodu chyba należy pomyśleć o sterowaniu zdalnym np. poprzez moduły blueTooth.
- moduł nadajnika gdzieś zainstalowany obok BCM z modułem BlueTooth (BT) Master czyli HC-5.
- moduł odbiornika BT HC-6 doczepiony do sterownika szyb.
- nadajnik musi tylko dostać sygnal o włączeniu alarmu, wysyła polecenie droga radiowa a odbiornik "naciska" klawisz zamknij (otwórz) lusterka.
- czy to robic z CAN-a , czy z sygnału centralnego zamknięcia drzwi, to już sprawa dyskusyjna.
- podtrzymanie chwilowe napięcia w sterowniku szyb można zrobić na superkondensatorach (Gold-Cap) tak 1 Farad na 15V.
bubu321 .. ja wstępnie zrobiłem już jakieś próby.Nie jest to „ wielka elektronika „ a w zasadzie symulacja załączenia przycisku zamykania / otwierania lusterek z podaniem zasilania na układ. Cały układ zbudowany został na tzw. gotowcach
http://allegro.pl/modul-przekaznika-...dhMTUxNGYzYw==
Wyszedłem z założenia, że nie ma sensu bawić się w projektowanie i wytrawianie płytki za takie pieniądze a jeśli projekt by nie wypalił to mam moduły czasowe, które mogę kiedyś wykorzystać .
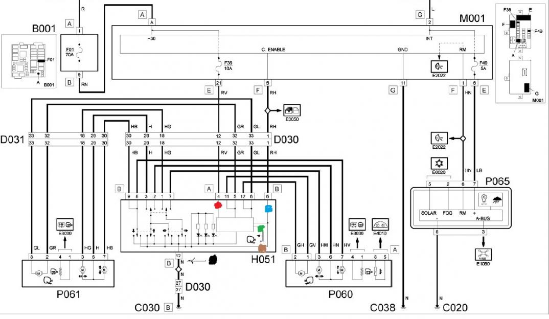
Zakupiłem dwie sztuki ukł.AWZ-525 i rozpocząłem próby. W pierwszej kolejności należy podpiąć się w ścieżki na naszym module sterowania lusterkami i szybami. Na zdjęciu pierwszym na schemacie zaznaczyłem kolorami miejsca, do których polutowałem kabelki, które należy połączyć z naszym sterownikiem.
Zielony i brązowy …zwarcie przycisku zamykania/otwierania lusterek
Niebieski – zasilanie układu wyłączane przez BC po otwarciu drzwi. Należy układ oddzielić poprzez diodę, aby napięcie po załączeniu stacyjki nie wracało na układ sterownika
Czarny – masa
Czerwony – zasilanie układu z akumulatora. Dla zabezpieczenia auta postanowiłem to napięcie poprowadzić przez dodatkowy bezpiecznik 2 A
Żółty – jest to napięcie pochodzące z BC do sterowanie funkcji komfort zamykania i otwierania wszystkich szyb. Zdjęcie 2.
Zasada działania
Postanowiłem wykorzystać do sterowania zdalnego zamykania lusterek funkcję komfort- możliwość domykania szyb w aucie. Wiadomo, że nie domykamy szyb zimą, nie będzie problemu z oblodzonym lusterkiem. Po opuszczeniu auta również domykamy wszystkie szyby. Poza tym nie jest to funkcja automatyczna tylko taka, którą wedle potrzeby sami wywołujemy. Istnieje pewna zwłoka działania układu. Zamykanie lusterek startuje po kilku sekundach od wywołania domykania szyb. Chodzi o nie przeciążanie układu i o uzbrojenie ponowne modułu samochodu. W momencie dłuższego przytrzymania przycisku zamykania na pilocie podawany jest sygnał, / choć woltomierz wskazuje wzrost z 12V do 18V / w rezultacie następuje chwilowy spadek napięcia w momencie startowania wszystkich szyb / metoda prób i błędów / kabelek żółty. Ukł. AWZ-525 ma możliwość sterowania impulsem dodatnim jak i masą. Należało tylko poprzez dzielnik napięcia dobrać odpowiedni moment zadziałania układu. Poprzez dzielnik rezystor 10K i PR 10K należy tak ustawić PR, aby przy zadziałaniu podnoszenia szyb impuls spadku napięcia / ok 2 sek. / wysterował układ na wejściu S-.Reszta to już prosta sprawa. Na zdjęciu mamy widok dwóch sterowników czasowych / lewy, prawy /.Lewy po impulsie startowym załącza nam poprzez przekaźnik NO napięcie na czas zadziałania zasilania modułu samochodu ok. 7 sek. W tym również czasie startuje drugi / Prawy / układ czasowy, ale jego przekaźnik załącza się, jako przejście dla napięcia z przekaźnika pierwszego układu w momencie rozłączenia NC / styki zwierają się przy braku napięcia na cewce /.Czyli jeśli Lewy ustawimy na 7 sek. a prawy na 4 sek. To napięcie dodatnie, które przejdzie najpierw przez pierwszy przekaźnik poczeka te 4 sek. na rozłączenie przekaźnika drugiego i będzie trwało 3 sek. do momentu wyłączenia pierwszego układu. I właśnie tym napięciem sterujemy dodatkowy przekaźnik zwierający nam styki przycisku zamykania / otwierania lusterka / kol. Zielony i brązowy /.Czasy te również zostały dobrane metoą prób i błędów, dlatego ten dodatkowy przekaźnik. Czyli mamy dwa napięcia. Pierwsze steruje modułem samochodu podając zasilanie na ok. 7 sek. Drugie zwiera nam przycisk zamykania lusterek na czas 3 sek. po upływie 4 sek. Oczywiście te czasy możemy regulować w zakresie od 1-60 sekund / brak zwory na układzie czasowym AWZ-525 – czytaj instrukcja /.
Koszt budowy takiego układu to ok. 100 PLN / 2x 31, przesyłka 10, pudełko 12, dodatkowy przekaźnik 10 /. Czy warto? Ocenę pozostawiam kolegom. Ja jednak przyzwyczajony byłem przez ostatnie auto do tej funkcji i trochę mi tego w alfie brakowało. Aktualnie w związku z tym że zamykanie lusterek sterowane jest spadkiem napięcia występują problemy przy odpalaniu auta ..występuje w tym momencie spadek nap. na lini sterowania zamykaniem :).całość odłączyłem i czeka do wiosny na wymyślenie impulsu sterującego
Załącznik 219298Załącznik 219299 .Załącznik 219296Załącznik 219297Załącznik 219300Załącznik 219301
- dzięki za upublicznienie wyników prób.
- sygnał sterujący to jest ten problem do rozwiazania.
- zmontowałem na szybko nadajnik i odbiornik oraz przekażnik półprzewodnikowy.
- wszystko działa na odległość 10 - 15 metrów.
- na magistralę CAN zadawałem wymyślone ID komunikatów, lusterko się składało i otwierało zgodnie z wysłanym komunikatem.
- jako lusterko służył opornik 10 Om (taką oporność ma silnik do składania lusterka).
- teraz będę skladał analizator CAN a potem testy z alarmem.
- podczas testów będę logował wszystkie ramki CAN podczas właczania i wyłaczania alarmu.
- logi tak zebrane będę zwrotnie wysyłał na CAN, naturalnie bez ramek logowanych bez alarmu.
- log będzie dzielony na kolejne części , aby namierzyć ramkę z alarmem.
- w schemacie zastosowałem Arduino Uno ver 3 z shieldem CAN oraz nadajnik HC05.
- moduły HC-xx sparowane tylko hasłem, nie bawiłem sie ustawianiem bind, link pair.
- po stronie odbiorczej odbiornik HC-06 (slave), ATtiny 85 jako UART i sterowanie przekażnikiem pólprzewodnikowym.
- moduł sterujący wyjęty z G. na czas testów.
Załącznik 219345Załącznik 219346Załącznik 219347Załącznik 219348Załącznik 219349Załącznik 219350Załącznik 219351
bubu321 skoro Ciebie zainteresował ten temat to wiem że będzie rozwiązany :)...myślę jednak że o ile w moim przypadku mogę zainwestować w alarm to dodatkowe koszty nadajnika i odbiornika BT są na przerost.Łatwiej będzie nawet doprowadzić dodatkowy kabelek do złącza drzwi np. od zasilania czujek z wyjścia alarmu w momencie jego uzbrojenia.Muszę jeszcze przemyśleć..czy bardzo potrzebny jest ten żółty sterujący na czas załączenia alarmu..napięcia z body idą bezpośrednio na silniczki szyb..jutro w pracy przysiedzę.Może można go odciąć na czas załączenia alarmu przez przekaźnik i podawać mu na to miejsce nasz sygnał sterujący.W momencie wyłączenia alarmu przekaźnik puszcza i obwód pozostaje po staremu :).Patrz zdjęcie schematy.Tniemy już wewnątrz auta.Wtedy byśmy musieli sterować napięciem dodatnim..nie ma spadków napiecia. Przesyłam Ci również zdjęcia gdzie wpinałem się do modułu..
bubu321 .. chyba znalazłem rozwiązanie genialne w swojej prostocie :).Do układu już sprawdzonego należy dołożyć modyfikacje w postaci następnego przekaźnika ..ja akurat mam takie fajne podwójne z jakiegoś starego modułu komfortu :).Przekaźnik ten będzie działał na zasadzie odłączenia sterowania po przekręceniu kluczyka w stacyjce ..czyli podaniu na kabel niebieski +12.Wiadomo że zasilanie na tym kablu / całym module / jest do momentu wyłączenia stacyjki i otwarcia drzwi.Wtedy nic nam nie będzie zakłócało i zamykało lusterek np.odpalenie rozrusznika funkcja S&S itd. / no chyba że mamy słaby akumulator /.
Jest jeszcze możliwość próby podłączenia impulsu z siłownika centralnego zamka.Też mamy w drzwiach więc nie musimy kombinować.A lusterka wtedy elegancko by się zamykały wraz z autem.
Przesyłam rysunek po modyfikacji .. jak trochę się ociepli zrobię próby układu.Należałoby również na stałe zrobić mały wyłącznik przy przyciskach aby można na stałe wyłączać lub załączać tą funkcjeZałącznik 219420
mam pytanie - czy można "dołożyć" funkcję skladania lusterek ? (akurat nie mam tej opcji)
wystarczy mi opcja na przycisku, żadnych bajerów
inny sterownik / w środku jest trochę elektroniki która steruje silniczkami / .. lusterka z silniczkami składającymi lusterka no i wiązka.Myślę że wszystko w obrębie drzwi więc zdejmujesz tylko boczki. Pewnie koszt uzbierania części ok 500 pln. Musisz się zastanowić czy warto :)
Zmiana koncepcji na obudowę i sposób podłączenia.Wykorzystam wtykę i gniazdo RS9 aby można było łatwo odłączyć urządzenie.Wszystkie kable są łączone równolegle do układu tak że lusterka będą działały normalnie nawet z odłączoną modyfikacją.Zakupiłem nowe zgrabne pudełko , jutro postaram się podłączyć wszystko do układu.Załącznik 219434Załącznik 219435Załącznik 219436Załącznik 219437Załącznik 219438Załącznik 219439Załącznik 219440Załącznik 219441Załącznik 219442Załącznik 219443Załącznik 219444Załącznik 219445Załącznik 219446
- podaj model tego pudełka, może wsadzę do niego nadajnik BT.
- a ja na razie przystopowałem z budową analizatora CAN, moze coś sie uda w ten weekend.
- z analizy schematu wynika, że wystarczy dodatkowy przekaznik (przekażnik półprzewodnikowy) aby po wyłączeniu stacyjki podać zasilanie na włącznik lusterek.
bubu321 .. sorry ale numeru pudełka Ci nie podam.Poszedłem do kumpla do sklepu , zrobiłem mu remanent na półkach i znalazłem całkiem fajne pudełko :).Wracając do tematu..dzisiaj udało mi się trochę okablować urządzenie i wymieniłem kabel łączący.Jutro jak pogoda pozwoli będę robił próby i ostateczne modyfikacje.Na pierwszym zdjęciu zaznaczyłem diodę wejściową sterowaną napięciem z Body..podłączony na wejściu jest kabelek biały..on steruje dodany przekaźnik który załącza się nam wtedy kiedy jest odpalona stacyjka lub siedzimy jeszcze w aucie nie otwierając jeszcze drzwi.To napięcie ma dość kluczowe znaczenie bo ono będzie sterowało nam zasilaniem naszego układu i przejściem sygnału sterującego załączeniem.Czyli tylko wtedy .. jak opuszczamy samochód lub jak jest zamknięty nasz układ będzie działał .Reszta jutro po ostatecznych próbach i testach
Załącznik 219538Załącznik 219539Załącznik 219540Załącznik 219541Załącznik 219542Załącznik 219543Załącznik 219539
- dzięki za infomacje i powodzenia w testach.
- a ja w końcu uporałem się z Can analizatorem i zacząłem próby odczytu ramek.
- jutro chyba założę nowy temat aby nie rozdwajać problemu, będzie do wyboru projekt tani i super drogi.