Wywołanie trybu STR w Sportronicu
Ciekawi mnie czy da się poprawić reakcję na gaz w Spotronicu. Wiadomo, że na automacie pedał gazu jest "gumowaty". W trybie sportowym jest lepiej, ale nadal to nie jest to co w manualu...
Stąd pytanie, czy można jakoś oszukać ECU i wywołać tryb STR.
Info od Danusa:
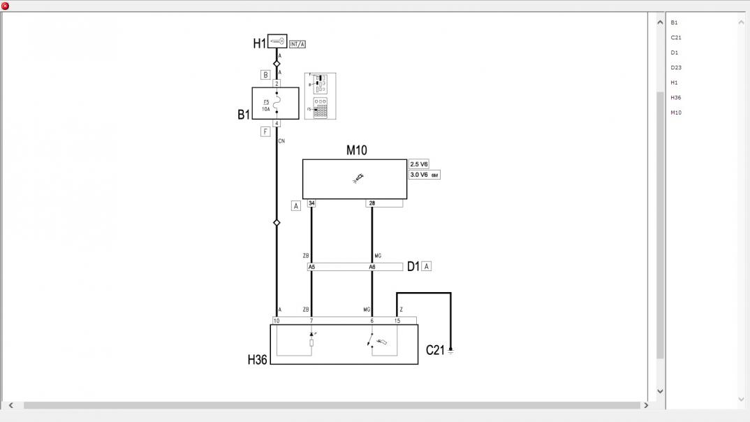
Jak ktoś ma chwilkę czasu i chęci, to niech zerknie w sterowniku ME3.1 czy ma okrosowane piny A28(załączenie) i A34(kontrolka) na sterowniku.
Read more: http://www.forum.alfaholicy.org/zlot...#ixzz4jJDI2hU5
Wg dokumentacji podając masę na A28 uaktywniasz STR. Dokumentację mam niestety wspólną dla manuala i asb. Pytanie jeszcze jak wyglądają mapy w sterowniku ?
Read more: http://www.forum.alfaholicy.org/zlot...#ixzz4jJDeVUJH
Pytania nasuwają się dwa:
- czy jest mapa pod STR w ECU Sportronica?
- czy STR nie jest już wykorzystany w trybie sportowym?
Chyba trzeba zrobić próbę ;)