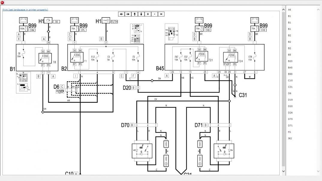
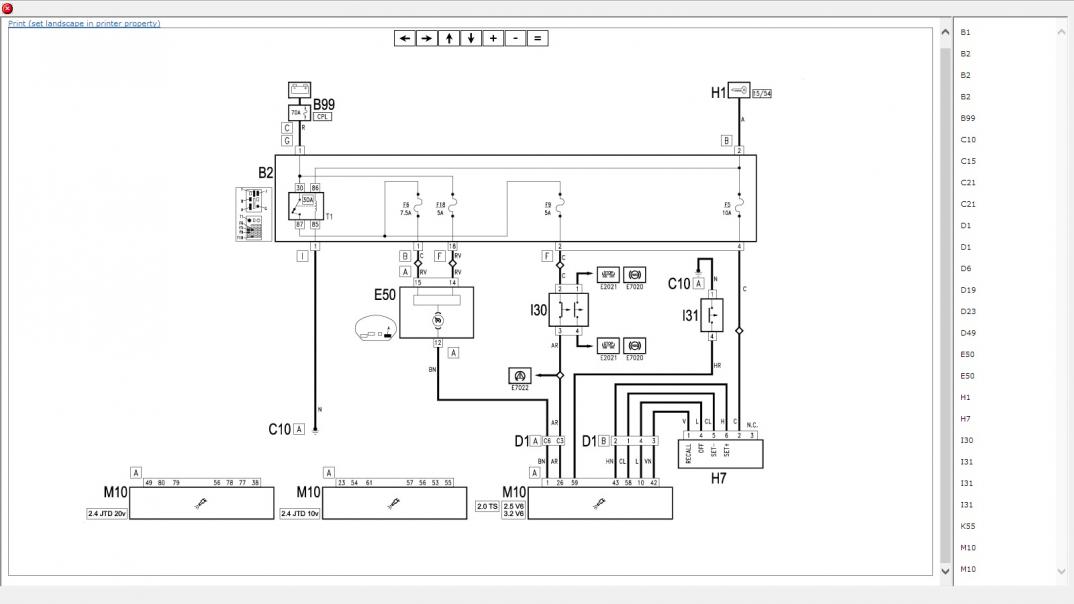
AR 166 Zgasło podświetlanie wskaźników, dmuchawa w kabinie i termometr na zewnątrz

Printable View