Witam
Czy ktoś ma lub ogarniał podłączenie podgrzewanych dyszy do spryskiwaczy? Było to dostępne jako opcja, patrząc po ePer oprócz dysz trzeba wymienić przewód doprowadzający płyn. Ciekawi mnie jak jest zorganizowane podłączenie
Printable View
Witam
Czy ktoś ma lub ogarniał podłączenie podgrzewanych dyszy do spryskiwaczy? Było to dostępne jako opcja, patrząc po ePer oprócz dysz trzeba wymienić przewód doprowadzający płyn. Ciekawi mnie jak jest zorganizowane podłączenie
Kupiłem takie dysze na wyprzedaży w autosklep24, chyba za 30zł za 2 szt. Wyglądają tak samo jak te zwykłe, tylko maja kabelek z kostką. Przyznam się, że jeszcze nie sprawdzałem jakie sa obecnie u mnie. Ale planuje je wymienić, bo moje już nie pryskają za dobrze, tylko leją. Z racji, że była promocja to kupiłem podgrzewane . Nie wiem, po co trzeba by było wymieniać sam przewód od płynu?
Sprawdzałeś w Elearn?
Jeszcze nie
Wysłane z mojego G8441 przy użyciu Tapatalka
Sprawdzę u siebie jak to wygląda, czy mam podgrzewane, czy nie i dam znać
Daj vin na priv i sam sobie sprawdze :-)
Wysłane z mojego G8441 przy użyciu Tapatalka
poszedł priv:)
udało ci się rozkminić temat tych podgrzewanych dysz ?
Dajcie dokładne fotki tych dysz to wam podpowiem jak wykombinować ich zasilanie :)
Najprawdopodobniej są tam grzałki PTC, jak masz dostęp do amperomierza i zasilacza 14v to można to sprawdzić.
Grzałka PTC pobiera coraz mniej prądu wraz ze wzrostem temperatury.
Jak wyżej pisał [MENTION=22195]jasio79[/MENTION], wymiana rurki doprowadzającej płyn, pewnie rozwiąże problem. Ma inny numer w Eper i na pewno jest z zasilaniem, które wpina się w jakąś wolną kostkę.
Wpiszcie numery ( o ile macie ) w EPER. JA znalazłem na sieci takie dwa, które pasują do naszych 159:
Prawy - 735445407
Lewy - 735445409
Ale w EPER te numery są tylko do Bravo i Delty jako podgrzewane, tak jakby wyglądało, że nasze belle nie miały tego udogodnienia.
Na forum 147 chłopaki podłączali je do ogrzewania lusterek/szyby tył. Oczywiście pod warunkiem, że w tych wersjach nie było ogrzewania dysz, bo niektóre 147 miały to w standardzie :)
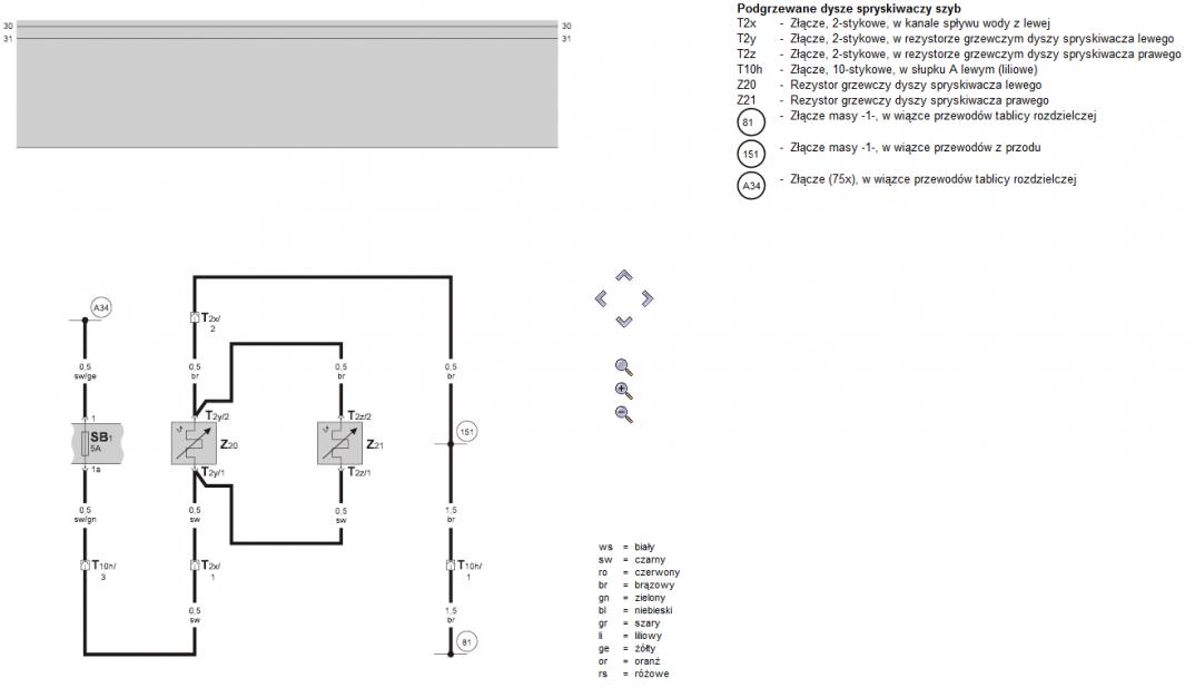
Panowie sprawa podłączenia jest prosta nawet bez schematów :)
Trzeba tylko sprawdzić czy jest to grzałka PTC czy inna.
Pisałem wcześniej czym się charakteryzują grzałki PTC.
Jak będę miał informację o rodzaju grzałki to wam wysmaruję schemacik :)
Potwierdzam. Numer do Alfy 159 to : 156064095. Ktoś zainteresowany to są na allegro oryginały: https://allegro.pl/oferta/spryskiwac...nal-7742539048
Kupiłem, pobawie sie, instalacja pewnie jest tylko ciekawe gdzie, w ostateczności można sie podłączyć do ogrzewania szyby
W to miejsce rzadko kiedy są podłączone dysze, mało tego to jest niezbyt szczęśliwe podłączenie.
Najczęściej w dyszach stosuje się grzałki PTC, i one są one zazwyczaj podłączone tak:
Załącznik 264538
NIECH KTOŚ Z MAJĄCYCH TE DYSZE SPRAWDZI CZY WRAZ ZE WZROSTEM TEMPERATURY SPADA POBÓR PRĄDU !!
sorka za "krzyk", ale idziecie w złą stronę, zamiast zrobić instalację spryskiwaczy "jak trzeba".
Niestety przewód 60695741 jest już niedostępny w ASO. Część wycofana
U Litwinów (na tej stronie) jest dostępny na ich stronie ale po weryfikacji odpiszą , że część niedostępna niestety
Pozdr
- - - Updated - - -
U Litwinów (na tej stronie) jest dostępny na ich stronie ale po weryfikacji odpiszą , że część niedostępna niestety
Pozdr
Tak jak kolega wyżej sugerował wraz ze wzrostem temperatury spada pobór prądu. Nie wiem ale jak by podłączył wspólnie na jednym pstryczku z tylną szybą i lusterkami tylko że prąd na spryskiwacze puścić przez osobny przekaźnik co sądzicie o takim rozwiązaniu czy miało by to sens ?
Załącznik 265062 Załącznik 265063 Załącznik 265064
o dziwo kupiłem chyba ostatnia w Europie oryginalna wiązkę do podgrzewanych spryskiwaczy .
Gdzie ja dorwales?, wrzuc zdjecia
Wysłane z mojego G8441 przy użyciu Tapatalka
Daj namiary gdzie kupiłeś i zrobił byś fotki z montażu gdzie co jest podłączone i wrzuć
Kij z namiarami dawaj foty i mierz ją dokładnie, najwyżej się takowe będzie samemu dorabiać :)
- - - Updated - - -
Weź je wsadź na noc do zamrażarki aby sprawdzić ich maksymalny pobór prądu.
Nie wiem jak w oryginale jest, ale ja bym dał przez na plusie po zapłonie przez włącznik termiczny "0*C" i tyle.
W "niemcowni" fabrycznie, działa chamsko po zapłonie przez cały rok i nic się nie dzieje (schemat wrzucałem kilka postów wyżej).
Cierpliwości, ponieważ nie ma mnie w domu . Jak wrócę, to dam info.
Witam wszystkich ponownie. Dzięki uprzejmości kolegi [MENTION=28117]slawek986[/MENTION], wrzucam zdjęcie jedynej w Europie:) oryginalnej wiązki do grzanych sprysków:) w Alfie 159. Jak widać nie jest to skomplikowane urządzenie. Wiązka liczy trzy kostki i zrobienie jej nie zajmie dużo czasu. Pogrzebałem trochę w necie za nietypową kostką, którą łączą się spryski z wiązką (trzecia kostka to standardowe AMP TYCO 2 PIN). Po długich poszukiwaniach i przerzuceniu zdjęć setek kostek samochodowych, znalazłem naszą nietypową kostkę:) Jest to kostka typu MOLEX o nr. 521170243 (zał. zdjęcie). Problem polega na tym, że kostki takie można kupić jedynie w większej ilości. Ja przynajmniej nie znalazłem ofert, sprzedaży np 2 kostek, czyli tyle ile jest nam potrzebne. Teraz pytanie do Was, czy są chętni na wiązkę grzanych sprysków? Wtedy można zamówić większą liczbę kostek i sklecić wiązki po taniości. Na tej stronie https://www.arrow.com/en/products/52117-0243/molex jest nasza kostka. Liczba minimalnego zamówienia to 19. Są jeszce na chińskich stronach http://kinkong-connector.com/product...-21-ID150.html.
Mały upate znalazłem nasza kostkę na polskiej stronie: https://www.tme.eu/pl/details/mx-521...SABEgKmefD_BwE
Ja jestem chetny. Pytanie tylko czy kazda 159 ma instalacje do wpiecia. U siebie nie rozgrzebalem wszystkiego z lewej strony natomiast na srodku znalazlem wtyczke do podlaczenia podgrzewanej przedniej szyby...
Wysłane z mojego G8441 przy użyciu Tapatalka
Nie posiadając wolnej kostki do tej instalacji, mozna się wpiąć własnie w te ogrzewanie. To tylko plus i minus. Ponadto z tego co ustaliłem z kolegą [MENTION=28117]slawek986[/MENTION], po rozebraniu podszybia na środku, powinna być zaślepiona kostka do ogrzewania sprysków. Jeśli jej nie ma to wiadomo, nie ma instalacji.
Ponoć do grzania szyby jest gdzieś z boku, też po zdjęciu podszybia. Info zasłyszane, sam nie rozbierałem, to nie wiem. Ja u siebie mam podgrzewaną, przednią szybę, więc jak będe miał jeszcze jedną wolną kostkę to wiadomo, że to jest własnie ogrzewanie sprysków
Kostki kupione. Tylko kurde wyslali bez wtykow pomimo ze zamowilemhttps://www.forum.alfaholicy.org/ima.../2020/02/6.jpg
Wysłane z mojego G8441 przy użyciu Tapatalka
Typ złącza to damski Molex Mizu P25
https://pl.mouser.com/Molex/Connecto...Z1yilumj&No=25
Pasuje idealnie. Jak dojedzie kolejna wtyczka i konektorki biore sie za robote. Lutownica, seta wodki zeby sie nie trzesly rece i jazdahttps://www.forum.alfaholicy.org/ima.../2020/02/7.jpg
Wysłane z mojego G8441 przy użyciu Tapatalka