Nie działa radio po odpięciu akumulatora
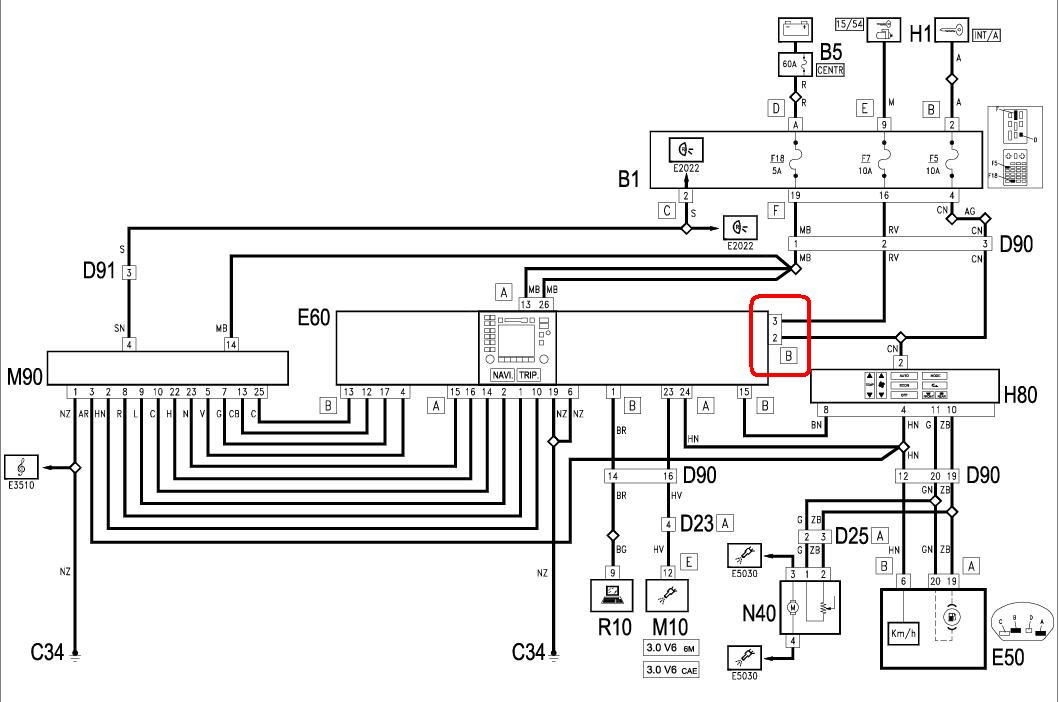
witam. mam taki problem. poszedł mi pasek od alternatora i wciągnęło go pod rozrząd. jak holowałem do mechanika rozładowała się bateria. potem na czas naprawy była odłączona. po naprawie przyszedł czas na odpalenie i bateria była przepięta pod inną przewodami. auto odpaliło, ale nie działał ics i podświetlenie zegarów. okazało się ze spalił się bezpiecznik. został wymieniony i wszystko działa klima itp oprócz radia. w ogóle jest tak jak by się oprogramowało. nie szuka stacji itp. kasety nie działają cd też nie. nie było żadnego zwarcia i nie wiem dlaczego bezpiecznik się spalił. może ktoś wie co się stało?