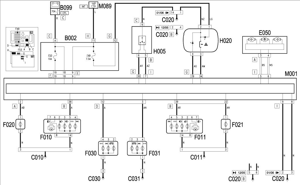
Potrzebne zdjęcie konektora z pod kierownicy z pinami od przednich kierunkowskazów.

Printable View