-
Jak naprawić klakson.
Witam. Mam problem od jakiegoś czasu nie mam klaksonu, wcześniej już szwankował w ten sposób że, podczas jazdy i wjechaniu w dziurę auto trąbiło. Teraz już wcale nie trąbi. Dodam jeszcze że od jakiegoś czasu nie działa tempomat. Podejrzewam że przetarł się jakiś przewód. Jak się do tego zabrać.
-
Zdejmij kierownice bo wygląda to na źródło problemów.
-
A może tylko sygnał dżwiękowy się spalił częsta usterka nie tylko alf,trzeba sprawdzić.
- - - Updated - - -
Łatwo to sprawdzić wystarczy podłączyć sygnał pod akumulator.
-
Myślę że przyczyna leży w przewodach, tylko boję się że będzie przy tym dużo roboty.
-
Tak jak radzę sprawdż najpierw sygnał a póżniej dopiero przewody.
- - - Updated - - -
Ale zresztą i tak zrobisz jak uważasz.
-
Ktoś coś wie na ten temat. Bo szykuje się do roboty i każda informacja może być cenna.
-
W moim przypadku najpierw nie trąbiła jedna syrena, potem i druga. okazało się że jedna z nich robi w sobie zwarcie i przepala bezpiecznik. Dokupiłem uniwersalną syrenę, wstawiłem zamiast tej zepsutej, wymieniłem po raz kolejny bezpiecznik i grają teraz obie, tak jak ma być :)
-
Zrobione. Co się okazało- wystarczyło wypiąć i przeczyścić konektorki.
-
Sorka za odkop ale w piątek straciłem nagle klakson (trąbiłem na oszołoma, który zastawił skrzyżowanie). Szukałem po forum ale nie znalazłem interesujących mnie informacji. Gdzie w 2,4jtdm znajdują się bezpieczniki lub ewentualnie przekaźniki od klaksonu? W instrukcji obsługi znalazłem jedynie wpis "sygnały dźwiękowe" i przypisany był do tego bezpiecznik 15A pod maską o nr 11. Sprawdziłem go i nie wydaje się spalony (choć jak kupię nowy to wymienię na wszelki wypadek). Czy to jest jedyny bezpiecznik odpowiadający za klakson? Jeśli nie to gdzie mam szukać innego?
-
1 załącznik(i)
-
Danus77, mam prośbę. Wrzuć jeszcze raz ten plik w większej rozdzielczości, bo po powiększeniu nie wszystko jest czytelne. Dzięki
-
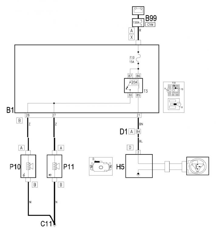
1 załącznik(i)
Teraz może będzie lepiej. Scaliłem z dwóch.
Załącznik 116261
-
Dzięki, powinienem sobie poradzić. Na schemacie są pokazane dwie skrzynki bezpieczników/przekaźników. Ta skrzynka gdzie jest bezpiecznik F10 i przekaźnik T3 wiem gdzie jest. A to pod spodem z literką B to jest jakaś jeszcze skrzynka, czy przekrój przekaźnika? Jeśli skrzynka to gdzie ona się znajduje?
-
Kurde ciężko powiedzieć, może to jest pozycja bezpiecznika B99 na płycie aku.