Problem z nawiewem oraz jak go sprawdzić ?
Witam. !
Prowadzę osobistą walkę z wentylatorem nawiewu wewnętrznego.
Jak już wiadomo standardowo wyświetla komunikat "Air Conditioner Faulty, Please Contact to Worshop!"
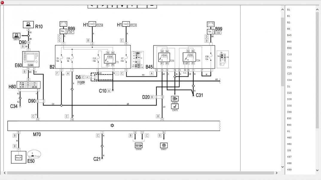
Razem z Karolem sprawdziliśmy niemalże wszystkie (chyba) przekaźniki jak i bezpieczniki/chyba - fajny schemat jest na tej stronie :
http://www.autogenius.info/pl/alfa-r...zniki-schemat/
Co już zrobiliśmy ?
Podpinaliśmy wentylator z innej Alfy do mojej Alfy i nic, słychać klapki i itp, ale wentylator jak na złość nie startuje.
przekładaliśmy również sterownik klimatyzacji - ten na jedną śrubkę pod ICS ..
Kablami ruszaliśmy przy schowku/za ICS i nic, panel klimatyzacji również podmieniony i dalej nie działa...
Ktoś ma jakieś pomysły ?
Kolejna rzecz, biały ELM 327 BT, ma tylko jedną płytkę, da się coś z tym zrobić, żeby połączyć się z Klimą Lybry pod AlfaOBD ?
Pozdrawiam.
P.S A niemalże bym zapomniał, czy tak razem z tym modułem sprawdzę wentylator ?
http://allegro.pl/modul-sterownika-p...216053407.html