1 załącznik(i)
Przekaźnik świec żarowych 1,9 jtdm 16v
Witam
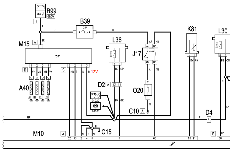
Przy ostatnich niskich mrozach miałem duży kłopot z uruchomieniem silnika. Dziś zabrałem się za sprawdzenie i okazuję się, że na żadną świece nie przychodzi napięcie...Sprawdziłem przy okazji świece wszystkie mają około 1,1 Ohma. W przekaźniku świec mamy 2 wtyczki z czego jedna to tylko świece a druga to sterowanie. Z moich pomiarów wynika, że we wtyczce C( rysunek)na pinie 3 jest 12V, pin 1 to masa, piny 2 i 5 to sterowanie z ECU. Na wtyczce B czyli same świece nie ma napięcia...Podejrzewam, że ten moduł/przekaźnik świec padł. Co ciekawe mam go w domu próbowałem go rozebrać - nic z tego. Auto bez niego zapala i nie żadnego błedu:)
Załącznik 240704
Czy moje przypuszczenia są słuszne i muszę kupić ten przekaźnik? Czy ktoś miał może problemy i coś radzi innego?
Pozdrawiam
Rozerbałem przekaźnik świec żarowych w środku elektronika i przekażnik...