Zestaw naprawczy zawieszenia tylnego TEDGUM
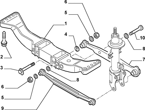
Witam, ponieważ mam do wymiany w belli tuleje wahaczy 8szt i gumy ztabilizatora tył pomyślałem o jakimś zestawie tylnych gum i tulei. Jedyna firma jaka. Oferuje coś takiego to "TEDGUM", szperajac po forum znalazłem post z 2012r z dobrymi opiniami na temat tej firmy, ale szukając w Google trafiłem na złe opinie na forum Forda. Jak sprawa wygląda dzisiaj? Opłaca się brać? Czy lepiej poskładać samemu taki zestaw np. Z firmy febi, meyle?
Wysłane z mojego SM-G390F przy użyciu Tapatalka