Witam,
W mojej Julce z 2011roku (radio BOSCH 940) nie ma gniazda USB/AUX. Analizując schematy:
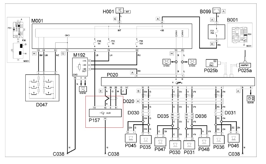
1. Schemat mojego samochodu bez portu USB/AUX
Załącznik 273815
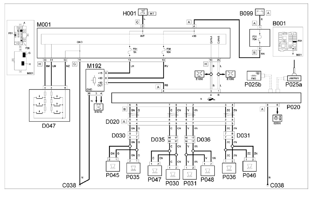
2. Schemat z portem USB/AUX
Załącznik 273816
dołożyłem bez problemu gniazdo AUX. Na schemacie nr 2 widać, że do oryginalnego portu USB/AUX zostały poprowadzone dodatkowe dwa przewody: zasilanie po stacyjce oraz masa. Czy byłby mi ktoś w stanie napisać czy oryginalny port USB montowany w schowku służy tylko do ładowania czy również do słuchania muzyki z pendrive'a?