3 załącznik(i)
Wiązka elektryczna - drzwi kierowcy. Prośba o pomoc.
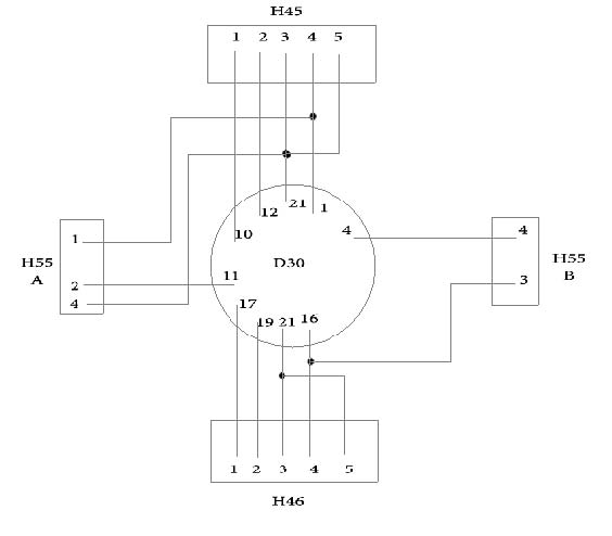
Witam, swojego posta kieruje głównie do posiadaczy Alfy Romeo 156 po pełnym lifcie (najlepiej 2004-05). Problem mój polega mianowicie na kolejności poszczególnych przewodów elektrycznych w wiązce wychodzącej z nadwozia (kostka D30) i łączącej się z wiązka w drzwiach. O ile wiązka drzwiowa jest w porządku i końcówki przewodów w kostce wychodzą w odpowiednich miejscach o tyle nie mam tego szczęścia z przewodami wychodzącymi z kostki wiązki głównej( wychodzącej z nadwozia). Dlatego moja wielka prośba, czy mógłby ktoś podać na przykładzie działającej całościowo wiązki kolejność/umiejscowienie poszczególnych przewodów w kostce. Coś co dla was wydaje się normalne dla mnie jest utrapieniem, ponieważ nie funkcjonuje mi większość urządzeń elektrycznych obsługiwanych przez kierowce(el.szyby c.zamek itp). Czynność nie jest trudna wystarczy odpiąć kostkę odsunąć gumową osłonę i dokładnie opisując kolor przewodów podać miejsce danego przewodu. Przewody są w w 6 rzędach.
Znalazłem coś takiego Załącznik 56037Załącznik 56038Załącznik 56039
Niestety jest to przykład wiązki dla modelu z przed fl :(
Dlatego mam nadzieje, że znajdzie się się jakaś dobra dusza i wspomoże kolegę w potrzebie :)
Pozdrawiam