Owszem :)
Printable View
Witam. Ja też melduje że feralna uszczelka małych rozmiarów została dzisiaj zmieniona. Stara była twarda jak kamień. Przebieg 143000
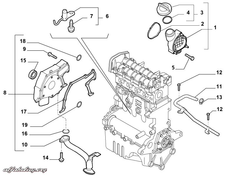
Panowie, na rysunku z epera uszczelka nr 16 ma inny kształt, a smok olejowy wg schematu mocowany do pompy na śruby.
W oplach z tego co wiem smok olejowy nie jest mocowany do pompy tylko do miski olejowej, czy w Alfie jest tak samo?
Jeśli tak to oznacza, że rysunek z epera można sobie wsadzić ....
Załącznik 225721
Czy na rysunku ta uszczelka jest wg Ciebie okrągła? rysunek z Epera. mowa o uszczelce nr 16.
Ponawiam pytanie - czy smok jest mocowany do pompy na śruby? (wg. rysunku jest)
Ja patrzyłem na rysunek z któregoś postu w tym temacie i jest lekko inny:
Załącznik 225722
Co do smoka to nie wiem.
Kupiłem uszczelkę i mechanikowi zlecałem jej wymianę.
Rysunek, który wkleiłem jest na pierwszej stronie tego wątku i co istotne - taki wyświetla mi się po wpisaniu vin'u w eper lub fiat auto parts.
Czy jest możliwe, że są różne rozwiązania uszczelki smoka olejowego?
Mam AR159 z 2011r.
Klonek - możesz wejść w http://eper.fiatklubpolska.pl/ , wpisać swój vin - wejść w układ smarowania ->pompa olejowa i zobaczyć jaki wyświetli Ci schemat? Jeśli uszczelka, którą wymieniłeś była okrągła, a rysunek będzie taki jak wkleiłem to będzie oznaczało ze te rysunki to można sobie o kant dupy...
Ja mam też 2011r. i w EPERZe mam taki rysunek jak Ty.
Niemniej jednak kupiłem tą okrągłą uszczelkę w ASO i pasowała bez problemu (71749352).
A rysunek który wklejałem jest z postu:
http://www.forum.alfaholicy.org/159_...ml#post1700484
Siemka. Mam pytanie czy te śruby to torx czy moze ribe? Bo koncowka sie chyba troche rozni i nie wiem jakie kupic.
Wysłane z mojego EVA-L09 przy użyciu Tapatalka