Podaj numer nadwozia, sprawdzę co tam jest, ale pewnie masz rację że tego przekaźnika żółtego może tam już nie być
Printable View
Podaj numer nadwozia, sprawdzę co tam jest, ale pewnie masz rację że tego przekaźnika żółtego może tam już nie być
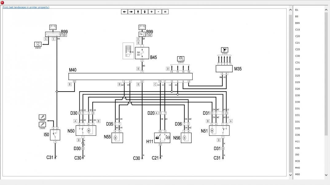
W FL jest już tylko ten moduł co pokazałeś w bagażniku po prawej. On odpowiada za centralny zamek, szyby i pewnie coś jeszcze, ale to musiałbym zerknąć w papiery. Jest to jednostka wykonawcza, a za sygnał radiowy odpowiada centralka pod 3-cim światłem stopu. Jesli kilkukrotnie w krótkim czasie naciśniesz przycisk na pilocie, to moduł się blokuje na jakiś czas (musiałbym zerknąć w dokumentację) w celu ochrony (rozpoznaje to jako uszkodzony pilot). Zdarzyło mi się, że ten sterownik miał uszkodzone przekaźniki. Jak chcesz, to mogę podesłać schematy i sobie wysterujesz zamki po kablach na wtyczce centralki podając napięcie na konkretne piny. Spróbuj podpiąć się AlfaOBD i zrobić testy zamków sprawdzając ich status. Moduł ten możesz podmienić bez problemu, on nie był kodowany w jakikolwiek sposób.
Edit:
Funkcje modułu:
- front and rear electric window operation
- door and fuel filler lock/release
- boot/tailgate release
- unlocking of doors by inertia switch
- interface with the remote control receiver
- timed demister operation (rear window and door mirrors)
- timed lighting of the passenger compartment and boot courtesy lights
Czas blokady centralnego zamka:
If 8 or 9 opening-closing manoeuvres are carried out in 20 seconds, with the last one being an opening manoeuvre, the circuit inhibits the door locking/unlocking function for 30 seconds.
The last permitted manoeuvre is always that of unlocking. After an inhibition period of 30 seconds, the function becomes operational again if the bar or switch commands are consistent. If the remote control switches are not aligned or there is a short circuit at an input from the remote control receiver, the circuit does not carry out any manoeuvre.
Patrzyłem na dostępność tych modułów i jest lekko mówiąc kiepsko... Jakbyś był uprzejmy, to chętnie przygarnę schematy - wtedy podłącze uniwersalny moduł centralnego, przełożę immo i grot do nowych kluczyków i będzie problem z głowy
edit: Dodam jeszcze, że gdy nie działają zamki, to bagażnik też się nie chce otworzyć.
Co do uniwersalnego modułu, to naszła mnie teraz taka myśl, że przecież to i tak nie ma prawa działać, bo sygnał sygnał z uniwersalnego modułu szedłby i tak do prawdopodobnie uszkodzonego modułu komfortu, a ten sterowałby wszystkimi 4-rema zamkami i światłami. Żeby to działało, to uniwersalny moduł musiałby być wpięty już jakby za modułem komfortu.
Jakby ktoś to kiedyś czytał i mial podobny problem - Faktycznie u mnie uszkodzony okazał się owy moduł komfortu. Kupiłem na Ebay'u z Włoch i wreszcie mam problem z głowy :)
Gdyby ktoś potrzebował - mam ten niebieski moduł komfortu w dobrej cenie nowy