-
2 załącznik(i)
Hi.
1. You need a code card to program or delete the keyfob from the control panel. Do you own it?
2. The pilot was checked on the pilot tester?
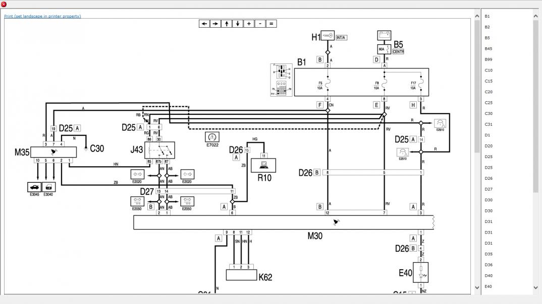
3. Check on the M35 module (back shelf under the stop light) that you have voltage at pins 3 and 7 (ignition hot) according to the chart.
4. Check that the voltage appears on pin 5 (unlocking) or 6 (locking) when the key is pressed.
5. Probably your ULxxxx integrated circuit is damaged (I can't remember the numbers anymore) in the M35 module (common fault). It is difficult to buy but available.
6. You can put the universal central locking module and clip it in instead of the M35 module. The tutorial is on the forum.
M35 16-way Connector:
1, Direction indicators control (Outlets not connected on this version)
2, Diagnostic line K and connection with alarm control unit
3, Direct supply
4, Earth
5, Door "unlocking" control
6, Door "locking" control
7, Supply controlled by the ignition
8, Courtesy lights control (Outlets not connected on this version)
9, Electric windows control (Outlets not connected on this version)
Załącznik 273376Załącznik 273377