O.K., dzięki za radę!
Nie mając dostępu do miernika jak sprawdzić pierwszy bieg? Po wyciągnieciu wtyczki z czujnika temperatury i przekręceniu kluczyka bez odpalania - ruszy? A może wyciagnac opornik i zewrzec drutem wtyczki?
Printable View
O.K., dzięki za radę!
Nie mając dostępu do miernika jak sprawdzić pierwszy bieg? Po wyciągnieciu wtyczki z czujnika temperatury i przekręceniu kluczyka bez odpalania - ruszy? A może wyciagnac opornik i zewrzec drutem wtyczki?
[MENTION=73104]silentosu[/MENTION]
Check on radiator cooling fan
The control unit controls the switching on of the electric fan in accordance with the coolant temperature:
temperature for switching on 1st speed 95° C
temperature for switching on 2nd speed 102° C
There is a further check (4 stage pressure switch signal) which engages the 1st or 2nd fan speed, according to the pressure of the rerigerant gas, with the air conditioning system switched on.
In the absence of the coolant temperature signal, the control unit activates the recovery function and switches on the fan 2 nd speed until the error disappears.
Załącznik 249137
- - - Updated - - -
Podmieniłem przekaźnik pierwszego biegu z drugim i test II nie ruszył zarówno w FES jak i w MES. I bieg odpala.
Jeżdżąc z podpiętym komputerem zauważyłem, że wskaźnik okłamuje o jakieś 8 stopni WIĘCEJ niż wskazuje program (licząc każdą kreskę jako "10", od 50 do 130 stopni.
Nie wiem czy to ma jakieś znaczenie, ale opuszczając i podnosząc szybę wskaźnik temperatury automatycznie się podnosi.
Wartości podane przez Ciebie zdają się pokrywać z włączeniem pierwszego biegu (97,5). O drugim nic nie napiszę, bo nie odnotowałem takiej temperatury.
O który przełącznik chodzi? Klimatyzacja jest odpięta, chłodnica wymontowana. Bez tego ani rusz?
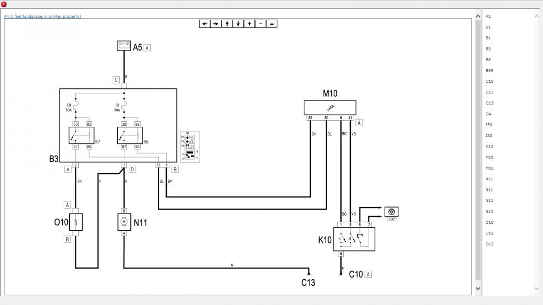
W lewym błotniku masz skrzynkę z przekaźnikami odwentylatora.
I teraz zwierasz kawałkiem drutu w gnieździe przekaźnika nogi 30 i 87 przekaźnika R7 i R6 dla odpowiednio 1 i 2 biegu. Jeśli pomimo tego nie będzie któregoś biegu, to szukasz gdzie ginie zasilanie zgodnie ze schematem.
Załącznik 249149
Dziękuję!
Jak tylko znajdę chwilkę, to zaczynam działac!
Ewidentnie na 100 % masa, wyrzuć starą nieważne jak wygląda i załóż nową, dale będziesz się delektował jazdą.
Wczoraj zrobiłem kolejny krok - wymieniłem chłodnicę i dolny przewód (po termostacie, czujniku temperatury i wentylatorze).
Zalałem jeszcze raz nowym chłodziwem i odpowietrzyłem (długo nie puszczała płynu, ale w końcu się doczekałem:)).
Nie podpinałem jeszcze komputera, ale już po pierwszym kursie widzę, że problem z wahaniem temperatury zniknął. Wskaźnik ani drgnie i cały czas stoi na 90*C (mam na myśli światła i strome, powolne podjazdy na najniższym biegu):victory:.
Zagadką pozostaje brak drugiego biegu w teście FES i MES. Po wyjęciu przkaźników i zwarciu nóżek drutem startują obydwa.
Końcówki kabli masowych wyczyściłem, ale już niedługo założę nowe.
Dla potomnych: nie dajcie się nabrać na dobry wizualnie stan Waszej chłodnicy. Nie ufajcie zbytnio drożności. Przy braku klasycznych objawów uszkodzenia czujnika temperatury i termostatu, a także rezystora wentylatorów pamiętajcie o chłodnicy i to właśnie ku niej niech zwrócą się Wasze myśli i oczy:D.
Póki co, temat pozostaje aktywny.
Załącznik 249449