-
2 załącznik(i)
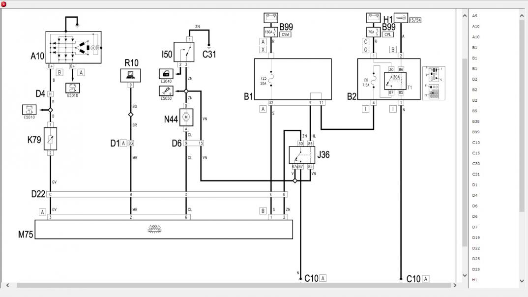
A sorki, umknęło mi że napisałeś, że do po FL i zasugerowałem się podpisem z sygnaturki. Już daję poprawne. Niestety ta lokalizacja j36 jest zrypana w dokumentacji i w rzeczywistości jest tam gdzie pisze Darek.
Załącznik 218504Załącznik 218505
Dodatkowo możesz spróbować się do niego podłączyć korzystając z KKL i softu webasta lub AlfaOBD.
-
1 załącznik(i)
Załącznik 218506
patrze na ten schemat i ten przekaznik J36 odpowiada własnie za napiecie na webasto.
niby zlokalizowany jest w okolicach grodzi i nie moge go namierzyc, a pod tym lewym błotnikiem gdzie sa przekazniki? da sie dojsc od komory silnika?
Dzięki chłopaki, jednak Eper znowu namieszał. Nie mogę się połączyc przez OBD z webasto, zaczełem szukać i okazało się, ze na zasilającej wtyczce do webasto niema napięcia po stacyjce..
-
Tak dojdziesz bez problemu. Włóż rękę za lampa pod błotnik i zobaczysz ze jest tam złącze. Powiem Ci ze jak dokładałem webasto to nic mi nie było wiadomo o tym przekazniku na grodzi, może jest ono po prostu na webasto gdzieś. Jak podłączyłem webasto bez przekaźnika w błotniku to nie było prądu w ogóle, dopiero po włożeniu przekaźnika zaczęło działać ( u mnie ciagle działało bo nie milem tego czujnika temp. )
-
Wlasnie namierzylem, sa tam te przekazniki. Ten brazowy mial piny cale zasniedziale , oczyscilem to, zlozylem styki na smar miedzany, prądy sie znalazły, jest komunikacja przez obd ze sterownikiem, webasto jeszcze nie odpala. Wypluwa bład"przerwa w obwodzie pompy paliwa" zaraz nurkuje do kanalu, pewnie przy pompce cos z polaczeniem.
-
Połączenie jest pod kanapa. Od pompki idzie przewód pod kanapę od strony pasażera.
-
Okazalo sie,ze we wtyczce przy pompie jeden pin byl ugnity, podlutowalem nowa wtyczke i webasto dziala,grzeje jak trzeba. Dzieki za pomoc Panowie. A tak przy okazji,to od czego jest ten drugi czarny przekaznik pod blotnikiem?
-
Witam
Czy wie ktoś jak poradzić sobie z piszczącym przekaźnikiem nagrzewnicy dodatkowej (znajduje się w skrzynce pod szybą przednią)? Na zapalonym silniku i na zgaszonym w pozycji MAR tak się dzieje. Dodam, że zaczął piszczeć jak przestało mi grzać webasto...
Pozdrawiam
-
Piszczące przekaźniki to zawsze objaw jego dogorywania lub słabego styku/ lekkiego zwarcia na kablach.
-
Wyjmowałem i wkładałem ten przekaźnik, ale bez zmian. Sugerujesz posprawdzać wszystkie kable idące do webasto czy tylko te w pobliżu tego przekaźnika?
-