Witam mam problem moja alfa nie odpala ( nie ma iskry i nie podaje paliwa). Macie jakieś pomysły czemu nie działa?
Printable View
Witam mam problem moja alfa nie odpala ( nie ma iskry i nie podaje paliwa). Macie jakieś pomysły czemu nie działa?
Najbardziej prawdopodobna usterka czujnika położenia wału.Miliony razy było pisane o tym
Czy na pulpicie zostają jakieś niegasnące kontrolki przed odpaleniem? Np "code" lub "marchewa"?
palił się code i marchewka ale to już zostało zrobione wystarczyło przeczyścić styki gdzie wchodzą przekaźniki koło aku.
- - - Updated - - -
zgasła przez przekaźniki ale już zostało to zrobione i nadal nie odpala. O jaki włącznik chodzi gdzie on się dokładnie znajduje i jak wygląda?
- - - Updated - - -
przycisnełem go pare razy i dalej nic
Sprawdź bezpiecznik przy akumulatorze.
kable dochodzace do przekaznika pompy byly "Zielone" wsuwki zostaly wymienione i teraz jest ok pompa działa ale alfa odpala na ok 30s i gasnie i nie chce odpalic dopiero po 10min odpali na te 30s na poczatku po wymianie wsuwiek odpalila na ok 10min i zgasla... Wydaje mi sie ze to czujnik polozenia walu tylko mam pytanie gdzie on sie znajduje ( no i teraz gdy pali sie "marchewka" nie odpali)
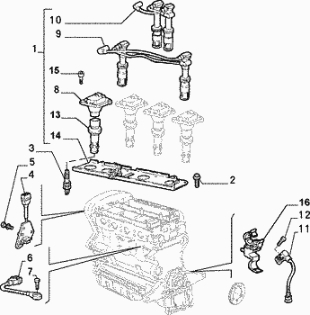
Na łączeniu skrzyni biegów z silnikiemZałącznik 113699
Nr 11 to jest ten czujnik