wycieraczki nie chca sie wylaczyc :-)
Jak w temacie...
Dzwoni do mnie moj ojciec i wsciekly zapodaje temat... nie moze wylaczyc wycieraczek w swojej 166. Mowie przyjedz zobaczymy o co chodzi...
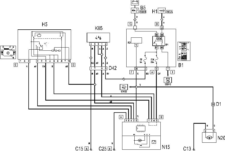
Na miejscu faktycznie stwierdzam ze wycieraczek nie da sie wylaczyc. Pierwsze co mi przychodzi na mysl przelacznik uszkodzony.
Wszedlem do garazu i wydlubalem swoj stary ktory zmienilem bo kierunki nie odbijaly...
Zamienilem mu przelaczniki i nadal to samo :-) i zglupialem ... poki nie wyrwie bezpiecznika wycieraczek po ich uprzednim wlaczeniu nie da sie zatrzymac... Druga opcja zostawic do zameczenia po pewnym czasie pewnie czujnik obciazenia silnika wylacza je w dowolnym momencie.
Ponadto zauwazylem ze na zegarach nie wyswietlaja sie strzalki od kierunkowskazow... pytam o to ale odpowiedz standardowa dla mojego ojca... a nie zauwazylem... takze nie wiem czy to jesf jakas wspolna przypadlosc czy dwie niezalezne rzeczy...
Co to moze byc ? Silnik wycieraczek? Czy komp bo o ile dobrze mysle to wycieraczki nie maja swojego przekaznika