Witam, odłączyłem akumulator i podłączyłem ponownie.Po tym manewrze auto nie reaguje na pilota.Odpala normalnie ,jeździ normalnie ,ale nie mogę otwierać ani zamykać z pilota.Macie jakieś pomysły?Proszę o pomoc!
Printable View
Witam, odłączyłem akumulator i podłączyłem ponownie.Po tym manewrze auto nie reaguje na pilota.Odpala normalnie ,jeździ normalnie ,ale nie mogę otwierać ani zamykać z pilota.Macie jakieś pomysły?Proszę o pomoc!
Miałem to samo czasami się zamykała i nie chciała otworzyć lub odwrotnie. Ogólnie zmieniłem baterie w pilocie i cierpliwie czekałem aż samo zaczęło działać normalnie.
Wysłane z mojego SM-G930F przy użyciu Tapatalka
Może trzeba ponownie zakodowac kluczyk.
Raczej kluczyka sam nie zakodujesz. Poczekaj z tym może sam ci się z powrotem dostroi. U mnie trwało to dwa dni
Wysłane z mojego SM-G930F przy użyciu Tapatalka
[lang=it]Salve a tutti, come da titolo anche a me non funziona l'apertura/chiusura da telecomando. Improvvisamente ha smesso di funzionare. La batteria del telecomando è carica, lampeggia il led. ho provato a verificare la scatoletta ricevitore telecomando, sotto la luce terzo stop. ma non va. devo ricodificare? non ho pin da 5 cifre, ho il software alfaobd.Załącznik 272794[/lang]Załącznik 272794
Hi. Do you have AR166 before FL or after FL? Try to do a test of closing / opening from the AlfaOBD program.
Ciao, ho alfa 166 2.4 jtd prima serie del 2001. ho effettuato il test con alfsOBD le chiusure funzionano tutte e 4. Apre e chiude anche dal tasto dalla consolle centrale e dalla serratura lato guida. Funzionano anche gli indicatori di direzione, il problema risulta solo da telecomando chiavi. La macchina non ha nessun problema elettrico. Grazie per tutti i suggerimenti.
Ulteriori aggiornamenti sul malfunzionamento del telecomando, ho provato con il software alfaOBD ad effettuare la riprogrammazione della chiave del telecomando e il software mi diceva inizialmente
TEST COMPLETATO:
RISULTATO: PRESENTE
CENTRALINA: DISATTIVATA
SENSORE RAPPORTO RIPOSO
dopo appare
TEST COMPLETATO:
RISULTATO: ERRORE
CENTRALINA: DISATTIVATA
SENSORE RAPPORTO RIPOSO
Volevo un parere se è la centralina ricevente (quella delle immagini precedenti) che è guasta e quindi non effettua l'associazione.
Grazie a tuttiZałącznik 273375Załącznik 273375
Mnie się udało w ten sposób, że zamykając lub otwierając auto przekręcając zamek w drzwiach kierowcy (nie pamiętam już dokładnie), nacisnąłem i przytrzymałem przycisk. Zamki poszły w dół (albo w górę) i od tej pory zaczęło działać. Pytanie czy nie ma różnicy w kodowaniu jeśli chodzi o roczniki.
Hi.
1. You need a code card to program or delete the keyfob from the control panel. Do you own it?
2. The pilot was checked on the pilot tester?
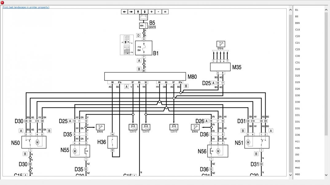
3. Check on the M35 module (back shelf under the stop light) that you have voltage at pins 3 and 7 (ignition hot) according to the chart.
4. Check that the voltage appears on pin 5 (unlocking) or 6 (locking) when the key is pressed.
5. Probably your ULxxxx integrated circuit is damaged (I can't remember the numbers anymore) in the M35 module (common fault). It is difficult to buy but available.
6. You can put the universal central locking module and clip it in instead of the M35 module. The tutorial is on the forum.
M35 16-way Connector:
1, Direction indicators control (Outlets not connected on this version)
2, Diagnostic line K and connection with alarm control unit
3, Direct supply
4, Earth
5, Door "unlocking" control
6, Door "locking" control
7, Supply controlled by the ignition
8, Courtesy lights control (Outlets not connected on this version)
9, Electric windows control (Outlets not connected on this version)
Załącznik 273376Załącznik 273377