Ponieważ nie bardzo mi po drodze z elektryką proszę znawców o wytłumaczenia jak krowie na rowie, a najlepiej rozrysowanie gdzie się podłączyć żeby zrobić włącznik wentylatorów chłodnicy w kabinie. Pacjent to 156 v6.
Z góry dziękuję.
Printable View
Ponieważ nie bardzo mi po drodze z elektryką proszę znawców o wytłumaczenia jak krowie na rowie, a najlepiej rozrysowanie gdzie się podłączyć żeby zrobić włącznik wentylatorów chłodnicy w kabinie. Pacjent to 156 v6.
Z góry dziękuję.
a po cholere ci jak przy takiej pogodzie jak teraz to i tak sie bedą prawie non top kręciły:crazy_pilot:zresztą co kto lubi
wielkie oczy zrobiłem czytając o co prosisz.
Wydaje mi się, że starując przekaźnikami jakimś przełącznikem, ecu może łapać błąd. Więc może jednak warto naprawić, o ile coś się popsuło?
Będę latał?
Panowie, czy macie problem czytania ze zrozumieniem??? Czy gdzieś napisałem, że wywala mi jakiś błąd? Po co ten cały spam? Wiecie jak zrobić o co proszę to napiszcie. A do czego mi to potrzebne to już moja sprawa.
Sam czytaj ze zrozumieniem, napisałem, że wykonanie takiego sterowania może spowodować błąd w ecu.
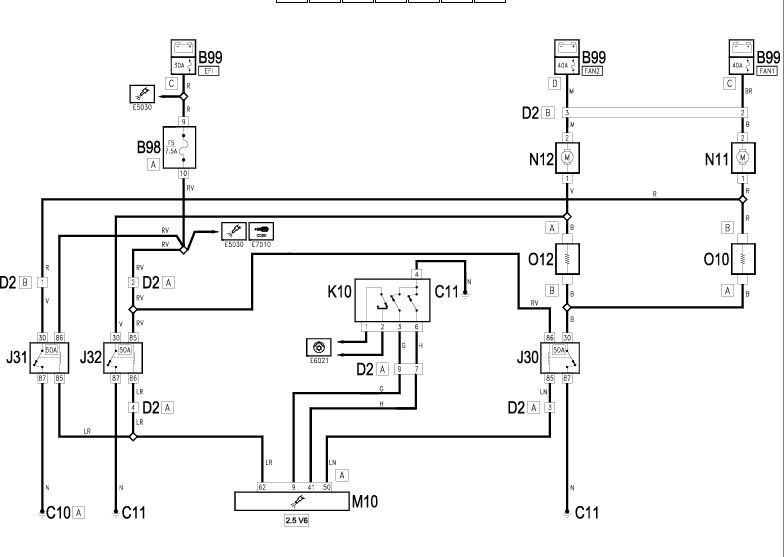
Ok, tylko gdzie to podłączyć konkretnie "na wiatrak" żeby oba razem pracowały po zrobieniu "pstryk"?
Aaaaa i mała prośba do adminów o usunięcie spamu śmiecącego temat.
odłącz + z wentylatora i w to miejsce nowe zasilanie. Dobrze by było tą nową ,,instalację,, zabezpieczyc bezpiecznikiem ,kable o dużym przekroju
wiatraki starowane są masą poprzez przekaźniki, natomiast same przekaźniki (3szt ) sterowane są 12V. Ja bym wolał wysterować przekaźnik, zamiast puszczać 40A przez przełącznik.
tylko jak pisałem - może wystąpić bład w ecu
Załącznik 93783
Jak małym pstryczkiem wysteruje przekaźnik to błędu nie złapie. Można to zrobić tak aby wymusić pracę wentyli a w drugim położeniu sterować będzie sobie ecu. To nie can-bus żeby cyrki się działy.
Znajdź przekaźnik, 12V do elektromagnesu przepuść przez przełącznik i po sprawie, w jednej pozycji wymusisz pracę wentylatorów a w drugim będzie działać w "automacie".
P.S. Ja się chyba domyślam po co Ci ten patent, ale jeśli pamiętasz o czym wspominałem w naszej krótkiej rozmowie w zeszłym roku to nie tędy droga....
Dzięki Pany, nie można było tak od razu ;). Myślałem, że to będzie hop, pstryk, światełko, jakiś kabelek od plusa i kabelek od czegoś tam i tyle. A tu widzę, że bez wizyty u elektryka się nie obędzie...
- - - Updated - - -
Slavol dzięki, wiem, wiem... Chłodnica oleju też by się przydała... Hamulec ogarnięty?
Ja może założę swoje w weekend. Ten przekaźnik, o którym piszesz to te w obudowie przy aku? "Fan" to w końcu wentylator, tylko czy to te? Sorry za banały ale z elektryką mi nie po drodze...
Hehehe, poeta normalnie czy jakaś antycypacja? Bo raczej bym nie chciał mieć czarnego... :)